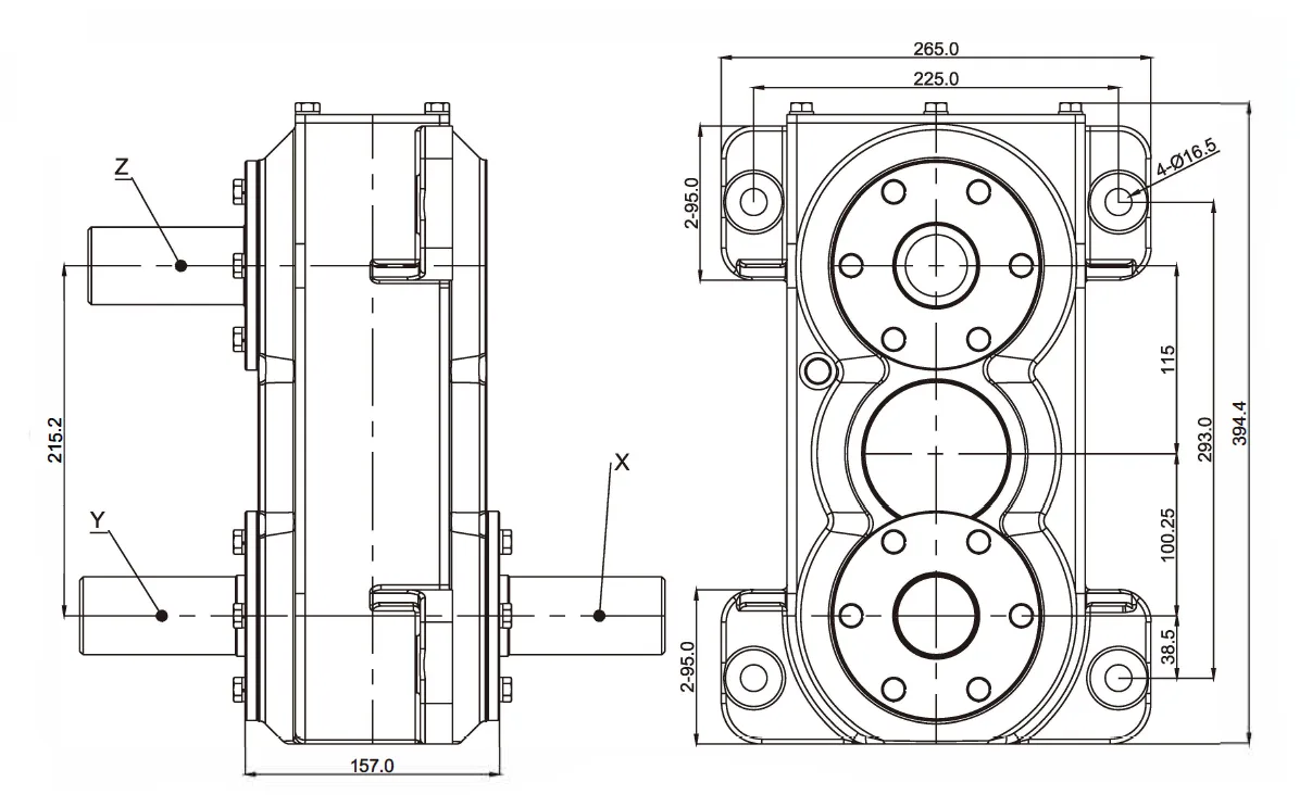
Square Baler Gearbox RDF-FK215
The square baler gearbox RDF-FK215 is a specific model designed for use in square balers. A square baler gearbox is a critical component of a square baler, which is a machine used in agriculture to gather, compress, and form hay, straw, or other crops into rectangular bales. The square baler gearbox RDF-FK215 serves the purpose of transmitting power from the tractor's power take-off (PTO) to drive the various mechanisms within the baler.


| i | Suitable | Rpm input | Rpm output | KW(Nom) | KW(Max) | Toothing | |
| r/min | r/min | hp | hp | ||||
| Speed increase | 1:1.33 | Square Baler, etc | 540 | 718.2 | 80 | 120 | Gleason StraightTeeth |
| Remark: If you have any special require feel free let me know, we also accept custom. | |||||||




![]() | ![]() |
![]() | ![]() |
Address
Luotuo Industrial Area, Zhenhai District, Ningbo City, China
Tel
