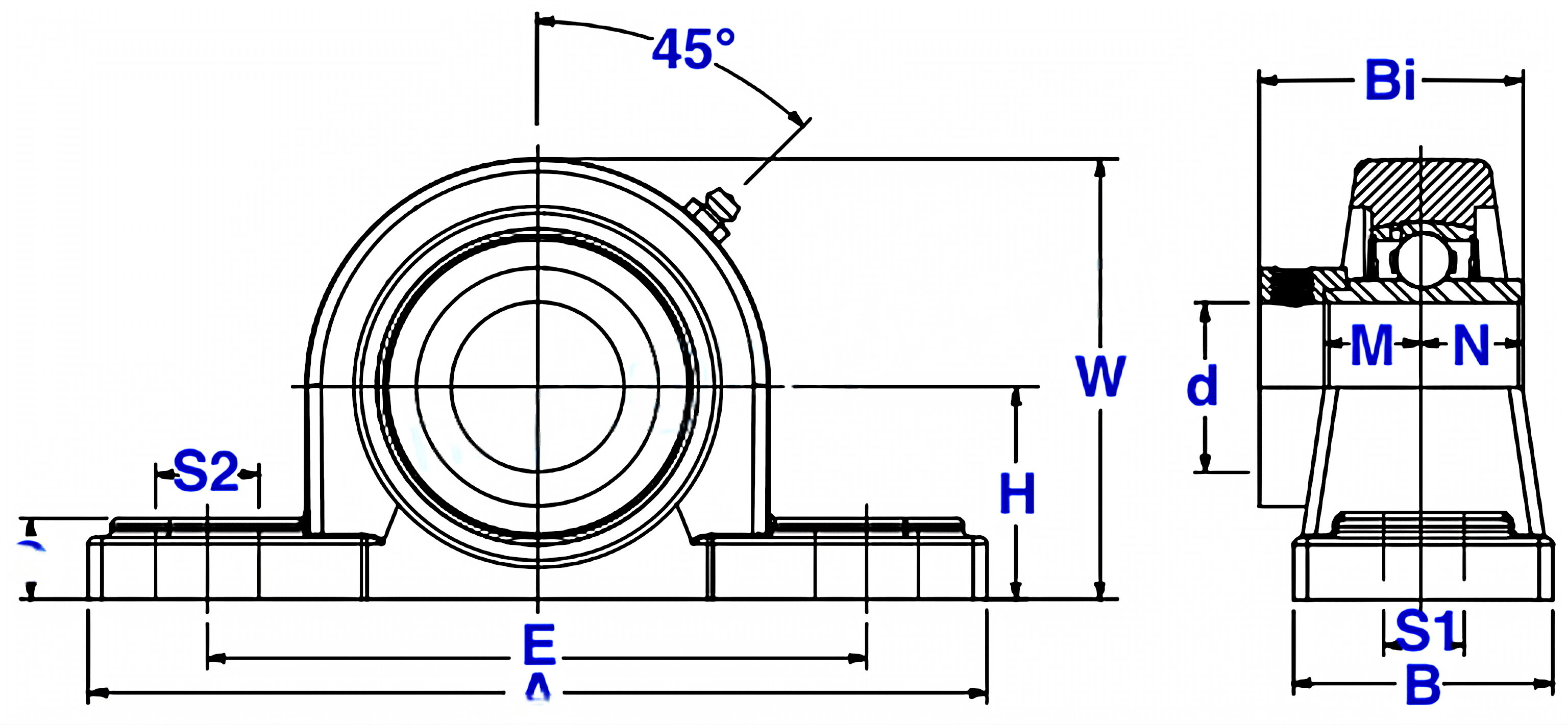
![]() | ![]() |
Bearing # | Shaft Diameter (d) | (H) | (B) | (S2) | (S1) | (G) | (W) | (Bi) | (N) | (M) | Bolt | Dynamic Load Rating (LBS) | Static Load Rating (LBS) | Bearing Insert | Housing Number | Weight (LBS) |
|---|---|---|---|---|---|---|---|---|---|---|---|---|---|---|---|---|
| SUCSPM201 | 12mm | 1.313" | 1.46" | 0.75" | 0.51" | 0.59" | 2.52" | 1.2205" | 0.5000" | 0.7205" | 3/8" | 2,331 | 1,142 | SUC201 | SPM204 | 1.5 |
| SUCSPM201-8 | 1/2" | 1.313" | 1.46" | 0.75" | 0.51" | 0.59" | 2.52" | 1.2205" | 0.5000" | 0.7205" | 3/8" | 2,331 | 1,142 | SUC201-8 | SPM204 | 1.5 |
| SUCSPM202 | 15mm | 1.313" | 1.46" | 0.75" | 0.51" | 0.59" | 2.52" | 1.2205" | 0.5000" | 0.7205" | 3/8" | 2,331 | 1,142 | SUC202 | SPM204 | 1.5 |
| SUCSPM202-10 | 5/8" | 1.313" | 1.46" | 0.75" | 0.51" | 0.59" | 2.52" | 1.2205" | 0.5000" | 0.7205" | 3/8" | 2,331 | 1,142 | SUC202-10 | SPM204 | 1.5 |
| SUCSPM203 | 17mm | 1.313" | 1.46" | 0.75" | 0.51" | 0.59" | 2.52" | 1.2205" | 0.5000" | 0.7205" | 3/8" | 2,331 | 1,142 | SUC203 | SPM204 | 1.5 |
| SUCSPM204-12 | 3/4" | 1.313" | 1.46" | 0.75" | 0.51" | 0.59" | 2.52" | 1.2205" | 0.5000" | 0.7205" | 3/8" | 2,331 | 1,142 | SUC204-12 | SPM204 | 1.5 |
| SUCSPM204 | 20mm | 1.313" | 1.46" | 0.75" | 0.51" | 0.59" | 2.52" | 1.2205" | 0.5000" | 0.7205" | 3/8" | 2,331 | 1,142 | SUC204 | SPM204 | 1.5 |
| SUCSPM205-14 | 7/8" | 1.438" | 1.48" | 0.75" | 0.51" | 0.63" | 2.78" | 1.3425" | 0.5630" | 0.7795" | 3/8" | 2,542 | 1,349 | SUC205-14 | SPM205 | 1.8 |
| SUCSPM205-15 | 15/16" | 1.438" | 1.48" | 0.75" | 0.51" | 0.63" | 2.78" | 1.3425" | 0.5630" | 0.7795" | 3/8" | 2,542 | 1,349 | SUC205-15 | SPM205 | 1.8 |
| SUCSPM205 | 25mm | 1.438" | 1.48" | 0.75" | 0.51" | 0.63" | 2.78" | 1.3425" | 0.5630" | 0.7795" | 3/8" | 2,542 | 1,349 | SUC205 | SPM205 | 1.8 |
| SUCSPM205-16 | 1" | 1.438" | 1.48" | 0.75" | 0.51" | 0.63" | 2.78" | 1.3425" | 0.5630" | 0.7795" | 3/8" | 2,542 | 1,349 | SUC205-16 | SPM205 | 1.8 |
| SUCSPM206-17 | 1 1/16" | 1.689" | 1.84" | 0.83" | 0.51" | 0.63" | 2.78" | 1.3425" | 0.5630" | 0.7795" | 3/8" | 3,554 | 1,942 | SUC206-17 | SPM206 | 2.1 |
| SUCSPM206-18 | 1 1/8" | 1.689" | 1.84" | 0.83" | 0.67" | 0.67" | 3.27" | 1.5000" | 0.6260" | 0.8740" | 1/2" | 3,554 | 1,942 | SUC206-18 | SPM206 | 2.1 |
| SUCSPM206 | 30mm | 1.689" | 1.84" | 0.83" | 0.67" | 0.67" | 3.27" | 1.5000" | 0.6260" | 0.8740" | 1/2" | 3,554 | 1,942 | SUC206 | SPM206 | 2.1 |
| SUCSPM206-19 | 1 3/16" | 1.689" | 1.84" | 0.83" | 0.67" | 0.67" | 3.27" | 1.5000" | 0.6260" | 0.8740" | 1/2" | 3,554 | 1,942 | SUC206-19 | SPM206 | 2.1 |
| SUCSPM206-20 | 1 1/4" | 1.689" | 1.84" | 0.83" | 0.67" | 0.67" | 3.27" | 1.5000" | 0.6260" | 0.8740" | 1/2" | 3,554 | 1,942 | SUC206-20 | SPM206 | 2.1 |
| SUCSPM207-20 | 1 1/4" | 1.875" | 1.88" | 0.83" | 0.67" | 0.69" | 3.66" | 1.6890" | 0.6890" | 1.0000" | 1/2" | 4,683 | 2,626 | SUC207-20 | SPM207 | 3.3 |
| SUCSPM207-21 | 1 5/16" | 1.875" | 1.88" | 0.83" | 0.67" | 0.69" | 3.66" | 1.6890" | 0.6890" | 1.0000" | 1/2" | 4,683 | 2,626 | SUC207-21 | SPM207 | 3.3 |
| SUCSPM207-22 | 1 3/8" | 1.875" | 1.88" | 0.83" | 0.67" | 0.69" | 3.66" | 1.6890" | 0.6890" | 1.0000" | 1/2" | 4,683 | 2,626 | SUC207-22 | SPM207 | 3.3 |
| SUCSPM207 | 35mm | 1.875" | 1.88" | 0.83" | 0.67" | 0.69" | 3.66" | 1.6890" | 0.6890" | 1.0000" | 1/2" | 4,683 | 2,626 | SUC207 | SPM207 | 3.3 |
| SUCSPM207-23 | 1-7/16" | 1.875" | 1.88" | 0.83" | 0.67" | 0.69" | 3.66" | 1.6890" | 0.6890" | 1.0000" | 1/2" | 4,683 | 2,626 | SUC207-23 | SPM207 | 3.3 |
| SUCSPM208-24 | 1 1/2" | 1.938" | 2.11" | 0.83" | 0.67" | 0.71" | 3.92" | 1.9370" | 0.7480" | 1.1890" | 1/2" | 5,294 | 3,057 | SUC208-24 | SPM208 | 4.4 |
| SUCSPM208-25 | 1 9/16" | 1.938" | 2.11" | 0.83" | 0.67" | 0.71" | 3.92" | 1.9370" | 0.7480" | 1.1890" | 1/2" | 5,294 | 3,057 | SUC208-25 | SPM208 | 4.4 |
| SUCSPM208 | 40mm | 1.938" | 2.11" | 0.83" | 0.67" | 0.71" | 3.92" | 1.9370" | 0.7480" | 1.1890" | 1/2" | 5,294 | 3,057 | SUC208 | SPM208 | 4.4 |
| SUCSPM209-26 | 1 5/8" | 2.125" | 2.11" | 0.83" | 0.67" | 0.79" | 4.15" | 1.9370" | 0.7480" | 1.1890" | 1/2" | 5,923 | 3,507 | SUC209-26 | SPM209 | 5.8 |
| SUCSPM209-27 | 1 11/16" | 2.125" | 2.11" | 0.83" | 0.67" | 0.79" | 4.15" | 1.9370" | 0.7480" | 1.1890" | 1/2" | 5,923 | 3,507 | SUC209-27 | SPM209 | 5.8 |
| SUCSPM209-28 | 1 3/4" | 2.125" | 2.11" | 0.83" | 0.67" | 0.79" | 4.15" | 1.9370" | 0.7480" | 1.1890" | 1/2" | 5,923 | 3,507 | SUC209-28 | SPM209 | 5.8 |
| SUCSPM209 | 45mm | 2.125" | 2.11" | 0.83" | 0.67" | 0.79" | 4.15" | 1.9370" | 0.7480" | 1.1890" | 1/2" | 5,923 | 3,507 | SUC209 | SPM209 | 5.8 |
| SUCSPM210-30 | 1 7/8" | 2.250" | 2.34" | 0.98" | 0.79" | 0.88" | 4.43" | 2.0315" | 0.7480" | 1.2835" | 5/8" | 6,402 | 4,046 | SUC210-30 | SPM210 | 6.1 |
| SUCSPM210-31 | 1 15/16" | 2.250" | 2.34" | 0.98" | 0.79" | 0.88" | 4.43" | 2.0315" | 0.7480" | 1.2835" | 5/8" | 6,402 | 4,046 | SUC210-31 | SPM210 | 6.1 |
| SUCSPM210 | 50mm | 2.250" | 2.34" | 0.98" | 0.79" | 0.88" | 4.43" | 2.0315" | 0.7480" | 1.2835" | 5/8" | 6,402 | 4,046 | SUC210 | SPM210 | 6.1 |
| SUCSPM210-32 | 2" | 2.250" | 2.34" | 0.98" | 0.79" | 0.88" | 4.43" | 2.0315" | 0.7480" | 1.2835" | 5/8" | 6,402 | 4,046 | SUC210-32 | SPM210 | 6.1 |
| SUCSPM211-32 | 2" | 2.500" | 2.31" | 0.98" | 0.79" | 0.91" | 4.92" | 2.1890" | 0.8740" | 1.3150" | 5/8" | 7,931 | 5,036 | SUC211-32 | SPM211 | 7.8 |
| SUCSPM211-34 | 2 1/8" | 2.500" | 2.31" | 0.98" | 0.79" | 0.91" | 4.92" | 2.1890" | 0.8740" | 1.3150" | 5/8" | 7,931 | 5,036 | SUC211-34 | SPM211 | 7.8 |
| SUCSPM211 | 55mm | 2.500" | 2.31" | 0.98" | 0.79" | 0.91" | 4.92" | 2.1890" | 0.8740" | 1.3150" | 5/8" | 7,931 | 5,036 | SUC211 | SPM211 | 7.8 |
| SUCSPM211-35 | 2 3/16" | 2.500" | 2.31" | 0.98" | 0.79" | 0.91" | 4.92" | 2.1890" | 0.8740" | 1.3150" | 5/8" | 7,931 | 5,036 | SUC211-35 | SPM211 | 7.8 |
| SUCSPM212-36 | 2 1/4" | 2.750" | 2.72" | 0.98" | 0.79" | 0.98" | 5.35" | 2.5630" | 1.0000" | 1.5630" | 5/8" | 9,554 | 5,921 | SUC212-36 | SPM212 | 9.8 |
| SUCSPM212 | 60mm | 2.750" | 2.72" | 0.98" | 0.79" | 0.98" | 5.35" | 2.5630" | 1.0000" | 1.5630" | 5/8" | 9,554 | 5,921 | SUC212 | SPM212 | 9.8 |
| SUCSPM212-38 | 2 3/8" | 2.750" | 2.72" | 0.98" | 0.79" | 0.98" | 5.35" | 2.5630" | 1.0000" | 1.5630" | 5/8" | 9,554 | 5,921 | SUC212-38 | SPM212 | 9.8 |
| SUCSPM212-39 | 2 7/16" | 2.750" | 2.72" | 0.98" | 0.79" | 0.98" | 5.35" | 2.5630" | 1.0000" | 1.5630" | 5/8" | 9,554 | 5,921 | SUC212-39 | SPM212 | 9.8 |
![]() | ![]() |
Bearing # | Shaft Diameter (d) | (H) | (B) | (S2) | (S1) | (G) | (W) | (Bi) | (N) | (M) | Bolt | Dynamic Load Rating (LBS) | Static Load Rating (LBS) | Bearing Insert | Housing Number | Weight (LBS) |
|---|---|---|---|---|---|---|---|---|---|---|---|---|---|---|---|---|
| SNCSPM201-8 | 1/2" | 1.313" | 1.46" | 0.75" | 0.51" | 0.59" | 2.52" | 1.5472" | 0.5000" | 0.6732" | 3/8" | 2,331 | 1,142 | SNC201-8 | SPM204 | 1.6 |
| SNCSPM202-10 | 5/8" | 1.313" | 1.46" | 0.75" | 0.51" | 0.59" | 2.52" | 1.5472" | 0.5000" | 0.6732" | 3/8" | 2,331 | 1,142 | SNC202-10 | SPM204 | 1.6 |
| SNCSPM204-12 | 3/4" | 1.313" | 1.46" | 0.75" | 0.51" | 0.59" | 2.52" | 1.5472" | 0.5000" | 0.6732" | 3/8" | 2,331 | 1,142 | SNC204-12 | SPM204 | 1.6 |
| SNCSPM204 | 20mm | 1.313" | 1.46" | 0.75" | 0.51" | 0.59" | 2.52" | 1.5472" | 0.5000" | 0.6732" | 3/8" | 2,331 | 1,142 | SNC204 | SPM204 | 1.6 |
| SNCSPM 205-14 | 7/8" | 1.438" | 1.48" | 0.75" | 0.51" | 0.63" | 2.78" | 1.6220" | 0.5630" | 0.6850" | 3/8" | 2,542 | 1,349 | SNC205-14 | SPM205 | 1.9 |
| SNCSPM 205-15 | 15/16" | 1.438" | 1.48" | 0.75" | 0.51" | 0.63" | 2.78" | 1.6220" | 0.5630" | 0.6850" | 3/8" | 2,542 | 1,349 | SNC205-15 | SPM205 | 1.9 |
| SNCSPM 205 | 25mm | 1.438" | 1.48" | 0.75" | 0.51" | 0.63" | 2.78" | 1.6220" | 0.5630" | 0.6850" | 3/8" | 2,542 | 1,349 | SNC205 | SPM205 | 1.9 |
| SNCSPM 205-16 | 1" | 1.438" | 1.48" | 0.75" | 0.51" | 0.63" | 2.78" | 1.6220" | 0.5630" | 0.6850" | 3/8" | 2,542 | 1,349 | SNC205-16 | SPM205 | 1.9 |
| SNCSPM 206-17 | 1 1/16" | 1.689" | 1.84" | 0.83" | 0.67" | 0.67" | 3.27" | 1.8110" | 0.6260" | 0.7165" | 1/2" | 3,554 | 1,942 | SNC206-17 | SPM206 | 2.2 |
| SNCSPM 206-18 | 1 1/8" | 1.689" | 1.84" | 0.83" | 0.67" | 0.67" | 3.27" | 1.8110" | 0.6260" | 0.7165" | 1/2" | 3,554 | 1,942 | SNC206-18 | SPM206 | 2.2 |
| SNCSPM 206 | 30mm | 1.689" | 1.84' | 0.83" | 0.67" | 0.67" | 3.27" | 1.8110" | 0.6260" | 0.7165" | 1/2" | 3,554 | 1,942 | SNC206 | SPM206 | 2.2 |
| SNCSPM 206-19 | 1 3/16" | 1.689" | 1.84" | 0.83" | 0.67" | 0.67" | 3.27" | 1.8110" | 0.6260" | 0.7165" | 1/2" | 3,554 | 1,942 | SNC206-19 | SPM206 | 2.2 |
| SNCSPM 206-20 | 1 1/4" | 1.689" | 1.84" | 0.83" | 0.67" | 0.67" | 3.27" | 1.8110" | 0.6260" | 0.7165" | 1/2" | 3,554 | 1,942 | SNC206-20 | SPM206 | 2.2 |
| SNCSPM 207-20 | 1 1/4" | 1.875" | 1.88" | 0.83" | 0.67" | 0.69" | 3.66" | 1.9606" | 0.6890" | 0.7402" | 1/2" | 4,683 | 2,626 | SNC207-20 | SPM207 | 3.5 |
| SNCSPM 207-21 | 1 5/16" | 1.875" | 1.88" | 0.83" | 0.67" | 0.69" | 3.66" | 1.9606" | 0.6890" | 0.7402" | 1/2" | 4,683 | 2,626 | SNC207-21 | SPM207 | 3.5 |
| SNCSPM 207-22 | 1 3/8" | 1.875" | 1.88" | 0.83" | 0.67" | 0.69" | 3.66" | 1.9606" | 0.6890" | 0.7402" | 1/2" | 4,683 | 2,626 | SNC207-22 | SPM207 | 3.5 |
| SNCSPM 207 | 35mm | 1.875" | 1.88" | 0.83" | 0.67" | 0.69" | 3.66" | 1.9606" | 0.6890" | 0.7402" | 1/2" | 4,683 | 2,626 | SNC207 | SPM207 | 3.5 |
| SNCSPM 207-23 | 1 7/16" | 1.875" | 1.88" | 0.83" | 0.67" | 0.69" | 3.66" | 1.9606" | 0.6890" | 0.7402" | 1/2 | 4,683 | 2,626 | SNC207-23 | SPM207 | 3.5 |
| SNCSPM 208-24 | 1 1/2" | 1.938" | 2.11" | 0.83" | 0.67" | 0.71" | 3.92" | 2.1220" | 0.7480" | 0.8425" | 1/2" | 5,294 | 3,057 | SNC208-24 | SPM208 | 4.7 |
| SNCSPM 208-25 | 1 9/16" | 1.938" | 2.11" | 0.83" | 0.67" | 0.71" | 3.92" | 2.1220" | 0.7480" | 0.8425" | 1/2" | 5,294 | 3,057 | SNC208-25 | SPM208 | 4.7 |
| SNCSPM 208 | 40mm | 1.938" | 2.11" | 0.83" | 0.67" | 0.71" | 3.92" | 2.1220" | 0.7480" | 0.8425" | 1/2" | 5,294 | 3,057 | SNC208 | SPM208 | 4.7 |
| SNCSPM 209-26 | 1 5/8" | 2.125" | 2.11" | 0.83" | 0.67" | 0.79" | 4.15" | 2.1220" | 0.7480" | 0.8425" | 1/2" | 5,923 | 3,507 | SNC209-26 | SPM209 | 6.1 |
| SNCSPM 209-27 | 1 11/16" | 2.125" | 2.11" | 0.83" | 0.67" | 0.79" | 4.15" | 2.1220" | 0.7480" | 0.8425" | 1/2" | 5,923 | 3,507 | SNC209-27 | SPM209 | 6.1 |
| SNCSPM 209-28 | 1 3/4" | 2.125" | 2.11" | 0.83" | 0.67" | 0.79" | 4.15" | 2.1220" | 0.7480" | 0.8425" | 1/2" | 5,923 | 3,507 | SNC209-28 | SPM209 | 6.1 |
| SNCSPM 209 | 45mm | 2.125" | 2.11" | 0.83" | 0.67" | 0.79" | 4.15" | 2.1220" | 0.7480" | 0.8425" | 1/2" | 5,923 | 3,507 | SNC209 | SPM209 | 6.1 |
| SNCSPM 210-30 | 1 7/8" | 2.250" | 2.34" | 0.98" | 0.79" | 0.79" | 4.43" | 2.2480" | 0.7480" | 0.9685" | 5/8" | 6,402 | 4,046 | SNC210-30 | SPM210 | 6.6 |
| SNCSPM 210-31 | 1 15/16" | 2.250" | 2.34" | 0.98" | 0.79" | 0.79" | 4.43" | 2.2480" | 0.7480" | 0.9685" | 5/8" | 6,402 | 4,046 | SNC210-31 | SPM210 | 6.6 |
| SNCSPM 210 | 50mm | 2.250" | 2.34" | 0.98" | 0.79" | 0.79" | 4.43" | 2.2480" | 0.7480" | 0.9685" | 5/8" | 6,402 | 4,046 | SNC210 | SPM210 | 6.6 |
| SNCSPM 210-32 | 2" | 2.250" | 2.34" | 0.98" | 0.79" | 0.79" | 4.43" | 2.2480" | 0.7480" | 0.9685" | 5/8" | 6,402 | 4,046 | SNC210-32 | SPM210 | 6.6 |
| SNCSPM 211-32 | 2" | 2.500" | 2.31" | 0.98" | 0.79" | 0.91" | 4.92" | 2.5905" | 0.8740" | 1.0906" | 5/8" | 7,931 | 5,036 | SNC211-32 | SPM211 | 8.5 |
| SNCSPM 211-34 | 2 1/8" | 2.500" | 2.31" | 0.98" | 0.79" | 0.91" | 4.92" | 2.5905" | 0.8740" | 1.0906" | 5/8" | 7,931 | 5,036 | SNC211-34 | SPM211 | 8.5 |
| SNCSPM 211 | 55mm | 2.500" | 2.31" | 0.98" | 0.79" | 0.91" | 4.92" | 2.5905" | 0.8740" | 1.0906" | 5/8" | 7,931 | 5,036 | SNC211 | SPM211 | 8.5 |
| SNCSPM 211-35 | 2 3/16" | 2.500" | 2.31" | 0.98" | 0.79" | 0.91" | 4.92" | 2.5905" | 0.8740" | 1.0906" | 5/8" | 7,931 | 5,036 | SNC211-35 | SPM211 | 8.5 |
| SNCSPM 212-36 | 2 1/4" | 2.750" | 2.72" | 0.98' | 0.79" | 0.98" | 5.35 | 2.8425 72.2 | 1.0000 25.4 | 1.2165 30.9 | 5/8 M16 | 9,554 42.50 | 5,921 26.34 | SNC 212-36 | SPM 212 | 10.6 4.8 |
| SNCSPM 212 | 60mm | 2.750 69.9 | 2.72 69.0 | 0.98 25.0 | 0.79 20.0 | 0.98 25.0 | 5.35 136.0 | 2.8425 72.2 | 1.0000 25.4 | 1.2165 30.9 | 5/8 M16 | 9,554 42.50 | 5,921 26.34 | SNC 212 | SPM 212 | 10.6 4.8 |
| SNCSPM 212-38 | 2 3/8" | 2.750 69.9 | 2.72 69.0 | 0.98 25.0 | 0.79 20.0 | 0.98 25.0 | 5.35 136.0 | 2.8425 72.2 | 1.0000 25.4 | 1.2165 30.9 | 5/8 M16 | 9,554 42.50 | 5,921 26.34 | SNC 212-38 | SPM 212 | 10.6 4.8 |
| SNCSPM 212-39 | 2 7/16" | 2.750 69.9 | 2.72 69.0 | 0.98 25.0 | 0.79 20.0 | 0.98 25.0 | 5.35 136.0 | 2.8425 72.2 | 1.0000 25.4 | 1.2165 30.9 | 5/8 M16 | 9,554 42.50 | 5,921 26.34 | SNC 212-39 | SPM 212 | 10.6 4.8 |
![]() |
Bearing # | Shaft Diameter (d) | (H) | (B) | (S2) | (S1) | (G) | (W) | (Bi) | (N) | (M) | Bolt | Dynamic Load Rating (LBS) | Static Load Rating (LBS) | Bearing Insert | Housing Number | Weight (LBS) |
|---|---|---|---|---|---|---|---|---|---|---|---|---|---|---|---|---|
| SHCSPM 204-12 | 3/4" | 1.313 33.3 | 1.46 37.0 | 1.46 37.0 | 0.51 13.0 | 0.59 15.0 | 2.52 64.0 | 1.7205 43.7 | 0.6732 17.1 | 0.6732 17.1 | 3/8 M10 | 2,331 10.37 | 1,142 5.08 | SHC 204-12 | SPM 204 | 1.6 0.7 |
| SHCSPM 204 | 20mm | 1.313 33.3 | 1.46 37.0 | 1.46 37.0 | 0.51 13.0 | 0.59 15.0 | 2.52 64.0 | 1.7205 43.7 | 0.6732 17.1 | 0.6732 17.1 | 3/8 M10 | 2,331 10.37 | 1,142 5.08 | SHC 204 | SPM 204 | 1.6 0.7 |
| SHCSPM 205-14 | 7/8" | 1.438 36.5 | 1.48 37.5 | 0.75 19.0 | 0.51 13.0 | 0.63 16.0 | 2.78 70.5 | 1.7480 44.4 | 0.6890 17.5 | 0.6850 17.4 | 3/8 M10 | 2,542 11.31 | 1,349 6.00 | SHC 205-14 | SPM 205 | 1.9 0.9 |
| SHCSPM 205-15 | 15/16" | 1.438 36.5 | 1.48 37.5 | 0.75 19.0 | 0.51 13.0 | 0.63 16.0 | 2.78 70.5 | 1.7480 44.4 | 0.6890 17.5 | 0.6850 17.4 | 3/8 M10 | 2,542 11.31 | 1,349 6.00 | SHC 205-15 | SPM 205 | 1.9 0.9 |
| SHCSPM 205 | 25mm | 1.438 36.5 | 1.48 37.5 | 0.75 19.0 | 0.51 13.0 | 0.63 16.0 | 2.78 70.5 | 1.7480 44.4 | 0.6890 17.5 | 0.6850 17.4 | 3/8 M10 | 2,542 11.31 | 1,349 6.00 | SHC 205 | SPM 205 | 1.9 0.9 |
| SHCSPM 205-16 | 1" | 1.438 36.5 | 1.48 37.5 | 0.75 19.0 | 0.51 13.0 | 0.63 16.0 | 2.78 70.5 | 1.7480 44.4 | 0.6890 17.5 | 0.6850 17.4 | 3/8 M10 | 2,542 11.31 | 1,349 6.00 | SHC 205-16 | SPM 205 | 1.9 0.9 |
| SHCSPM 206-17 | 1 1/16"< |
Address
Luotuo Industrial Area, Zhenhai District, Ningbo City, China
Tel
