![]() | ![]() |
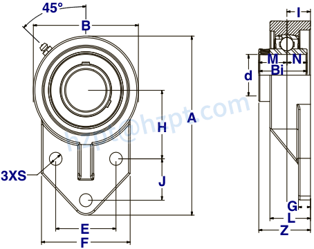
Bearing # | Shaft Diameter (d) | (A) | (H) | (E) | (J) | (I) | (G) | (L) | (S) | (B) | (F) | (Z) | (Bi) | (N) | (M) | Bolt Size | Dynamic Load Rating (LBS) | Static Load Rating (LBS) | Bearing Insert | Housing Number | Weight (LBS) |
|---|---|---|---|---|---|---|---|---|---|---|---|---|---|---|---|---|---|---|---|---|---|
| SUCSFBM201 | 12 | 4.25 | 1.70 | 1.50 | 0.87 | 0.63 | 0.31 | 1.00 | 0.39 | 2.50 | 2.38 | 1.35 | 1.2205 | 0.5000 | 0.7205 | 5/16 | 2,331 | 1,142 | SUC 201 | SFBM 204 | 1.5 |
| SUCSFBM201-8 | 1/2 | 4.25 | 1.70 | 1.50 | 0.87 | 0.63 | 0.31 | 1.00 | 0.39 | 2.50 | 2.38 | 1.35 | 1.2205 | 0.5000 | 0.7205 | 5/16 | 2,331 | 1,142 | SUC 201-8 | SFBM 204 | 1.5 |
| SUCSFBM202 | 15 | 4.25 | 1.70 | 1.50 | 0.87 | 0.63 | 0.31 | 1.00 | 0.39 | 2.50 | 2.38 | 1.35 | 1.2205 | 0.5000 | 0.7205 | 5/16 | 2,331 | 1,142 | SUC 202 | SFBM 204 | 1.5 |
| SUCSFBM202-10 | 5/8 | 4.25 | 1.70 | 1.50 | 0.87 | 0.63 | 0.31 | 1.00 | 0.39 | 2.50 | 2.38 | 1.35 | 1.2205 | 0.5000 | 0.7205 | 5/16 | 2,331 | 1,142 | SUC 202-10 | SFBM 204 | 1.5 |
| SUCSFBM203 | 17 | 4.25 | 1.70 | 1.50 | 0.87 | 0.63 | 0.31 | 1.00 | 0.39 | 2.50 | 2.38 | 1.35 | 1.2205 | 0.5000 | 0.7205 | 5/16 | 2,331 | 1,142 | SUC 203 | SFBM 204 | 1.5 |
| SUCSFBM204-12 | 3/4 | 4.25 | 1.70 | 1.50 | 0.87 | 0.63 | 0.31 | 1.00 | 0.39 | 2.50 | 2.38 | 1.35 | 1.2205 | 0.5000 | 0.7205 | 5/16 | 2,331 | 1,142 | SUC 204-12 | SFBM 204 | 1.5 |
| SUCSFBM204 | 20 | 4.25 | 1.70 | 1.50 | 0.87 | 0.63 | 0.31 | 1.00 | 0.39 | 2.50 | 2.38 | 1.35 | 1.2205 | 0.5000 | 0.7205 | 5/16 | 2,331 | 1,142 | SUC 204 | SFBM 204 | 1.5 |
| SUCSFBM205-14 | 7/8 | 4.75 | 1.81 | 1.63 | 1.13 | 0.66 | 0.39 | 1.13 | 0.39 | 2.75 | 2.50 | 1.44 | 1.3425 | 0.5630 | 0.7795 | 5/16 | 2,542 | 1,349 | SUC 205-14 | SFBM 205 | 1.8 |
| SUCSFBM205-15 | 15/16 | 4.75 | 1.81 | 1.63 | 1.13 | 0.66 | 0.39 | 1.13 | 0.39 | 2.75 | 2.50 | 1.44 | 1.3425 | 0.5630 | 0.7795 | 5/16 | 2,542 | 1,349 | SUC 205-15 | SFBM 205 | 1.8 |
| SUCSFBM205 | 25 | 4.75 | 1.81 | 1.63 | 1.13 | 0.66 | 0.39 | 1.13 | 0.39 | 2.75 | 2.50 | 1.44 | 1.3425 | 0.5630 | 0.7795 | 5/16 | 2,542 | 1,349 | SUC 205 | SFBM 205 | 1.8 |
| SUCSFBM205-16 | 1 | 4.75 | 1.81 | 1.63 | 1.13 | 0.66 | 0.39 | 1.13 | 0.39 | 2.75 | 2.50 | 1.44 | 1.3425 | 0.5630 | 0.7795 | 5/16 | 2,542 | 1,349 | SUC 205-16 | SFBM 205 | 1.8 |
| SUCSFBM206-17 | 1 1/16 | 5.38 | 2.06 | 1.88 | 1.25 | 0.73 | 0.39 | 1.25 | 0.39 | 3.25 | 2.75 | 1.61 | 1.5000 | 0.6260 | 0.8740 | 5/16 | 3,554 | 1,942 | SUC 206-17 | SFBM 206 | 2.1 |
| SUCSFBM206-18 | 1 1/8 | 5.38 | 2.06 | 1.88 | 1.25 | 0.73 | 0.39 | 1.25 | 0.39 | 3.25 | 2.75 | 1.61 | 1.5000 | 0.6260 | 0.8740 | 5/16 | 3,554 | 1,942 | SUC 206-18 | SFBM 206 | 2.1 |
| SUCSFBM206 | 30 | 5.38 | 2.06 | 1.88 | 1.25 | 0.73 | 0.39 | 1.25 | 0.39 | 3.25 | 2.75 | 1.61 | 1.5000 | 0.6260 | 0.8740 | 5/16 | 3,554 | 1,942 | SUC 206 | SFBM 206 | 2.1 |
| SUCSFBM206-19 | 1 3/16 | 5.38 | 2.06 | 1.88 | 1.25 | 0.73 | 0.39 | 1.25 | 0.39 | 3.25 | 2.75 | 1.61 | 1.5000 | 0.6260 | 0.8740 | 5/16 | 3,554 | 1,942 | SUC 206-19 | SFBM 206 | 2.1 |
| SUCSFBM206-20 | 1 1/4 | 5.38 | 2.06 | 1.88 | 1.25 | 0.73 | 0.39 | 1.25 | 0.39 | 3.25 | 2.75 | 1.61 | 1.5000 | 0.6260 | 0.8740 | 5/16 | 3,554 | 1,942 | SUC 206-20 | SFBM 206 | 2.1 |
| SUCSFBM207-20 | 1 1/4 | 6.13 | 2.38 | 2.00 | 1.25 | 0.83 | 0.53 | 1.44 | 0.51 | 3.75 | 3.25 | 1.83 | 1.6890 | 0.6890 | 1.0000 | 7/16 | 4,683 | 2,626 | SUC 207-20 | SFBM 207 | 3.3 |
| SUCSFBM207-21 | 1 5/16 | 6.13 | 2.38 | 2.00 | 1.25 | 0.83 | 0.53 | 1.44 | 0.51 | 3.75 | 3.25 | 1.83 | 1.6890 | 0.6890 | 1.0000 | 7/16 | 4,683 | 2,626 | SUC 207-21 | SFBM 207 | 3.3 |
| SUCSFBM207-22 | 1 3/8 | 6.13 | 2.38 | 2.00 | 1.25 | 0.83 | 0.53 | 1.44 | 0.51 | 3.75 | 3.25 | 1.83 | 1.6890 | 0.6890 | 1.0000 | 7/16 | 4,683 | 2,626 | SUC 207-22 | SFBM 207 | 3.3 |
| SUCSFBM207 | 35 | 6.13 | 2.38 | 2.00 | 1.25 | 0.83 | 0.53 | 1.44 | 0.51 | 3.75 | 3.25 | 1.83 | 1.6890 | 0.6890 | 1.0000 | 7/16 | 4,683 | 2,626 | SUC 207 | SFBM 207 | 3.3 |
| SUCSFBM207-23 | 1 7/16 | 6.13 | 2.38 | 2.00 | 1.25 | 0.83 | 0.53 | 1.44 | 0.51 | 3.75 | 3.25 | 1.83 | 1.6890 | 0.6890 | 1.0000 | 7/16 | 4,683 | 2,626 | SUC 207-23 | SFBM 207 | 3.3 |
| SUCSFBM208-24 | 1 1/2 | 6.44 | 2.38 | 1.97 | 1.63 | 0.83 | 0.69 | 1.41 | 0.47 | 3.94 | 3.06 | 2.02 | 1.9370 | 0.7480 | 1.1890 | 3/8 | 5,294 | 3,057 | SUC 208-24 | SFBM 208 | 4.4 |
| SUCSFBM208-25 | 1 9/16 | 6.44 | 2.38 | 1.97 | 1.63 | 0.83 | 0.69 | 1.41 | 0.47 | 3.94 | 3.06 | 2.02 | 1.9370 | 0.7480 | 1.1890 | 3/8 | 5,294 | 3,057 | SUC 208-25 | SFBM 208 | 4.4 |
| SUCSFBM208 | 40 | 6.44 | 2.38 | 1.97 | 1.63 | 0.83 | 0.69 | 1.41 | 0.47 | 3.94 | 3.06 | 2.02 | 1.9370 | 0.7480 | 1.1890 | 3/8 | 5,294 | 3,057 | SUC 208 | SFBM 208 | 4.4 |
| SUCSFBM209-26 | 1 5/8 | 6.88 | 2.56 | 2.13 | 1.69 | 0.86 | 0.75 | 1.38 | 0.47 | 4.19 | 3.16 | 2.05 | 1.9370 | 0.7480 | 1.1890 | 3/8 | 5,923 | 3,507 | SUC 209-26 | SFBM 209 | 5.8 |
| SUCSFBM209-27 | 1 11/16 | 6.88 | 2.56 | 2.13 | 1.69 | 0.86 | 0.75 | 1.38 | 0.47 | 4.19 | 3.16 | 2.05 | 1.9370 | 0.7480 | 1.1890 | 3/8 | 5,923 | 3,507 | SUC 209-27 | SFBM 209 | 5.8 |
| SUCSFBM209-28 | 1 3/4 | 6.88 | 2.56 | 2.13 | 1.69 | 0.86 | 0.75 | 1.38 | 0.47 | 4.19 | 3.16 | 2.05 | 1.9370 | 0.7480 | 1.1890 | 3/8 | 5,923 | 3,507 | SUC 209-28 | SFBM 209 | 5.8 |
| SUCSFBM209 | 45 | 6.88 | 2.56 | 2.13 | 1.69 | 0.86 | 0.75 | 1.38 | 0.47 | 4.19 | 3.16 | 2.05 | 1.9370 | 0.7480 | 1.1890 | 3/8 | 5,923 | 3,507 | SUC 209 | SFBM 209 | 5.8 |
| SUCSFBM210-30 | 1 7/8 | 7.50 | 2.94 | 2.75 | 1.63 | 0.86 | 0.56 | 1.50 | 0.52 | 4.66 | 4.00 | 2.14 | 2.0315 | 0.7480 | 1.2835 | 7/16 | 6,402 | 4,046 | SUC 210-30 | SFBM 210 | 6.1 |
| SUCSFBM210-31 | 1 15/16 | 7.50 | 2.94 | 2.75 | 1.63 | 0.86 | 0.56 | 1.50 | 0.52 | 4.66 | 4.00 | 2.14 | 2.0315 | 0.7480 | 1.2835 | 7/16 | 6,402 | 4,046 | SUC 210-31 | SFBM 210 | 6.1 |
| SUCSFBM210 | 50 | 7.50 | 2.94 | 2.75 | 1.63 | 0.86 | 0.56 | 1.50 | 0.52 | 4.66 | 4.00 | 2.14 | 2.0315 | 0.7480 | 1.2835 | 7/16 | 6,402 | 4,046 | SUC 210 | SFBM 210 | 6.1 |
| SUCSFBM210-32 | 2 | 7.50 | 2.94 | 2.75 | 1.63 | 0.86 | 0.56 | 1.50 | 0.52 | 4.66 | 4.00 | 2.14 | 2.0315 | 0.7480 | 1.2835 | 7/16 | 6,402 | 4,046 | SUC 210-32 | SFBM 210 | 6.1 |
![]() |
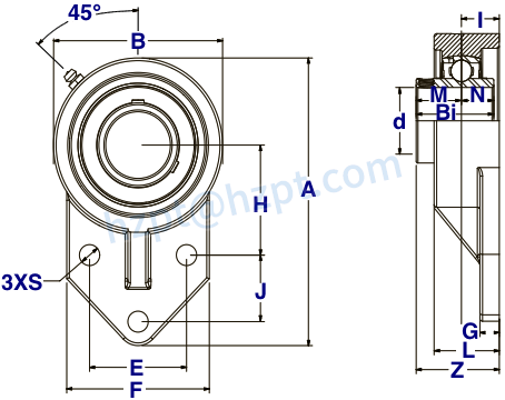
Bearing # | Shaft Diameter (d) | (A) | (H) | (E) | (J) | (I) | (G) | (L) | (S) | (B) | (F) | (Z) | (Bi) | (N) | (M) | Bolt Size | Dynamic Load Rating (LBS) | Static Load Rating (LBS) | Bearing Insert | Housing Number | Weight (LBS) |
|---|---|---|---|---|---|---|---|---|---|---|---|---|---|---|---|---|---|---|---|---|---|
| SNCSFBM201-8 | 1/2 | 4.25 | 1.70 | 1.50 | 0.87 | 0.63 | 0.31 | 1.00 | 0.39 | 2.50 | 2.38 | 1.67 | 1.5472 | 0.5000 | 0.6732 | 5/16 | 2,331 | 1,142 | SNC 201-8 | SFBM 204 | 1.3 |
| SNCSFBM202-10 | 5/8 | 4.25 | 1.70 | 1.50 | 0.87 | 0.63 | 0.31 | 1.00 | 0.39 | 2.50 | 2.38 | 1.67 | 1.5472 | 0.5000 | 0.6732 | 5/16 | 2,331 | 1,142 | SNC202-10 | SFBM 204 | 1.3 |
| SNCSFBM204-12 | 3/4 | 4.25 | 1.70 | 1.50 | 0.87 | 0.63 | 0.31 | 1.00 | 0.39 | 2.50 | 2.38 | 1.67 | 1.5472 | 0.5000 | 0.6732 | 5/16 | 2,331 | 1,142 | SNC 204-12 | SFBM 204 | 1.3 |
| SNCSFBM204 | 20 | 4.25 | 1.70 | 1.50 | 0.87 | 0.63 | 0.31 | 1.00 | 0.39 | 2.50 | 2.38 | 1.67 | 1.5472 | 0.5000 | 0.6732 | 5/16 | 2,331 | 1,142 | SNC 204 | SFBM 204 | 1.3 |
| SNCSFBM205-14 | 7/8 | 4.75 | 1.80 | 1.63 | 1.13 | 0.66 | 0.39 | 1.13 | 0.39 | 2.75 | 2.50 | 1.72 | 1.6220 | 0.5630 | 0.6850 | 5/16 | 2,542 | 1,349 | SNC 205-14 | SFBM 205 | 1.5 |
| SNCSFBM205-15 | 15/16 | 4.75 | 1.80 | 1.63 | 1.13 | 0.66 | 0.39 | 1.13 | 0.39 | 2.75 | 2.50 | 1.72 | 1.6220 | 0.5630 | 0.6850 | 5/16 | 2,542 | 1,349 | SNC 205-15 | SFBM 205 | 1.5 |
| SNCSFBM 205 | 25 | 4.75 | 1.80 | 1.63 | 1.13 | 0.66 | 0.39 | 1.13 | 0.39 | 2.75 | 2.50 | 1.72 | 1.6220 | 0.5630 | 0.6850 | 5/16 | 2,542 | 1,349 | SNC 205 | SFBM 205 | 1.5 |
| SNCSFBM205-16 | 1 | 4.75 | 1.80 | 1.63 | 1.13 | 0.66 | 0.39 | 1.13 | 0.39 | 2.75 | 2.50 | 1.72 | 1.6220 | 0.5630 | 0.6850 | 5/16 | 2,542 | 1,349 | SNC 205-16 | SFBM 205 | 1.5 |
| SNCSFBM206-17 | 1 1/16 | 5.38 | 2.06 | 1.88 | 1.25 | 0.73 | 0.39 | 1.25 | 0.39 | 3.25 | 2.75 | 1.92 | 1.8110 | 0.6260 | 0.7165 | 7/16 | 3,554 | 1,942 | SNC 206-17 | SFBM 206 | 2.0 |
| SNCSFBM206-18 | 1 1/8 | 5.38 | 2.06 | 1.88 | 1.25 | 0.73 | 0.39 | 1.25 | 0.39 | 3.25 | 2.75 | 1.92 | 1.8110 | 0.6260 | 0.7165 | 7/16 | 3,554 | 1,942 | SNC 206-18 | SFBM 206 | 2.0 |
| SNCSFBM206 | 30 | 5.38 | 2.06 | 1.88 | 1.25 | 0.73 | 0.39 | 1.25 | 0.39 | 3.25 | 2.7 | 1.92 | 1.8110 | 0.6260 | 0.7165 | 7/16 | 3,554 | 1,942 | SNC 206 | SFBM 206 | 2.0 |
| SNCSFBM206-19 | 1 3/16 | 5.38 | 2.06 | 1.88 | 1.25 | 0.73 | 0.39 | 1.25 | 0.39 | 3.25 | 2.75 | 1.92 | 1.8110 | 0.6260 | 0.7165 | 7/16 | 3,554 | 1,942 | SNC 206-19 | SFBM 206 | 2.0 |
| SNCSFBM206-20 | 1 1/4 | 5.38 | 2.06 | 1.88 | 1.25 | 0.73 | 0.39 | 1.25 | 0.39 | 3.25 | 2.75 | 1.92 | 1.8110 | 0.6260 | 0.7165 | 7/16 | 3,554 | 1,942 | SNC 206-20 | SFBM 206 | 2.0 |
| SNCSFBM207-20 | 1 1/4 | 6.13 | 2.38 | 2.00 | 1.25 | 0.83 | 0.53 | 1.44 | 0.51 | 3.75 | 3.25 | 2.10 | 1.9606 | 0.6890 | 0.7402 | 7/16 | 4,683 | 2,626 | SNC 207-20 | SFBM 207 | 3.1 |
| SNCSFBM207-21 | 1 5/16 | 6.13 | 2.38 | 2.00 | 1.25 | 0.83 | 0.53 | 1.44 | 0.51 | 3.75 | 3.25 | 2.10 | 1.9606 | 0.6890 | 0.7402 | 7/16 | 4,683 | 2,626 | SNC 207-21 | SFBM 207 | 3.1 |
| SNCSFBM207-22 | 1 3/8 | 6.13 | 2.38 | 2.00 | 1.25 | 0.83 | 0.53 | 1.44 | 0.51 | 3.75 | 3.25 | 2.10 | 1.9606 | 0.6890 | 0.7402 | 7/16 | 4,683 | 2,626 | SNC 207-22 | SFBM 207 | 3.1 |
| SNCSFBM207 | 35 | 6.13 | 2.38 | 2.00 | 1.25 | 0.83 | 0.53 | 1.44 | 0.51 | 3.75 | 3.25 | 2.10 | 1.9606 | 0.6890 | 0.7402 | 7/16 | 4,683 | 2,626 | SNC 207 | SFBM 207 | 3.1 |
| SNCSFBM207-23 | 1 7/16 | 6.13 | 2.38 | 2.00 | 1.25 | 0.83 | 0.53 | 1.44 | 0.51 | 3.75 | 3.25 | 2.10 | 1.9606 | 0.6890 | 0.7402 | 7/16 | 4,683 | 2,626 | SNC 207-23 | SFBM 207 | 3.1 |
| SNCSFBM208-24 | 1 /12 | 6.44 | 2.38 | 1.97 | 1.63 | 0.83 | 0.69 | 1.41 | 0.47 | 3.94 | 3.06 | 2.20 | 2.1220 | 0.7480 | 0.8425 | 3/8 | 5,294 | 3,057 | SNC 208-24 | SFBM 208 | 4.2 |
| SNCSFBM208-25 | 1 9/16 | 6.44 | 2.38 | 1.97 | 1.63 | 0.83 | 0.69 | 1.41 | 0.47 | 3.94 | 3.06 | 2.20 | 2.1220 | 0.7480 | 0.7480 | 3/8 | 5,294 | 3,057 | SNC 208-25 | SFBM 208 | 4.2 |
| SNCSFBM208 | 40 | 6.44 | 2.38 | 1.97 | 1.63 | 0.83 | 0.69 | 1.41 | 0.47 | 3.94 | 3.06 | 2.20 | 2.1220 | 0.7480 | 0.7480 | 3/8 | 5,294 | 3,057 | SNC 208 | SFBM 208 | 4.2 |
| SNCSFBM209-26 | 1 5/8 | 6.88 | 2.56 | 2.13 | 1.69 | 0.86 | 0.75 | 1.38 | 0.47 | 4.19 | 3.16 | 2.23 | 2.1220 | 0.7480 | 0.7480 | 3/8 | 5,294 | 3,057 | SNC 209-26 | SFBM 209 | 4.6 |
| SNCSFBM209-27 | 1 11/16 | 6.88 | 2.56 | 2.13 | 1.69 | 0.86 | 0.75 | 1.38 | 0.47 | 4.19 | 3.16 | 2.23 | 2.1220 | 0.7480 | 0.7480 | 3/8 | 5,294 | 3,057 | SNC 209-27 | SFBM 209 | 4.6 |
| SNCSFBM209-28 | 1 3/4 | 6.88 | 2.56 | 2.13 | 1.69 | 0.86 | 0.75 | 1.38 | 0.47 | 4.19 | 3.16 | 2.23 | 2.1220 | 0.7480 | 0.7480 | 3/8 | 5,294 | 3,057 | SNC 209-28 | SFBM 209 | 4.6 |
| SNCSFBM209 | 45 | 6.88 | 2.56 | 2.13 | 1.69 | 0.86 | 0.75 | 1.38 | 0.47 | 4.19 | 3.16 | 2.23 | 2.1220 | 0.7480 | 0.7480 | 3/8 | 5,294 | 3,057 | SNC 209 | SFBM 209 | 4.6 |
| SNCSFBM210-30 | 1 7/8 | 7.50 | 2.94 | 2.75 | 1.63 | 0.86 | 0.56 | 1.50 | 0.52 | 4.66 | 4.00 | 2.36 | 2.2480 | 0.7480 | 0.9685 | 7/16 | 6,402 | 4,046 | SNC 210-30 | SFBM 210 | 5.5 |
| SNCSFBM210-31 | 1 15/16 | 7.50 | 2.94 | 2.75 | 1.63 | 0.86 | 0.56 | 1.50 | 0.52 | 4.66 | 4.00 | 2.36 | 2.2480 | 0.7480 | 0.9685 | 7/16 | 6,402 | 4,046 | SNC 210-31 | SFBM 210 | 5.5 |
| SNCSFBM210 | 50 | 7.50 | 2.94 | 2.75 | 1.63 | 0.86 | 0.56 | 1.50 | 0.52 | 4.66 | 4.00 | 2.36 | 2.2480 | 0.7480 | 0.9685 | 7/16 | 6,402 | 4,046 | SNC 210 | SFBM 210 | 5.5 |
| SNCSFBM210-32 | 2 | 7.50 | 2.94 | 2.75 | 1.63 | 0.86 | 0.56 | 1.50 | 0.52 | 4.66 | 4.00 | 2.36 | 2.2480 | 0.7480 | 0.9685 | 7/16 | 6,402 | 4,046 | SNC 210-32 | SFBM 210 | 5.5 |
![]() | ![]() |
Bearing # | Shaft Diameter (d) | (A) | (H) | (E) | (J) | (I) | (G) | (L) | (S) | (B) | (F) | (Z) | (Bi) | (N) | (M) | Bolt Size | Dynamic Load Rating (LBS) | Static Load Rating (LBS) | Bearing Insert | Housing Number | Weight (LBS) |
|---|---|---|---|---|---|---|---|---|---|---|---|---|---|---|---|---|---|---|---|---|---|
| SUESFBM204-12 | 3/4 | 4.25 | 1.70 | 1.50 | 0.87 | 0.63 | 0.31 | 1.00 | 0.39 | 2.50 | 2.38 | 1.43 | 1.2992 | 0.5000 | 0.7205 | 5/16 | 2,331 | 1,142 | SUE 204-12 | SFBM204 | 1.3 |
| SUESFBM204 | 20 | 4.25 | 1.70 | 1.50 | 0.87 | 0.63 | 0.31 | 1.00 | 0.39 | 2.50 | 2.38 | 1.43 | 1.2992 | 0.5000 | 0.7205 | 5/16 | 2,331 | 1,142 | SUE 204 | SFBM | 1.3 |
| SUESFBM205-14 | 7/8 | 4.75 | 1.81 | 1.63 | 1.13 | 0.66 | 0.39 | 1.13 | 0.39 | 2.75 | 2.50 | 1.49 | 1.3937 | 0.5630 | 0.7795 | 5/16 | 2,542 | 1,349 | SUE 205-14 | SFBM205 | 1.5 |
| SUESFBM205-15 | 15/16 | 4.75 | 1.81 | 1.63 | 1.13 | 0.66 | 0.39 | 1.13 | 0.39 | 2.75 | 2.50 | 1.49 | 1.3937 | 0.5630 | 0.7795 | 5/16 | 2,542 | 1,349 | SUE 205-15 | SFBM205 | 1.5 |
| SUESFBM205 | 25 | 4.75 | 1.81 | 1.63 | 1.13 | 0.66 | 0.39 | 1.13 | 0.39 | 2.75 | 2.50 | 1.49 | 1.3937 | 0.5630 | 0.7795 | 5/16 | 2,542 | 1,349 | SUE 205 | SFBM205 | 1.5 |
| SUESFBM205-16 | 1 | 4.75 | 1.81 | 1.63 | 1.13 | 0.66 | 0.39 | 1.13 | 0.39 | 2.75 | 2.50 | 1.49 | 1.3937 | 0.5630 | 0.7795 | 5/16 | 2,542 | 1,349 | SUE 205-16 | SFBM205 | 1.5 |
| SUESFBM206-17 | 1 1/16 | 5.38 | 2.06 | 1.88 | 1.25 | 0.73 | 0.39 | 1.25 | 0.39 | 3.25 | 2.75 | 1.67 | 1.5669 | 0.6262 | 0.8710 | 5/16 | 3,554 | 1,942 | SUE206-17 | SFBM206 | 1.6 |
| SUESFBM206-18 | 1 1/8 | 5.38 | 2.06 | 1.88 | 1.25 | 0.73 | 0.39 | 1.25 | 0.39 | 3.25 | 2.75 | 1.67 | 1.5669 | 0.6262 | 0.8710 | 5/16 | 3,554 | 1,942 | SUE 206-18 | SFBM206 | 1.6 |
| SUESFBM206 | 30 | 5.38 | 2.06 | 1.88 | 1.25 | 0.73 | 0.39 | 1.25 | 0.39 | 3.25 | 2.75 | 1.67 | 1.5669 | 0.6262 | 0.8710 | 5/16 | 3,554 | <
Address
Luotuo Industrial Area, Zhenhai District, Ningbo City, China
Tel
