Steel Round Splined Hubs
Steel round splined hubs are mechanical components that are used in power transmission systems to connect rotating shafts together. These splined hubs are designed with splines on their outer surface that mesh with corresponding splines on the inner surface of a mating component, such as a shaft or a coupling. The splines provide a secure and precise fit, allowing for torque to be transmitted between the components without slipping.Steel round splined hubs are typically made from high-strength steel and are available in a range of sizes and configurations to suit different applications. They may be used in a variety of industrial machinery, such as pumps, compressors, conveyors, and machine tools, where they are used to transmit power from a motor or engine to a driven component.Overall, steel round splined hubs are an important component in many power transmission systems, providing a reliable and efficient means of transmitting torque between rotating components. If you are looking for a strong, durable, and versatile way to connect two shafts together, then a steel round splined hub is a great option. They are available in a variety of sizes and styles to meet the specific needs of different applications.
![]() | ![]() |
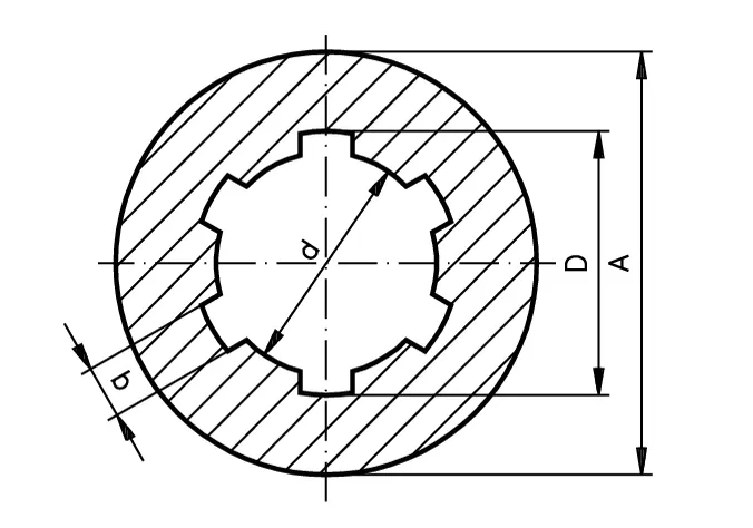
| Profile Type [mm] | Material | No. of Splines | Foot Circle Diameter D [mm] | Inner Diameter d [mm] | Spline Width b [mm] | Outer Diameter A [mm] | Length [mm] | Weight [kg] |
| KN 11 x 14 | Steel | 6 | 14 | 11 | 3 | 20 | 40 | 0.06 |
| KN 13 x 16 | Steel | 6 | 16 | 13 | 3.5 | 28 | 45 | 0.16 |
| KN 16 x 20 | Steel | 6 | 20 | 16 | 4 | 32 | 45 | 0.2 |
| KN 18 x 22 | Steel | 6 | 22 | 18 | 5 | 40 | 50 | 0.27 |
| KN 21 x 25 | Steel | 6 | 25 | 21 | 5 | 40 | 55 | 0.36 |
| KN 23 x 28 | Steel | 6 | 28 | 23 | 6 | 50 | 55 | 0.47 |
| KN 26 x 32 | Steel | 6 | 32 | 26 | 6 | 52 | 60 | 0.7 |
| KN 28 x 34 | Steel | 6 | 34 | 28 | 7 | 60 | 60 | 0.76 |
| KN 32 x 38 | Steel | 8 | 38 | 32 | 6 | 60 | 60 | 0.88 |
| KN 36 x 42 | Steel | 8 | 42 | 36 | 7 | 70 | 65 | 1.08 |
| KN 42 x 48 | Steel | 8 | 48 | 42 | 8 | 65 | 70 | 0.94 |
| KN 42 x 48 | Steel | 8 | 48 | 42 | 8 | 80 | 70 | 1.88 |
| KN 46 x 54 | Steel | 8 | 54 | 46 | 9 | 80 | 90 | 2.25 |
![]() | ![]() |
| Feature | Steel Round Splined Hubs | Brass Round Splined Hubs |
|---|---|---|
| Strength | Stronger | Weaker |
| Durability | More durable | Less durable |
| Corrosion resistance | More resistant to corrosion | Less resistant to corrosion |
| Weight | Heavier | Lighter |
| Cost | More expensive | Less expensive |
| Machinability | Less machinable | More machinable |
![]() | ![]() |
| Steel Round Splined Hubs | Brass Round Splined Hubs |
|---|
![]() | ![]() |
Address
Luotuo Industrial Area, Zhenhai District, Ningbo City, China
Tel
