Red Brass Round Splined Hubs
Red brass round splined hubs are a type of mechanical component used in various applications, particularly in machinery and equipment that require the transmission of power or torque between two rotating shafts. A splined hub is a cylindrical hub that has multiple longitudinal ridges or splines on its outer surface. The splines are designed to engage with matching grooves on the inner surface of a mating component, such as a shaft or gear. This allows the spline hub to transmit torque to the mating component while allowing for some axial and radial movement between the two parts.Red brass round splined hubs are made of red brass, which is a type of copper alloy that has good corrosion resistance and high strength. They are typically used in applications that require high torque transmission and good resistance to wear and corrosion. Some common applications of red brass round splined hubs include industrial machinery, marine equipment, and heavy-duty vehicles.
![]() | ![]() |
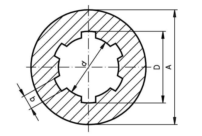
| Profile Type [mm] | Material | No. of Splines | Foot Circle Diameter D [mm] | Inner Diameter d [mm] | Spline Width b [mm] | Outer Diameter A [mm] | Length [mm] | Weight [kg] |
| KN 11 x 14 | Red Brass | 6 | 14 | 11 | 3 | 20 | 40 | 0.08 |
| KN 13 x 16 | Red Brass | 6 | 16 | 13 | 3.5 | 28 | 45 | 0.18 |
| KN 16 x 20 | Red Brass | 6 | 20 | 16 | 4 | 32 | 45 | 0.22 |
| KN 18 x 22 | Red Brass | 6 | 22 | 18 | 5 | 40 | 50 | 0.3 |
| KN 21 x 25 | Red Brass | 6 | 25 | 21 | 5 | 40 | 55 | 0.42 |
| KN 23 x 28 | Red Brass | 6 | 28 | 23 | 6 | 50 | 55 | 0.54 |
| KN 26 x 32 | Red Brass | 6 | 32 | 26 | 6 | 52 | 60 | 0.78 |
| KN 28 x 34 | Red Brass | 6 | 34 | 28 | 7 | 60 | 60 | 0.87 |
| KN 32 x 38 | Red Brass | 8 | 38 | 32 | 6 | 60 | 60 | 1.00 |
| KN 36 x 42 | Red Brass | 8 | 42 | 36 | 7 | 70 | 65 | 1.23 |
| KN 42 x 48 | Red Brass | 8 | 48 | 42 | 8 | 65 | 70 | 1.1 |
| KN 42 x 48 | Red Brass | 8 | 48 | 42 | 8 | 80 | 70 | 2.16 |
| KN 46 x 54 | Red Brass | 8 | 54 | 46 | 9 | 80 | 90 | 2.49 |

| Feature | Red Brass Round Splined Hubs | Stainless Steel Round Splined Hubs |
|---|---|---|
| Material | Copper alloy | Stainless steel |
| Strength | Strong | Very strong |
| Durability | Durable | Very durable |
| Corrosion resistance | Good | Excellent |
| Cost | Inexpensive | Expensive |
| Typical applications | Marine, industrial | Food and beverage processing, medical, pharmaceutical |
![]() | ![]() |
| Red Brass Round Splined Hubs | Stainless Steel Round Splined Hubs |
|---|
Address
Luotuo Industrial Area, Zhenhai District, Ningbo City, China
Tel
