Swivel Nut Run Tee Fitting-EL Hydraulic Fittings
Swivel Nut Run Tee-EL hydraulic fittings are a type of high-pressure hydraulic fitting that is used to connect three hydraulic lines in a T-shaped configuration. The fittings are designed to be easy to install and remove, and they are available in a variety of sizes and materials to meet the needs of a wide range of applications.
One of the key features of Swivel Nut Run Tee-EL hydraulic fittings is the swivel nut design. The swivel nut allows the fitting to be rotated after it has been tightened, which can be helpful in tight spaces or when aligning the fitting with other components. The fittings also feature a positive seal design that prevents leaks, even under high pressure.
Swivel Nut Run Tee-EL hydraulic fittings are typically used in applications where high pressure and durability are required, such as construction equipment, agricultural machinery, and industrial automation. The fittings are also commonly used in mobile hydraulic systems, such as those found in forklifts, cranes, and excavators.


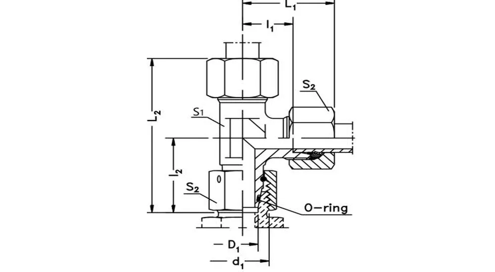
| ELPart No. | Series Working Pressure (bar/psi) | Tube o.d. | d1 thread | l1 | l2 | L1 | S1 | S2 | O-ring |
| EL06L | L Light 250 bar4560 psi | 6 | M12 x1.5 | 12 | 26 | 27 | 53 | 14 | OR4.5 x1.5 |
| EL08L | 8 | M14x1.5 | 14 | 27.5 | 29 | 56 | 17 | OR6.5 x1.5 | |
| EL10L | 10 | M16x1.5 | 15 | 29 | 30 | 59 | 19 | OR8x1.5 | |
| EL12L | 12 | M18x1.5 | 17 | 29.5 | 32 | 61 | 22 | OR10x1.5 | |
| EL15L | 15 | M22x1.5 | 21 | 32.5 | 36 | 69 | 27 | OR12x2 | |
| EL18L | 18 | M26x1.5 | 23.5 | 35.5 | 40 | 75 | 32 | OR15x2 | |
| EL22L | 160 bar 2320psi | 22 | M30 x2 | 27.5 | 38.5 | 44 | 82 | 36 | OR20x2 |
| EL28L | 28 | M36 x2 | 30.5 | 41.5 | 47 | 89 | 41 | OR26x2 | |
| EL35L | 35 | M45 x2 | 34.5 | 51 | 56 | 107 | 50 | OR32x2.5 | |
| EL42L | 42 | M52 x2 | 40 | 56 | 63 | 119 | 60 | OR38x2.5 | |
| EL06S | S Heavy 630bar 9130psi | 6 | M14x1.5 | 16 | 27 | 31 | 58 | 17 | OR4.5x1.5 |
| EL08S | 8 | M16x1.5 | 17 | 27.5 | 32 | 59 | 19 | OR6.5x1.5 | |
| EL10S | 10 | M18x1.5 | 17.5 | 30 | 34 | 64 | 22 | OR8x1.5 | |
| EL12S | 12 | M20x1.5 | 21.5 | 31 | 38 | 69 | 24 | OR10x1.5 | |
| EL14S | 14 | M22x1.5 | 22 | 35 | 40 | 75 | 27 | OR11x2 | |
| EL16S | 400 bar5800 psi | 16 | M24 x1.5 | 24.5 | 36.5 | 43 | 79 | 30 | OR13x2 |
| EL20S | 20 | M30 x2 | 26.5 | 44.5 | 48 | 93 | 36 | OR16.3x2.4 | |
| EL25S | 25 | M36 x2 | 30 | 50 | 54 | 104 | 46 | OR20.3x2.4 | |
| EL30S | 30 | M42 x2 | 35.5 | 55 | 62 | 117 | 50 | OR25.3x2.4 | |
| EL38S | 315 bar4560 psi | 38 | M52 x2 | 41 | 63 | 72 | 135 | 60 | OR33.3x2.4 |
Swivel nut run tee-EL hydraulic fittings offer a number of advantages over other types of hydraulic fittings, including:
1. Ease of installation and removal: The swivel nut design allows for easy tightening and loosening of the fitting, even in tight spaces. This can be a significant advantage in applications where hydraulic fittings need to be installed and removed frequently.2. Leak-tight performance: Swivel nut run tee-EL hydraulic fittings are designed to provide a leak-tight seal, even under high pressure and vibration. This is due to the use of a high-quality seal material and a precise machining process.3. Corrosion resistance: Swivel nut run tee-EL hydraulic fittings are typically made from corrosion-resistant materials, such as stainless steel or zinc-plated steel. This makes them ideal for use in harsh environments where other types of fittings may rust or corrode.4. Versatility: Swivel nut run tee-EL hydraulic fittings are available in a wide range of sizes and configurations, making them suitable for a wide variety of applications. They can be used to connect tubes, hoses, and other hydraulic components.Here are some specific applications where swivel nut run tee-EL hydraulic fittings are commonly used:
(1) Construction equipment: Swivel nut run tee-EL hydraulic fittings are often used in construction equipment, such as excavators, bulldozers, and backhoes. These machines operate in harsh environments and require hydraulic fittings that are durable and leak-tight.(2) Agricultural equipment: Swivel nut run tee-EL hydraulic fittings are also used in agricultural equipment, such as tractors, harvesters, and sprayers. These machines also operate in harsh environments and require hydraulic fittings that are reliable and low-maintenance.(3) Industrial applications: Swivel nut run tee-EL hydraulic fittings are also used in a variety of industrial applications, such as manufacturing plants, oil and gas facilities, and power plants. In these applications, hydraulic fittings need to be able to withstand high pressures, temperatures, and vibration.![]() | ![]() |

Address
Luotuo Industrial Area, Zhenhai District, Ningbo City, China
Tel
