THD225 Series Precision Hollow Rotating Platform
THD225 series precision hollow, rotating platform is a groundbreaking solution designed to revolutionize your applications with unrivaled precision and versatility. Engineered with cutting-edge technology and a focus on performance, this rotating platform sets a new standard for accuracy and reliability.The THD225 series precision hollow, rotating platform is a game-changer in precision motion control. Its unparalleled precision, versatile hollow design, high load capacity, and smooth operation open new horizons for various applications. By following the recommended usage methods and maintenance practices, you can ensure optimal performance and maximize the lifespan of this extraordinary product. Experience the power of precision with the THD225 series precision hollow rotating platform and unlock the full potential of your applications.
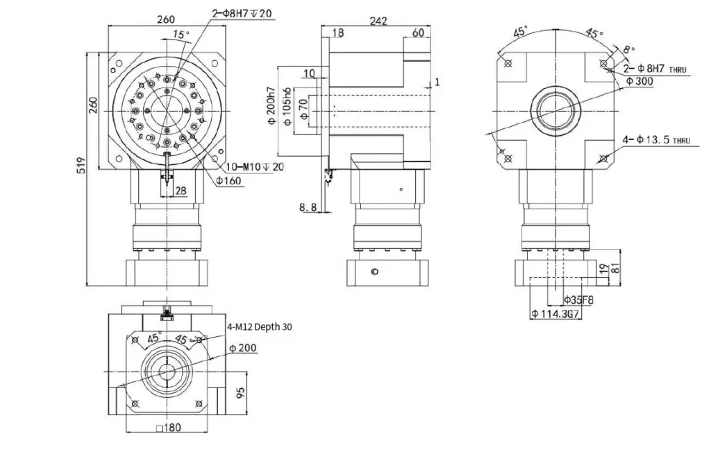
THD225-L1 Size Diagram:
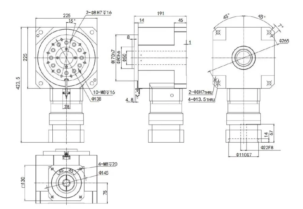
THD225-L2 Size Diagram:







Installation direction free designTH rotating platform, in addition to horizontal installation, can be installed vertically or upside down; the device design range is wide.Please note when using:The hollow rotary transmission occasionally has a small amount of oil leaking out.If the oil leakage causes pollution to the surrounding environment, please check regularly.Check to confirm or install the oil tray and other devices.
The motor can refer to the example diagram to provide the relevant size.


Address
Luotuo Industrial Area, Zhenhai District, Ningbo City, China
Tel
