
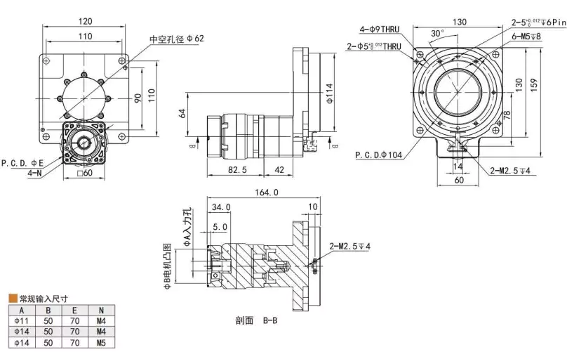
| Specifications | THG130(i) |
| Reduction ratio | 30/40/50/70/80/100 |
| Rated torque | 55/50/60/50/45/40Nm |
| Adapted motor | 200/400W AC Servo motor |
| Emergency stop torque | 3x rated torque |
| Rated input speed | 5000rpm |
| Maximum input speed | 10000rpm |
| Return gap | ≤1arcmin |
| Torsional rigidity | 7Mn/arcmin |
| Permissible radial force | 1530N |
| Permissible axial force | 765N |
| Service life | 2000hr (Continuous operation reduces service life by 50%) |
| Transmission efficiency | 97% |
| Working temperature | -10-+90℃ |
| Protection level | IP65 |
| Lubrication | synthetic lubricating oil and grease |
| Noise | ≤58dB(A) |
| Moment of inertia | 0.13kg.cm² |
| Weight | 3.8kg |

The cross-roller bearing provides high rigidity and accuracy, while the precision gear ensures smooth and precise rotation. The input mounting flange and input shaft allow for easy installation and connection to the drive system. The sensing device provides feedback to ensure accurate positioning and control.
The Hollow Rotary Actuator provides high precision, high torque output, and compact size, making it suitable for many industrial applications.| Factor | Description |
|---|---|
| Load capacity | Determines the maximum load the actuator can handle |
| Speed and accuracy | Determines the required rotation speed and accuracy of the actuator |
| Environmental conditions | Determines the temperature, humidity, and other environmental factors that the actuator will be exposed to |
| Integration requirements | Determines the required mounting and integration features of the actuator |

Address
Luotuo Industrial Area, Zhenhai District, Ningbo City, China
Tel
