

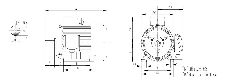
Dimensions for Mounting Arrangements B3

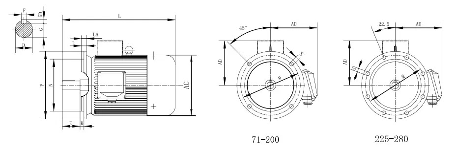
Dimensions for Mounting Arrangements B5

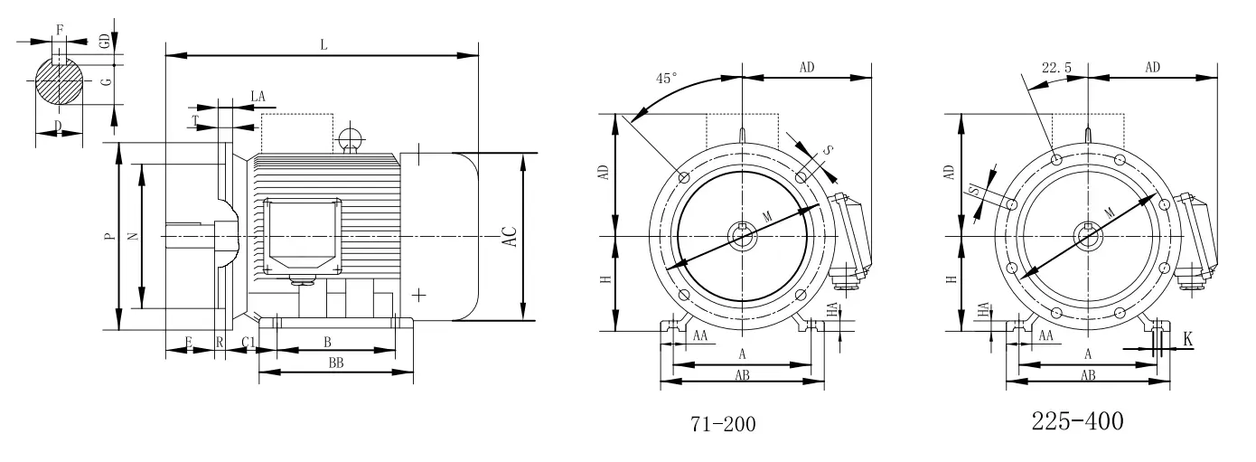
Dimensions for Mounting Arrangements B35

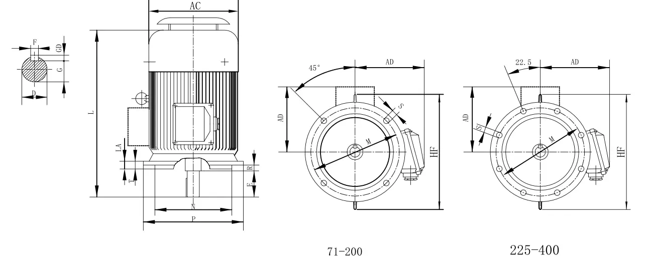
Dimensions for Mounting Arrangements V1
A typical 3 phase synchronous motor diagram illustrates the stator with three-phase windings, rotor with permanent magnets, and auxiliary components like the fan and terminal board. In the TYC series (IP55) Rare Earth Permanent Magnet Three-Phase Synchronous Motor, the diagram shows a cylindrical rotor for non-salient pole configuration, enabling smooth torque production. The phasor diagram reveals the relationship between armature current, excitation, and power factor, where:
Model | Rated Power (kW) | Rated Frequency (Hz) | Rated Voltage (V) | Rated Current (A) | 100%Load Efficiency | 50%Load Efficiency | 25%Load Efficiency | ||||||
|---|---|---|---|---|---|---|---|---|---|---|---|---|---|
| Efficiency (%) | cosφ | Current (A) | Efficiency (%) | cosφ | Current (A) | Efficiency (%) | cosφ | Current (A) | |||||
| TYC22-3000-2160MB | 22 | 200 | 380 | 36.7 | 94.9 | 0.95 | 36.7 | 94.0 | 0.95 | 18.6 | 91.2 | 0.87 | 10.5 |
| IE4-180M-2 | 22 | 50 | 380 | 40.0 | 94.0 | 0.89 | 40.0 | 92.0 | 0.81 | 22.4 | 85.9 | 0.63 | 15.4 |
| IE3-180M-2 | 22 | 50 | 380 | 40.5 | 92.7 | 0.89 | 40.5 | 90.7 | 0.81 | 22.8 | 84.6 | 0.63 | 15.7 |


| Model | Power (kW) | Voltage (V) | Current (A) | Efficiency (%) | Cos φ | Frequency (Hz) | Weight (kg) |
|---|---|---|---|---|---|---|---|
| TYC0.25-1500-Z71M6 | 0.25 | 380 | 0.48 | 74.6 | - | 75 | 4.5 |
| TYC22-1500-Z180L2 | 22 | 380 | 36.9 | 95.3 | 0.95 | 1.0 (service) | 136 |
| TYC630-1500-Z400L12 | 630 | 380 | 1038 | 97.1 | - | - | 2850 |
In petrochemicals, marine transportation, and pharmaceuticals, the motor's high seismic resistance and low inertia support critical operations. For electric vehicles, it provides peak powers from 80 kW to 350 kW with efficiencies boosting range.To quantify energy savings, consider the efficiency formula:
Raydafon, is a national high-tech enterprise specializing in ultra-high-efficiency motors. With a registered capital of 20 million RMB and over 100 employees, Raydafon focuses on R&D, production, and sales of specialized motors, including the TYC series. Recognized as a Specialized, Refined, Unique, and Innovative (SRUI) Enterprise, Raydafon holds ISO9001, CE, and CCC certifications, exporting to Europe, America, Asia, Africa, and beyond. Committed to innovation, Raydafon provides high-quality products and excellent service, driving advancements in energy-efficient motor technology.Address
Luotuo Industrial Area, Zhenhai District, Ningbo City, China
Tel
