Our Worm Reducer is the perfect replacement for the PREMIUM Modular MO Mark I 400 Worm Gearbox. With a wide range of specifications, including a rated power of up to 350 kW, reduction ratios from 5:1 to 3000:1, and dimensions of up to 203.2 mm (8 inches), it boasts high wear resistance and strength. Its compact design makes it easy to install and maintain, and lubrication requires no special care except to fill the oil to the required level. Its high durability and load-bearing capacity make it an ideal choice for various industries.
The Worm Reducer is composed of several parts, each with its own unique function:

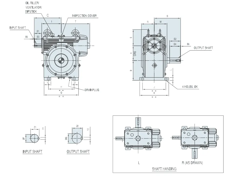
The Worm Reducer series is based on a universal housing for each size, with highly universal components and interchangeability. All devices are equipped with double extended input shafts, and changing the operation mode is as simple as moving the fan and rectifier from one end to the other. Changing the installation position from underdriven to overdriven is as easy as inverting the device and repositioning the oil drain plug, filler/breather, and removable foot. The principle of interchangeability enables comprehensive maintenance of inventory and faster delivery. Its robust, compact, streamlined design, with fewer components and a large heat capacity, is aesthetically pleasing with fewer bolts and screws.

The Worm Reducer is widely used in various industries, including:

Several factors need to be taken into account, including:
Our company provides a high-quality and cost-effective replacement for the PREMIUM Worm Gearbox. Our product is a replacement part, not an original part, and we only provide replacement parts for original parts. If you need to purchase an original part, please contact the original supplier. Our Worm Reducer is an excellent replacement option, with several advantages:

As a comprehensive transmission equipment manufacturer, we offer a wide range of products, including electric motors that complement our Worm Reducer. Together, they form a perfect combination that can meet the needs of various industries. Our company has been serving customers in Europe, America, Africa, Asia, and other regions for more than 20 years, and we have won the praise of the market for our high-quality products, competitive prices, and excellent customer service. Our gearboxes are widely used in equipment industry, food industry, car washing industry, packaging industry, transmission industry, automation industry, solar energy industry, and many other industries.

The gears and bearings of the gearbox are lubricated by the lubricating oil splashed from the oil sump. The modular series Worm Gear Reducer is equipped with a dipstick-oil filter and breather. Apart from occasionally adding lubricating oil to the required level, no special care is required. The input and output shafts are fitted with chloroprene rubber lip-type oil seals. Forced lubrication is required for extremely low speeds below 50 rpm. The reducer is shipped without lubricating oil and must be filled with the correct amount of lubricating oil. The correct oil level must be ensured, as overfilling can cause oil agitation, resulting in overheating and leakage.

The gearbox requires weekly checks, including:
Regular oil changes are essential to ensure trouble-free operation of the equipment. The frequency of oil changes depends on several factors, including oil temperature, oil type, environment, and operating conditions. In high-temperature conditions, the effective life of the oil is significantly shortened. To prevent equipment damage from oil failure, lubricating oil should be updated on time.

A: The Worm Reducer is an excellent replacement for the PREMIUM Modular MO Mark I 400 Worm Gearbox. It boasts high wear resistance, strength and durability, making it an ideal choice for various industries. It is also cost-effective and easy to install and maintain.
A: Yes, the Worm Reducer is widely used in various industries, including mining, oil and gas, packaging and labeling, pulp and paper, power generation, rubber and plastics, sugar, cement, chemical, food and beverage, material handling, and steel.
A: The gears and bearings of the Worm Gear Reducer are lubricated by the lubricating oil splashed from the oil sump. The reducer is shipped without lubricating oil and must be filled with the correct amount of lubricating oil. The correct oil level must be ensured, as overfilling can cause oil agitation, resulting in overheating and leakage.
Address
Luotuo Industrial Area, Zhenhai District, Ningbo City, China
Tel
