
![]() | ![]() |
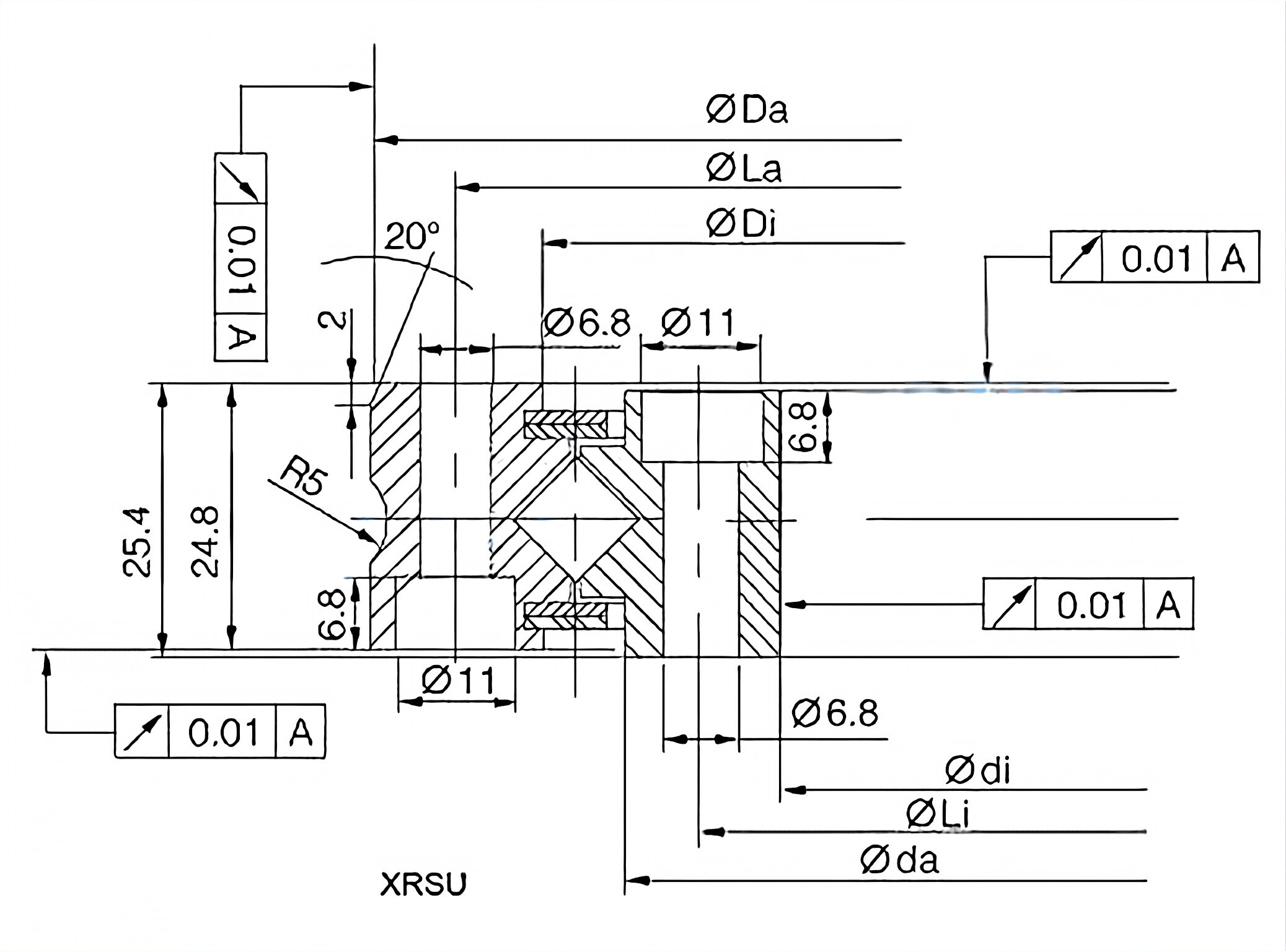
| shaft diameter | Model number | Main dimensions (mm) | Basic load rating(axial) | Basic load rating (radial) | Limiting speed | weight | ||||||||
| inner ring d | outer ring D | width B | nB | chamfer r(min) | ①La | (DLi | Ca kN | Coa KN | Cr KN | Cor KN | r/min | Kg | ||
| 130 | XSU080168 | 130 | 205 | 25.4 | 12 | 1.1 | 190 | 145 | 66 | 240 | 42 | 96 | 227 | 3.3 |
| 150 | XSU080188 | 150 | 225 | 25.4 | 16 | 1.1 | 210 | 165 | 71 | 275 | 46 | 110 | 203 | 3.7 |
| 180 | XSU080218 | 180 | 255 | 25.4 | 20 | 1.1 | 240 | 195 | 77 | 315 | 49 | 127 | 175 | 4.3 |
| 220 | XSU080258 | 220 | 295 | 25.4 | 24 | 1.5 | 280 | 235 | 84 | 375 | 54 | 151 | 148 | 5.1 |
| 280 | XSU080318 | 280 | 355 | 25.4 | 28 | 1.5 | 340 | 295 | 93 | 465 | 59 | 185 | 120 | 6.3 |
| 360 | XSU080398 | 360 | 435 | 25.4 | 36 | 2 | 420 | 375 | 106 | 590 | 68 | 236 | 96 | 7.8 |
![]() |
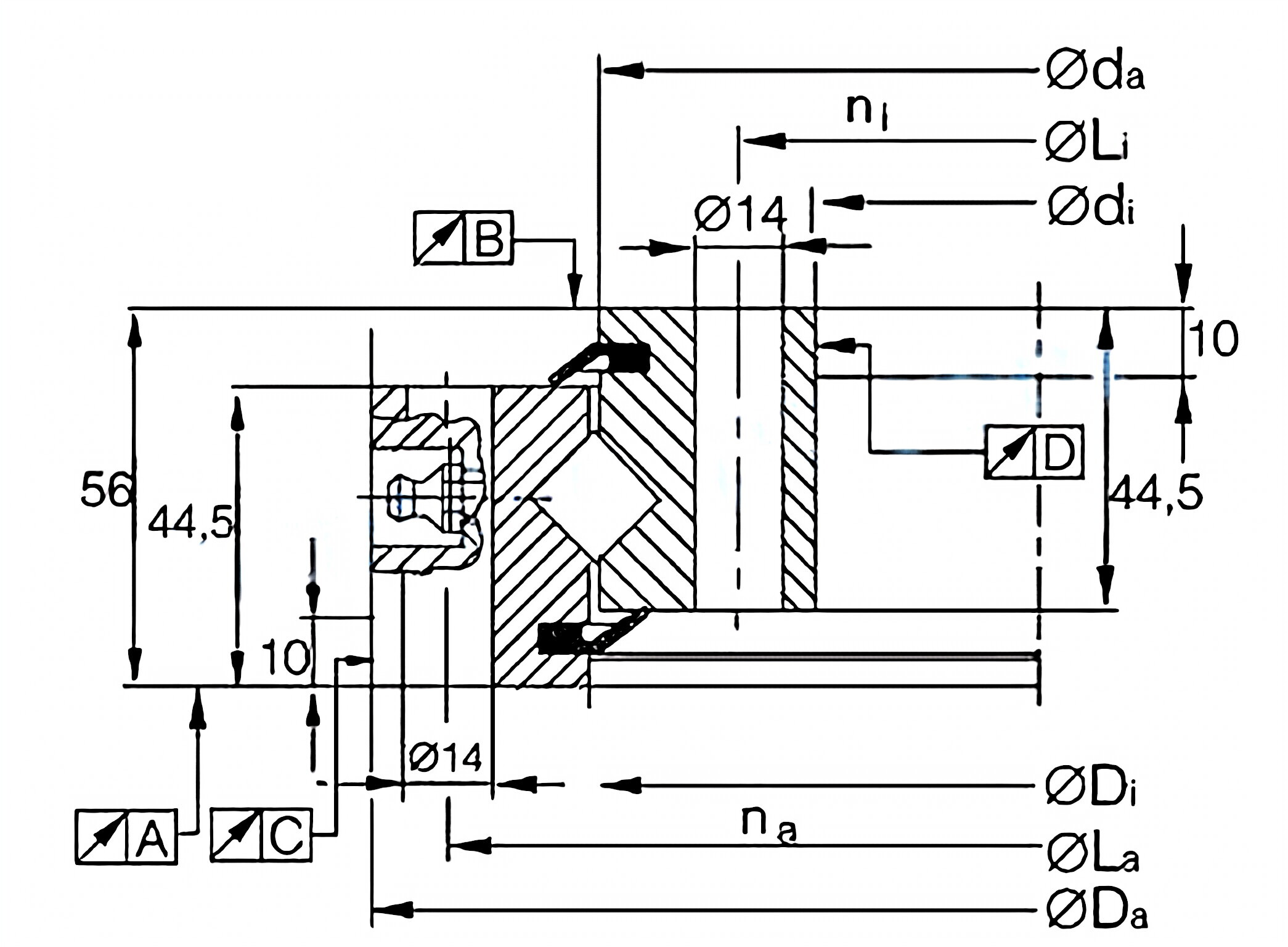
| Type code | Da | di | La | na/ni | Li | Di | da | A | B | C | D | Weight/kg |
| XSU140414 | 484 | 344 | 460 | 24 | 368 | 415 | 413 | 0.04 | 0.04 | 0.04 | 0.06 | 28 |
| XSU140544 | 614 | 474 | 590 | 32 | 498 | 545 | 543 | 0.04 | 0.04 | 0.04 | 0.07 | 38 |
| XSU140644 | 714 | 574 | 690 | 36 | 598 | 645 | 643 | 0.05 | 0.05 | 0.05 | 0.08 | 44 |
| XSU140744 | 814 | 674 | 790 | 40 | 698 | 745 | 743 | 0.05 | 0.05 | 0.05 | 0.09 | 52 |
| XSU140844 | 914 | 774 | 890 | 40 | 798 | 845 | 843 | 0.06 | 0.06 | 0.06 | 0.09 | 60 |
| XSU140944 | 1014 | 874 | 990 | 44 | 898 | 945 | 943 | 0.11 | 0.11 | 0.11 | 0.11 | 67 |

Address
Luotuo Industrial Area, Zhenhai District, Ningbo City, China
Tel
