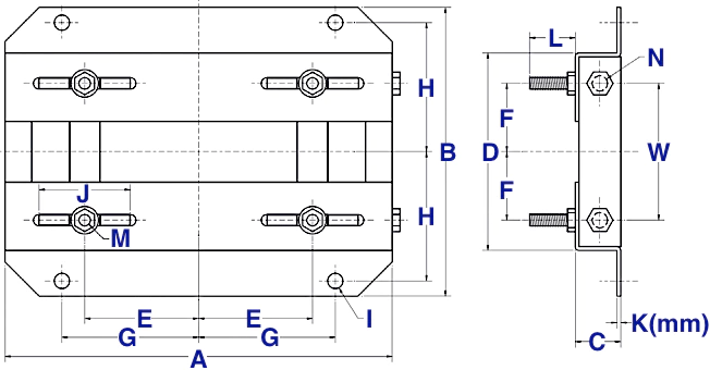
Frame | (A) | (B) | (C) | (D) | (E) | (F) | (G) | (H) | (I) | (J) | (K) mm | (L) | (M) | (N) | (W) | Weight (LBS) |
|---|---|---|---|---|---|---|---|---|---|---|---|---|---|---|---|---|
| 182T | 12.75?? | 9.50?? | 1.50?? | 6.50?? | 3.75?? | 2.25?? | 4.50?? | 4.25?? | 0.5?? | 3?? | 3.5mm | 1.5?? | 3/8 X 1-3/4 | 1/2 X 6 | 4.5?? | 10 |
| 184T | 12.75?? | 10.5?? | 1.5?? | 7.5?? | 3.75?? | 2.75?? | 4.5?? | 4.75?? | 0.5?? | 3?? | 3.5mm | 1.5?? | 3/8 X 1-3/4 | 1/2 X 6 | 5.5?? | 10 |
| 213T | 15?? | 11?? | 1.75?? | 7.5?? | 4.25?? | 2.75?? | 5.25?? | 4.75?? | 0.5?? | 3.5?? | 3.8mm | 1.5?? | 3/8 X 1-3/4 | 1/2 X 6 | 5.5?? | 15 |
| 215T | 15?? | 12.5?? | 1.75?? | 9?? | 4.25?? | 3.5?? | 5.25?? | 5.5?? | 0.5?? | 3.5?? | 3.8mm | 1.5?? | 3/8 X 1-3/4 | 1/2 X 6 | 7?? | 17 |
| 254T | 17.75?? | 15.125?? | 2?? | 10.75?? | 5?? | 4.125?? | 6.25?? | 6.625?? | 0.625?? | 4?? | 4.6mm | 1.4375?? | 1/2 X 1-3/4 | 5/8 X 6 | 5.3125?? | 19 |
| 256T | 17.75?? | 16.875?? | 2?? | 12.5?? | 5?? | 5?? | 6.25?? | 7.5?? | 0.625?? | 4?? | 4.6mm | 1.4375?? | 1/2 X 1-3/4 | 5/8 X 6 | 7?? | 20 |
| 284T | 19.75?? | 16.875?? | 2?? | 12.5?? | 5.5?? | 4.75?? | 7?? | 7.5?? | 0.625?? | 4.5?? | 4.6mm | 1.6875?? | 1/2 X 2 | 5/8 X 6 | 7?? | 24 |
| 286T | 19.75?? | 18.375?? | 2?? | 14?? | 5.5?? | 5.5?? | 7?? | 8.25?? | 0.625?? | 4.5?? | 4.6mm | 1.6875?? | 1/2 X 2 | 5/8 X 6 | 8?? | 25 |
| 324T | 22.75?? | 19.25?? | 2.5?? | 14?? | 6.25?? | 5.25?? | 8?? | 8.5?? | 0.75?? | 5.25?? | 4.6mm | 2.1875?? | 5/8 X 2-1/2 | 3/4 X 9 | 7?? | 35 |
| 326T | 22.75?? | 20.75?? | 2.5?? | 15.5?? | 6.25?? | 6?? | 8?? | 9.25?? | 0.75?? | 5.25?? | 4.6mm | 2.1875?? | 5/8 X 2-1/2 | 3/4 X 9 | 8.5?? | 36 |
| 364T | 25.5?? | 20.5?? | 2.5?? | 15.5?? | 7?? | 5.625?? | 9?? | 9.125?? | 0.75?? | 6?? | 5.8mm | 2.0625?? | 5/8 X 2-1/2 | 3/4 X 9 | 7.75?? | 49 |
| 365T | 25.5?? | 20.5?? | 2.5?? | 16.5?? | 7?? | 6.125?? | 9?? | 9.625?? | 0.75?? | 6?? | 5.8mm | 2.0625?? | 5/8 X 2-1/2 | 3/4 X 9 | 8.75?? | 50 |
| 404T | 28.75?? | 22.375?? | 3?? | 16.5?? | 8?? | 6.125?? | 10?? | 9.875?? | 0.875?? | 7?? | 5.8mm | 2.5?? | 3/4 X 3 | 3/4 X 11 | 8.75?? | 66 |
| 405T | 28.75?? | 23.875?? | 3?? | 18?? | 8?? | 6.875?? | 10?? | 10.625?? | 0.875?? | 7?? | 5.8mm | 2.5?? | 3/4 X 3 | 3/4 X 11 | 10.25?? | 68 |
| 444T | 31.25?? | 24.625?? | 3?? | 19.25?? | 9?? | 7.25?? | 11?? | 11?? | 0.875?? | 7.5?? | 5.8mm | 2.5?? | 3/4 X 3 | 3/4 X 11 | 11?? | 74 |
| 445T | 31.25?? | 26.625 | 3?? | 21.25?? | 9?? | 8.25?? | 11?? | 12?? | 0.875?? | 7.5?? | 5.8mm | 2.5?? | 3/4 X 3 | 3/4 X 11 | 13?? | 76 |
| 447T | 31.25?? | 30.125?? | 3?? | 24.75?? | 9?? | 10?? | 11?? | 13.75?? | 0.875?? | 7.5?? | 8mm | 3?? | 3/4 X 3-1/2 | 3/4 X 11 | 16.5?? | 102 |
| 449T | 31.25?? | 35.125?? | 3?? | 29.75?? | 9?? | 12.5?? | 11?? | 16.25?? | 0.875?? | 7.5?? | 8mm | 3?? | 3/4 X 3-1/2 | 3/4 X 11 | 21.5?? | 105 |
| 505T | 35?? | 30?? | 3.5?? | 22.75?? | 10?? | 9?? | 12.5?? | 13.5?? | 1?? | 8?? | 8mm | 3?? | 7/8 X 3-1/2 | 7/8 X 12 | 14.5?? | 137 |
The 405T Electric Motor Slide Base is a versatile and durable base that can be used in a variety of applications. Its high precision and accurate positioning make it an ideal choice for many different industries.
The Electric Motor Slide Base is designed to provide a stable and secure platform for electric motors. It is used to support and position the motor, and it can be adjusted to ensure precise alignment. The base is made of high-quality materials and is designed to withstand the rigors of industrial use.

The Electric Motor Slide Base is an integral part of the electrical system used in many industrial applications. It is designed to support and position the motor, and it can be adjusted to ensure precise alignment. The base is made of high-quality materials and is designed to withstand the rigors of industrial use.

The Electric Motor Slide Base is a product that has been used for many years in a variety of industrial applications. It is classified as a motor base and is known for its high precision and accurate positioning. The base is made of high-quality materials and is designed to withstand the rigors of industrial use. It is easy to install and maintain, and it is designed to reduce maintenance costs.
Raydafon is a leading manufacturer of motor bases in China. Our products include Electric Motor Slide Base, SMA Motor Base, MP Motor Base, Sliding Motor Bases, European Standard Motor Bases, and Adjustable Motor Base. We have a wide range of fully automated CNC production equipment, as well as automatic assembly equipment. We offer high-quality products at competitive prices and provide excellent customer service. We welcome customers to contact us for custom orders.
Adjustable Motor Bases

Address
Luotuo Industrial Area, Zhenhai District, Ningbo City, China
Tel
