
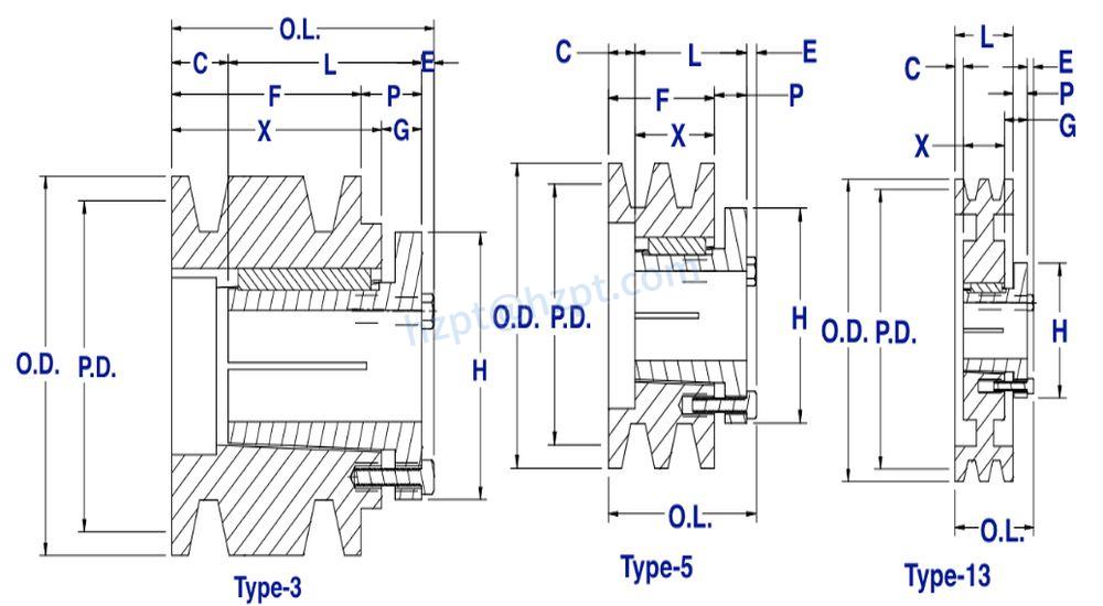
| Size | Bushing Type | Pitch Diameter (4L/A) | Pitch Diameter (5L/B) | Outside Diameter | Type | (O.L.) | (L) | (P) | (C) | (H) | (F) | (G) | (X) | (E) | Pulley Weight |
|---|---|---|---|---|---|---|---|---|---|---|---|---|---|---|---|
| 4TB34 | P2 | 3.0" | 3.4" | 3.75" | 3 | 4-9/16" | 2-15/16" | 1-1/16" | 1-3/8" | 3" | 3-1/4" | 5/8" | 2-5/16" | 1/4" | 4.5 |
| 4TB36 | P2 | 3.2" | 3.6" | 3.95" | 3 | 4-9/16" | 2-15/16" | 1-1/16" | 1-3/8" | 3" | 3-1/4" | 5/8" | 2-5/16" | 1/4" | 5.3 |
| 4TB38 | P1 | 3.4" | 3.8" | 4.15" | 5 | 4-1/8" | 1-5/16" | 5/8" | 1-15/16" | 3" | 3-1/4" | -- | 1-5/16" | 1/4" | 4.8 |
| 4TB40 | P1 | 3.6" | 4.0" | 4.35" | 5 | 4-1/8" | 1-5/16" | 5/8" | 1-15/16" | 3" | 3-1/4" | -- | 1-5/16" | 1/4" | 5.5 |
| 4TB42 | P1 | 3.8" | 4.2" | 4.55" | 5 | 4-1/8" | 1-5/16" | 5/8" | 1-15/16" | 3" | 3-1/4" | -- | 1-5/16" | 1/4" | 5.9 |
| 4TB44 | P1 | 4.0" | 4.4" | 4.75" | 13 | 3-1/2" | 1-5/16" | 0 | 1-5/16" | 3" | 3-1/4" | 5/8" | 1-5/16" | 1/4" | 6.5 |
| 4TB46 | P1 | 4.2" | 4.6" | 4.95" | 13 | 3-1/2" | 1-5/16" | 0 | 1-5/16" | 3" | 3-1/4" | 5/8" | 1-5/16" | 1/4" | 7.1 |
| 4TB48 | P1 | 4.4" | 4.8" | 5.15" | 13 | 3-1/2" | 1-5/16" | 0 | 1-5/16" | 3" | 3-1/4" | 5/8" | 1-5/16" | 1/4" | 7.5 |
| 4TB50 | P1 | 4.6" | 5.0" | 5.35" | 13 | 3-1/2" | 1-5/16" | 0 | 1-5/16" | 3" | 3-1/4" | 5/8" | 1-5/16" | 1/4" | 8.3 |
| 4TB52 | P1 | 4.8" | 5.2" | 5.55" | 13 | 3-1/2" | 1-5/16" | 0 | 1-5/16" | 3" | 3-1/4" | 5/8" | 1-5/16" | 1/4" | 9.1 |
| 4TB54 | P1 | 5.0" | 5.4" | 5.75" | 13 | 3-1/2" | 1-5/16" | 0 | 1-5/16" | 3" | 3-1/4" | 5/8" | 1-5/16" | 1/4" | 9.6 |
| 4TB56 | P1 | 5.2" | 5.6" | 5.95" | 13 | 3-1/2" | 1-5/16" | 0 | 1-5/16" | 3" | 3-1/4" | 5/8" | 1-5/16" | 1/4" | 10.6 |
| 4TB58 | P1 | 5.4" | 5.8" | 6.15" | 13 | 3-1/2" | 1-5/16" | 0 | 1-5/16" | 3" | 3-1/4" | 5/8" | 1-5/16" | 1/4" | 11.6 |
| 4TB60 | P1 | 5.6" | 6.0" | 6.35" | 13 | 3-1/2" | 1-5/16" | 0 | 1-5/16" | 3" | 3-1/4" | 5/8" | 1-5/16" | 1/4" | 11.9 |
| 4TB62 | P1 | 5.8" | 6.2" | 6.55" | 13 | 3-1/2" | 1-5/16" | 0 | 1-5/16" | 3" | 3-1/4" | 5/8" | 1-5/16" | 1/4" | 11.1 |
| 4TB64 | P1 | 6.0" | 6.4" | 6.75" | 13 | 3-1/2" | 1-5/16" | 0 | 1-5/16" | 3" | 3-1/4" | 5/8" | 1-5/16" | 1/4" | 11.8 |
| 4TB66 | P1 | 6.2" | 6.6" | 6.95" | 13 | 3-1/2" | 1-5/16" | 0 | 1-5/16" | 3" | 3-1/4" | 5/8" | 1-5/16" | 1/4" | 12.0 |
| 4TB68 | P1 | 6.4" | 6.8" | 7.15" | 13 | 3-1/2" | 1-5/16" | 0 | 1-5/16" | 3" | 3-1/4" | 5/8" | 1-5/16" | 1/4" | 12.5 |
| 4TB70 | Q1 | 6.6" | 7.0" | 7.35" | 13 | 3-17/32" | 2-1/2" | 0 | 3/4" | 4-1/8" | 3-1/4" | 5/8" | 1-3/4" | 9/32" | 15.3 |
| 4TB74 | Q1 | 7.0" | 7.4" | 7.75" | 13 | 3-17/32" | 2-1/2" | 0 | 3/4" | 4-1/8" | 3-1/4" | 5/8" | 1-3/4" | 9/32" | 15.3 |
| 4TB80 | Q1 | 7.6" | 8.0" | 8.35" | 13 | 3-17/32" | 2-1/2" | 0 | 3/4" | 4-1/8" | 3-1/4" | 5/8" | 1-3/4" | 9/32" | 17.0 |
| 4TB86 | Q1 | 8.2" | 8.6" | 8.95" | 13 | 3-17/32" | 2-1/2" | 0 | 3/4" | 4-1/8" | 3-1/4" | 5/8" | 1-3/4" | 9/32" | 20.8 |
| 4TB90 | Q1 | 8.6" | 9.0" | 9.35" | 13 | 3-17/32" | 2-1/2" | 0 | 3/4" | 4-1/8" | 3-1/4" | 5/8" | 1-3/4" | 9/32" | 20.6 |
| 4TB94 | Q1 | 9.0" | 9.4" | 9.75" | 13 | 3-17/32" | 2-1/2" | 0 | 3/4" | 4-1/8" | 3-1/4" | 5/8" | 1-3/4" | 9/32" | 20.1 |
| 4TB110 | Q1 | 10.6" | 11.0" | 11.35" | 13 | 3-17/32" | 2-1/2" | 0 | 3/4" | 4-1/8" | 3-1/4" | 5/8" | 1-3/4" | 9/32" | 25.8 |
| 4TB124 | Q1 | 12.0" | 12.4" | 12.75" | 13 | 3-17/32" | 2-1/2" | 0 | 3/4" | 4-1/8" | 3-1/4" | 5/8" | 1-3/4" | 9/32" | 27.5 |
| 4TB136 | Q1 | 13.2" | 13.6" | 13.95" | 13 | 3-17/32" | 2-1/2" | 0 | 3/4" | 4-1/8" | 3-1/4" | 5/8" | 1-3/4" | 9/32" | 31.5 |
| 4TB154 | Q1 | 15.0" | 15.4" | 15.75" | 13 | 3-17/32" | 2-1/2" | 0 | 3/4" | 4-1/8" | 3-1/4" | 5/8" | 1-3/4" | 9/32" | 36.0 |
| 4TB160 | Q1 | 15.6" | 16.0" | 16.35" | 13 | 3-17/32" | 2-1/2" | 0 | 3/4" | 4-1/8" | 3-1/4" | 5/8" | 1-3/4" | 9/32" | 39.0 |
| 4TB184 | Q1 | 18.0" | 18.4" | 18.75" | 13 | 3-17/32" | 2-1/2" | 0 | 3/4" | 4-1/8" | 3-1/4" | 5/8" | 1-3/4" | 9/32" | 44.8 |
| 4TB200 | Q1 | 19.5" | 20.0" | 20.35" | 13 | 3-17/32" | 2-1/2" | 0 | 3/4" | 4-1/8" | 3-1/4" | 5/8" | 1-3/4" | 9/32" | 57.0 |
| 4TB250 | Q1 | 24.5" | 25.0" | 25.35" | 13 | 3-17/32" | 2-1/2" | 0 | 3/4" | 4-1/8" | 3-1/4" | 5/8" | 1-3/4" | 9/32" | 69.5 |
| 4TB300 | Q1 | 29.5" | 30.0" | 30.35" | 13 | 3-17/32" | 2-1/2" | 0 | 3/4" | 4-1/8" | 3-1/4" | 5/8" | 1-3/4" | 9/32" | 90.8 |
| 4TB380 | Q1 | 37.5" | 38.0" | 38.35" | 13 | 3-17/32" | 2-1/2" | 0 | 3/4" | 4-1/8" | 3-1/4" | 5/8" | 1-3/4" | 9/32" | 125.0 |
![]() | ![]() |
![]() | ![]() |




Address
Luotuo Industrial Area, Zhenhai District, Ningbo City, China
Tel
