
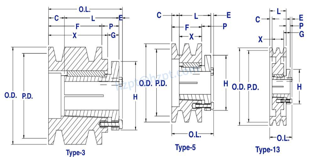
| Size | Bushing Type | Pitch Diameter (4L/A) | Pitch Diameter (5L/B) | Outside Diameter | Type | (O.L.) | (L) | (P) | (C) | (H) | (F) | (G) | (X) | (E) | Pulley Weight |
|---|---|---|---|---|---|---|---|---|---|---|---|---|---|---|---|
| 5TB34 | P2 | 3.0" | 3.4" | 3.75" | 3 | 5-5/16" | 2-15/16" | 1-1/16" | 2-1/8" | 3" | 4" | 5/8" | 2-5/16" | 1/4" | 5.3 |
| 5TB36 | P2 | 3.2" | 3.6" | 3.95" | 3 | 5-5/16" | 2-15/16" | 1-1/16" | 2-1/8" | 3" | 4" | 5/8" | 2-5/16" | 1/4" | 6.1 |
| 5TB38 | P2 | 3.4" | 3.8" | 4.15" | 5 | 4-7/8" | 2-15/16" | 5/8" | 1-11/16" | 3" | 4" | -- | 2-5/16" | 1/4" | 6.1 |
| 5TB40 | P2 | 3.6" | 4.0" | 4.35" | 5 | 4-7/8" | 2-15/16" | 5/8" | 1-11/16" | 3" | 4" | -- | 2-5/16" | 1/4" | 7.0 |
| 5TB42 | P2 | 3.8" | 4.2" | 4.55" | 5 | 4-7/8" | 2-15/16" | 5/8" | 1-11/16" | 3" | 4" | -- | 2-5/16" | 1/4" | 7.8 |
| 5TB44 | P2 | 4.0" | 4.4" | 4.75" | 13 | 4-1/4" | 2-15/16" | 0 | 1-1/16" | 3" | 4" | 5/8" | 2-5/16" | 1/4" | 8.5 |
| 5TB46 | P2 | 4.2" | 4.6" | 4.95" | 13 | 4-1/4" | 2-15/16" | 0 | 1-1/16" | 3" | 4" | 5/8" | 2-5/16" | 1/4" | 9.8 |
| 5TB48 | P2 | 4.4" | 4.8" | 5.15" | 13 | 4-1/4" | 2-15/16" | 0 | 1-1/16" | 3" | 4" | 5/8" | 2-5/16" | 1/4" | 10.5 |
| 5TB50 | P2 | 4.6" | 5.0" | 5.35" | 13 | 4-1/4" | 2-15/16" | 0 | 1-1/16" | 3" | 4" | 5/8" | 2-5/16" | 1/4" | 11.6 |
| 5TB52 | P2 | 4.8" | 5.2" | 5.55" | 13 | 4-1/4" | 2-15/16" | 0 | 1-1/16" | 3" | 4" | 5/8" | 2-5/16" | 1/4" | 12.5 |
| 5TB54 | Q1 | 5.0" | 5.4" | 5.75" | 13 | 4-9/32" | 2-1/2" | 0 | 1-1/2" | 4-1/8" | 4" | 3/4" | 1-3/4" | 9/32" | 10.4 |
| 5TB56 | Q1 | 5.2" | 5.6" | 5.95" | 13 | 4-9/32" | 2-1/2" | 0 | 1-1/2" | 4-1/8" | 4" | 3/4" | 1-3/4" | 9/32" | 11.8 |
| 5TB58 | Q1 | 5.4" | 5.8" | 6.15" | 13 | 4-9/32" | 2-1/2" | 0 | 1-1/2" | 4-1/8" | 4" | 3/4" | 1-3/4" | 9/32" | 12.8 |
| 5TB60 | Q1 | 5.6" | 6.0" | 6.35" | 13 | 4-9/32" | 2-1/2" | 0 | 1-1/2" | 4-1/8" | 4" | 3/4" | 1-3/4" | 9/32" | 13.8 |
| 5TB62 | Q1 | 5.8" | 6.2" | 6.55" | 13 | 4-9/32" | 2-1/2" | 0 | 1-1/2" | 4-1/8" | 4" | 3/4" | 1-3/4" | 9/32" | 14.6 |
| 5TB64 | Q1 | 6.0" | 6.4" | 6.75" | 13 | 4-9/32" | 2-1/2" | 0 | 1-1/2" | 4-1/8" | 4" | 3/4" | 1-3/4" | 9/32" | 16.4 |
| 5TB66 | Q1 | 6.2" | 6.6" | 6.95" | 13 | 4-9/32" | 2-1/2" | 0 | 1-1/2" | 4-1/8" | 4" | 3/4" | 1-3/4" | 9/32" | 17.1 |
| 5TB68 | Q1 | 6.4" | 6.8" | 7.15" | 13 | 4-9/32" | 2-1/2" | 0 | 1-1/2" | 4-1/8" | 4" | 3/4" | 1-3/4" | 9/32" | 17.9 |
| 5TB70 | Q2 | 6.6" | 7.0" | 7.35" | 13 | 4-13/32" | 3-1/2" | 1/8" | 5/8" | 4-1/8" | 4" | 3/4" | 2-3/4" | 9/32" | 20.9 |
| 5TB74 | Q2 | 7.0" | 7.4" | 7.75" | 13 | 4-13/32" | 3-1/2" | 1/8" | 5/8" | 4-1/8" | 4" | 3/4" | 2-3/4" | 9/32" | 19.8 |
| 5TB80 | Q2 | 7.6" | 8.0" | 8.35" | 13 | 4-13/32" | 3-1/2" | 1/8" | 5/8" | 4-1/8" | 4" | 3/4" | 2-3/4" | 9/32" | 22.3 |
| 5TB86 | Q2 | 8.2" | 8.6" | 8.95" | 13 | 4-13/32" | 3-1/2" | 1/8" | 5/8" | 4-1/8" | 4" | 3/4" | 2-3/4" | 9/32" | 29.5 |
| 5TB90 | Q2 | 8.6" | 9.0" | 9.35" | 13 | 4-13/32" | 3-1/2" | 1/8" | 5/8" | 4-1/8" | 4" | 3/4" | 2-3/4" | 9/32" | 28.6 |
| 5TB94 | Q2 | 9.0" | 9.4" | 9.75" | 13 | 4-13/32" | 3-1/2" | 1/8" | 5/8" | 4-1/8" | 4" | 3/4" | 2-3/4" | 9/32" | 29.5 |
| 5TB110 | Q2 | 10.6" | 11.0" | 11.35" | 13 | 4-13/32" | 3-1/2" | 1/8" | 5/8" | 4-1/8" | 4" | 3/4" | 2-3/4" | 9/32" | 32.8 |
| 5TB124 | Q2 | 12.0" | 12.4" | 12.75" | 13 | 4-13/32" | 3-1/2" | 1/8" | 5/8" | 4-1/8" | 4" | 3/4" | 2-3/4" | 9/32" | 34.4 |
| 5TB136 | Q2 | 13.2" | 13.6" | 13.95" | 13 | 4-13/32" | 3-1/2" | 1/8" | 5/8" | 4-1/8" | 4" | 3/4" | 2-3/4" | 9/32" | 41.0 |
| 5TB154 | Q2 | 15.0" | 15.4" | 15.75" | 13 | 4-13/32" | 3-1/2" | 1/8" | 5/8" | 4-1/8" | 4" | 3/4" | 2-3/4" | 9/32" | 45.3 |
| 5TB160 | Q2 | 15.6" | 16.0" | 16.35" | 13 | 4-13/32" | 3-1/2" | 1/8" | 5/8" | 4-1/8" | 4" | 3/4" | 2-3/4" | 9/32" | 48.0 |
| 5TB184 | Q2 | 18.0" | 18.4" | 18.75" | 13 | 4-13/32" | 3-1/2" | 1/8" | 5/8" | 4-1/8" | 4" | 3/4" | 2-3/4" | 9/32" | 57.3 |
| 5TB200 | Q2 | 19.5" | 20.0" | 20.35" | 13 | 4-13/32" | 3-1/2" | 1/8" | 5/8" | 4-1/8" | 4" | 3/4" | 2-3/4" | 9/32" | 66.0 |
| 5TB250 | Q2 | 24.5" | 25.0" | 25.35" | 13 | 4-13/32" | 3-1/2" | 1/8" | 5/8" | 4-1/8" | 4" | 3/4" | 2-3/4" | 9/32" | 82.5 |
| 5TB300 | Q2 | 29.5" | 30.0" | 30.35" | 13 | 4-13/32" | 3-1/2" | 1/8" | 5/8" | 4-1/8" | 4" | 3/4" | 2-3/4" | 9/32" | 117.0 |
| 5TB380 | Q2 | 37.5" | 38.0" | 38.35" | 13 | 4-13/32" | 3-1/2" | 1/8" | 5/8" | 4-1/8" | 4" | 3/4" | 2-3/4" | 9/32" | 159.0 |
![]() | ![]() |
![]() | ![]() |



Address
Luotuo Industrial Area, Zhenhai District, Ningbo City, China
Tel
