88K Steel Pintle Chain
The 88K pintle chain is a heavy-duty chain that is used in a variety of applications, including agricultural equipment, conveyors, and wastewater facilities. It is made of steel and has a tensile strength of 29,000 pounds. The 88K pintle chain features quad-staked pins, an open barrel design, and heat treatment, which all contribute to its durability and longevity.Here are some of the key features of the 88K pintle chain:![]() | ![]() |

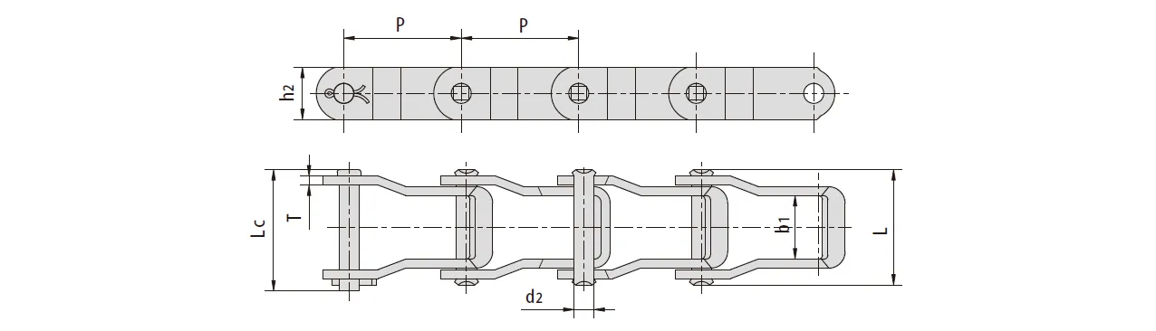
| Chain No. | ?Pitch | Width between inner plates | Pin diameter | Pin length | Plate depth | Plate thickness | Weight per meter | |
| P | b1 min | d2 max | Lmax | Lc max | h2 max | T | q | |
| mm | mm | mm | mm | mm | mm | mm | kg/m | |
| 88K Pintle Chain | 66.27 | 27.4 | 11.10 | 55.5 | 60.0 | 27.3 | 5.1 | 3.73 |
![]() | ![]() |


Address
Luotuo Industrial Area, Zhenhai District, Ningbo City, China
Tel
