A Series Short Pitch Precision Roller Chains
A Series Short Pitch Precision Roller Chains are widely used in agricultural and conveyor machines. These chains are designed to withstand extremely high loads. In order to determine the strength of your chain, you need to know its tensile strength. Fatigue strength is just as important as tensile strength. Fatigue strength is determined by several factors, including the type of steel, heat treatment of the chain components, pitch hole fabrication, and shot peening intensity.

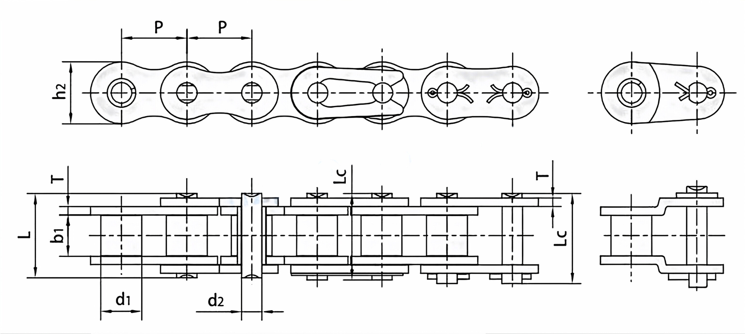
| DIN/ISOChain No. | ANSIChain No. | Pitch | Roller diameter | Width between inner plates | Pin diameter | Pin length | Inner plate depth | Plate thickness | Ultimate tensile strength | Average tensile strength | Weight per meter | |
| P | d1 max | b1 min | d2 max | Lmax | Lc max | h2 max | Tmax | Qmin | Q0 | q | ||
| mm | mm | mm | mm | mm | mm | mm | mm | kN/lbf | kN | kg/m | ||
| *03C | *15 | 4.7625 | 2.48 | 2.38 | 1.62 | 6.10 | 6.90 | 4.30 | 0.60 | 1.80/409 | 2.0 | 0.08 |
| *04C-1 | *25 | 6.3500 | 3.30 | 3.18 | 2.31 | 7.90 | 8.40 | 6.00 | 0.80 | 3.50/795 | 4.6 | 0.15 |
| *06C-1 | *35 | 9.5250 | 5.08 | 4.77 | 3.58 | 12.40 | 13.17 | 9.00 | 1.30 | 7.90/1795 | 10.8 | 0.33 |
| 085-1 | 41 | 12.7000 | 7.77 | 6.25 | 3.58 | 13.75 | 15.00 | 9.91 | 1.30 | 6.67/1516 | 12.6 | 0.41 |
| 08A-1 | 40 | 12.7000 | 7.95 | 7.85 | 3.96 | 16.60 | 17.80 | 12.00 | 1.50 | 14.10/3205 | 17.5 | 0.62 |
| 10A-1 | 50 | 15.8750 | 10.16 | 9.40 | 5.08 | 20.70 | 22.20 | 15.09 | 2.03 | 22.20/5045 | 29.4 | 1.02 |
| 12A-1 | 60 | 19.0500 | 11.91 | 12.57 | 5.94 | 25.90 | 27.70 | 18.00 | 2.42 | 31.80/7227 | 41.5 | 1.50 |
| 16A-1 | 80 | 25.4000 | 15.88 | 15.75 | 7.92 | 32.70 | 35.00 | 24.00 | 3.25 | 56.70/12886 | 69.4 | 2.60 |
| 20A-1 | 100 | 31.7500 | 19.05 | 18.90 | 9.53 | 40.40 | 44.70 | 30.00 | 4.00 | 88.50/20114 | 109.2 | 3.91 |
| 24A-1 | 120 | 38.1000 | 22.23 | 25.22 | 11.10 | 50.30 | 54.30 | 35.70 | 4.80 | 127.00/28864 | 156.3 | 5.62 |
| 28A-1 | 140 | 44.4500 | 25.40 | 25.22 | 12.70 | 54.40 | 59.00 | 41.00 | 5.60 | 172.40/39182 | 212.0 | 7.50 |
| 32A-1 | 160 | 50.8000 | 28.58 | 31.55 | 14.27 | 64.80 | 69.60 | 47.80 | 6.40 | 226.80/51545 | 278.9 | 10.10 |
| 36A-1 | 180 | 57.1500 | 35.71 | 35.48 | 17.46 | 72.80 | 78.60 | 53.60 | 7.20 | 280.20/63682 | 341.8 | 13.45 |
| 40A-1 | 200 | 63.5000 | 39.68 | 37.85 | 19.85 | 80.30 | 87.20 | 60.00 | 8.00 | 353.80/80409 | 431.6 | 16.15 |
| 48A-1 | 240 | 76.2000 | 47.63 | 47.35 | 23.81 | 95.50 | 103.00 | 72.39 | 9.50 | 510.30/115977 | 622.5 | 23.20 |


| DIN/ISOChain No. | ANSIChain No. | Pitch | Roller diameter | Width between inner plates | Pin diameter | Pin length | Inner plate depth | Plate thickness | Transverse pitch | Ultimate tensile strength | Average tensile strength | Weight per meter | |
| P | d1 max | b1 min | d2 max | Lmax | Lc max | h2 max | Tmax | Pt | Qmin | Q0 | q | ||
| mm | mm | mm | mm | mm | mm | mm | mm | mm | kN/lbf | kN | kg/m | ||
| *04C-2 | *25-2 | 6.350 | 3.30 | 3.18 | |||||||||
Address
Luotuo Industrial Area, Zhenhai District, Ningbo City, China
Tel
