Adjustable Lock Nut Branch Tee-TEE-M Hydraulic Fittings
The Adjustable Lock Nut Branch Tee-TEE-M Hydraulic Fittings are a specialized component used in hydraulic systems. It is designed to create a branch connection in a hydraulic line while allowing for adjustment and secure locking. The Adjustable Lock Nut Branch Tee-TEE-M Hydraulic Fittings feature a T-shaped configuration with one input port and two output ports. The input port is typically connected to the main hydraulic line, while the output ports serve as branch connections to other hydraulic components or lines.The distinguishing feature of the Adjustable Lock Nut Branch Tee-TEE-M Hydraulic Fittings is the adjustable lock nut mechanism. This mechanism allows for fine-tuning of the branch connection's orientation and alignment. By loosening the lock nut, the fitting can be rotated or adjusted to the desired position. Once the desired alignment is achieved, the lock nut can be tightened, securely locking the fitting in place.The adjustable lock nut mechanism provides flexibility and convenience during the installation and maintenance of hydraulic systems. It allows for precise positioning of the branch connection, ensuring optimal flow and functionality. Additionally, the locking feature ensures that the fitting remains securely in place, minimizing the risk of leaks or disconnection.The Adjustable Lock Nut Branch Tee-TEE-M Hydraulic Fittings is commonly used in various industrial applications where branch connections are required in hydraulic systems, such as in construction equipment, agricultural machinery, manufacturing equipment, and more.

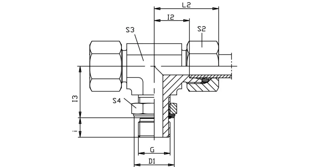
| TEE-MPart NO. | Series Working Pressure(bar/psi) | Tube O.d | Gmale thread | L2 | l2 | l3 | i | D1 | S2 | S3 | S4 |
| TEE06LM | L light 315 bar 4560psi | 6 | M10x1 | 29 | 14 | 20 | 7 | 15 | 14 | 14 | 14 |
| TEE08LM | 8 | M12x1.5 | 31 | 16 | 22 | 10 | 18 | 17 | 14 | 17 | |
| TEE10LM | 10 | M14x1.5 | 32 | 17 | 25 | 9 | 20 | 19 | 19 | 19 | |
| TEE12LM | 12 | M16x1.5 | 34 | 19 | 26 | 9 | 23 | 22 | 19 | 22 | |
| TEE15LM | 15 | M18x1.5 | 36 | 21 | 30 | 11 | 25 | 27 | 22 | 24 | |
| TEE18LM | 250bar3625psi | 18 | M22x1.5 | 40 | 24 | 33 | 11 | 28 | 32 | 27 | 27 |
| TEE22LM | 160 bar 2320psi | 22 | M27x2 | 44 | 28 | 35 | 14 | 33 | 36 | 30 | 32 |
| TEE28LM | 28 | M33x2 | 47 | 31 | 38 | 14 | 41 | 41 | 36 | 41 | |
| TEE35LM | 35 | M42x2 | 59 | 38 | 48 | 14 | 51 | 50 | 50 | 50 | |
| TEE42LM | 42 | M48x2 | 61 | 38 | 49 | 16 | 56 | 60 | 50 | 55 | |
| TEE06SM | S heavy 315 bar 4650psi | 6 | M12x1.5 | 30 | 15 | 22 | 10 | 18 | 17 | 14 | 17 |
| TEE08SM | 8 | M14x1.5 | 32 | 17 | 26 | 10 | 20 | 19 | 19 | 19 | |
| TEE10SM | 10 | M16x1.5 | 34 | 18 | 27 | 11 | 23 | 22 | 19 | 22 | |
| TEE12SM | 12 | M18x1.5 | 38 | 22 | 31 | 12 | 25 | 24 | 22 | 24 | |
| TEE16SM | 250bar 3625psi | 16 | M22x1.5 | 43 | 25 | 35 | 14 | 28 | 30 | 27 | 27 |
| TEE20SM | 20 | M27x2 | 49 | 28 | 39 | 16 | 33 | 36 | 30 | 32 | |
| TEE25SM | 160 bar2320 psi | 25 | M33x2 | 54 | 30 | 44 | 16 | 41 | 46 | 36 | 41 |
| TEE30SM | 30 | M42x2 | 62 | 36 | 51 | 17 | 51 | 50 | 50 | 50 | |
| TEE38SM | 38 | M48x2 | 65 | 34 | 54 | 19 | 56 | 60 | 50 | 55 |
Adjustable Lock Nut Branch Tee-TEE-M hydraulic fittings are a type of hydraulic fitting that is used to connect three hydraulic lines together. The fitting has a body with two female threaded ports and one male threaded port. The male threaded port is used to connect the main hydraulic line, and the two female threaded ports are used to connect the branch hydraulic lines.
The hydraulic fitting has an adjustable lock nut that is used to tighten the connection between the body and the branch hydraulic lines. The lock nut is tightened until the branch hydraulic lines are securely in place.
The Adjustable Lock Nut Branch Tee-TEE-M hydraulic fittings work by using a series of seals to prevent hydraulic fluid from leaking from the connection. The seals are compressed by the lock nut, which creates a tight seal between the body and the branch hydraulic lines.
The Adjustable Lock Nut Branch Tee-TEE-M hydraulic fittings are commonly used in a variety of hydraulic applications, such as construction, mining, and agriculture. They are also used in some industrial applications, such as manufacturing and processing.
Advantages of Adjustable Lock Nut Branch Tee-TEE-M Hydraulic Fittings:
Applications of Adjustable Lock Nut Branch Tee-TEE-M Hydraulic Fittings:


Address
Luotuo Industrial Area, Zhenhai District, Ningbo City, China
Tel
