Adjustable Lock Nut Elbow-WEE-UNF Hydraulic Fittings
Adjustable Lock Nut Elbow-WEE-UNF Hydraulic Fittings are a type of hydraulic fitting that is used to connect two hydraulic lines at a 90-degree angle. The "WEE" in the name stands for "Wedge Elbow", which refers to the unique design of the fitting that uses a wedge to lock the nut in place. This design provides a very secure connection that can withstand high pressures and temperatures.
Adjustable Lock Nut Elbow-WEE-UNF Hydraulic Fittings are available in a variety of sizes and thread configurations, including UNF (Unified Fine Thread). The UNF thread configuration is commonly used in hydraulic applications in the United States and Canada.
These Adjustable Lock Nut Elbow-WEE-UNF Hydraulic Fittings are typically made of steel or stainless steel, and they are available with a variety of surface finishes, such as zinc plating or cadmium plating. The surface finish helps to protect the fitting from corrosion and wear.
Adjustable Lock Nut Elbow-WEE-UNF Hydraulic Fittings are used in a wide variety of hydraulic applications, including:


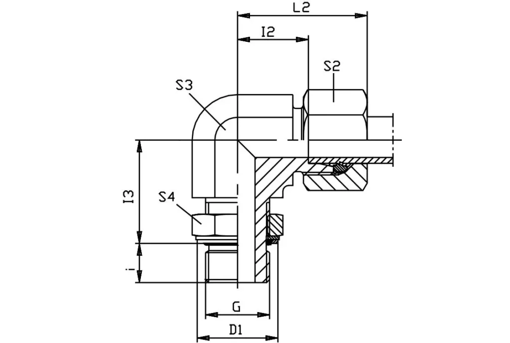
| WEE-UNFPart NO. | Series Working Pressure(bar/psi) | Tube O.d | Gmale thread | L2 | l2 | l3 | i | D1 | S2 | S3 | S4 |
| WEE06L7/16UNF | L light 315 bar 4560psi | 6 | 7/16-20 | 29 | 14 | 19 | 10 | 17 | 14 | 14 | 14 |
| WEE08L7/16UNF | 8 | 7/16-20 | 31 | 16 | 19 | 10 | 18 | 17 | 14 | 14 | |
| WEE10L9/16UNF | 10 | 9/16-18 | 32 | 17 | 24 | 10 | 20 | 19 | 19 | 17 | |
| WEE12L9/16UNF | 12 | 9/16-18 | 34 | 19 | 25 | 11 | 26 | 22 | 19 | 17 | |
| WEE12L3/4UNF | 12 | 3/4-16 | 34 | 19 | 25 | 13 | 26 | 22 | 19 | 22 | |
| WEE15L3/4UNF | 15 | 3/4-16 | 36 | 21 | 28 | 13 | 29 | 27 | 22 | 22 | |
| WEE15L7/8UNF | 15 | 7/8-14 | 36 | 21 | 28 | 15 | 29 | 27 | 22 | 27 | |
| WEE18L7/8UNF | 18 | 7/8-14 | 40 | 24 | 32 | 15 | 29 | 32 | 27 | 27 | |
| WEE18L11/16UN | 18 | 1 1/16-12 | 40 | 24 | 32 | 17 | 29 | 32 | 30 | 32 | |
| WEE22L11/16UN | 160 bar 2320psi | 22 | 1 1/16-12 | 44 | 28 | 35 | 17 | 37 | 36 | 30 | 32 |
| WEE28L15/16UN | 28 | 1 5/16-12 | 47 | 31 | 42 | 17 | 44 | 41 | 36 | 41 | |
| WEE35L15/8UN | 35 | 1 5/8-12 | 59 | 38 | 46 | 17 | 55 | 50 | 50 | 50 | |
| WEE42L17/8UN | 42 | 1 7/8-12 | 61 | 38 | 47 | 17 | 55 | 60 | 50 | 55 | |
| WEE06S7/16UNF | S heavy 400 bar 5800psi | 6 | 7/16-20 | 30 | 15 | 20 | 12 | 17 | 17 | 14 | 14 |
| WEE08S9/16UNF | 8 | 9/16-18 | 32 | 17 | 25 | 12 | 18 | 19 | 19 | 17 | |
| WEE10S9/16UNF | 10 | 9/16-18 | 34 | 18 | 26 | 12 | 20 | 22 | 19 | 17 | |
| WEE12S3/4UNF | 12 | 3/4-16 | 38 | 22 | 30 | 14 | 26 | 24 | 22 | 22 | |
| WEE16S7/8UNF | 16 | 7/8-14 | 43 | 25 | 34 | 16 | 29 | 30 | 27 | 27 | |
| WEE20S11/16UN | 20 | 1 1/16-12 | 49 | 28 | 37 | 19 | 37 | 36 | 30 | 32 | |
| WEE25S11/16UN | 25 | 1 1/16-12 | 54 | 30 | 50 | 19 | 44 | 46 | 36 | 32 | |
| WEE30S15/8UN | 250bar 3625psi | 30 | 1 5/8-12 | 62 | 36 | 50 | 19 | 55 | 50 | 50 | 50 |
| WEE38S17/8UN | 38 | 1 7/8-12 | 65 | 34 | 51 | 19 | 55 | 60 | 50 | 55 |
Adjustable Lock Nut Elbow-WEE-UNF Hydraulic Fittings offer a number of advantages over other types of hydraulic fittings, including:
1. Secure connection: The wedge design provides a very secure connection that can withstand high pressures and temperatures. This is important in demanding applications where a failure could lead to serious consequences.2. Variety of sizes and thread configurations: Adjustable Lock Nut Elbow-WEE-UNF Hydraulic Fittings are available in a wide variety of sizes and thread configurations to meet the needs of any application. This makes them a versatile choice for a wide range of industries and applications.3. Durable construction: Adjustable Lock Nut Elbow-WEE-UNF Hydraulic Fittings are typically made of high-quality materials such as steel or stainless steel. This makes them durable and resistant to corrosion and wear.4. Easy to install and maintain: Adjustable Lock Nut Elbow-WEE-UNF Hydraulic Fittings are relatively easy to install and maintain. This can save time and money in the long run.5. Cost-effective: Adjustable Lock Nut Elbow-WEE-UNF Hydraulic Fittings are a cost-effective solution for a wide range of hydraulic applications. They offer a good balance of value, performance, and durability.
Here are some specific examples of how the advantages of Adjustable Lock Nut Elbow-WEE-UNF Hydraulic Fittings can benefit different industries and applications:
(1) Construction equipment: In the construction industry, Adjustable Lock Nut Elbow-WEE-UNF Hydraulic Fittings are used in a variety of applications, such as excavators, bulldozers, and cranes. The secure connection and durable construction of these fittings are essential in these demanding applications, where failures could lead to serious injuries or property damage.(2) Mining equipment: In the mining industry, Adjustable Lock Nut Elbow-WEE-UNF Hydraulic Fittings are used in a variety of applications, such as underground loaders, haul trucks, and drills. The secure connection and durable construction of these fittings are essential in these harsh environments, where they are exposed to dust, dirt, and extreme temperatures.(3) Agricultural equipment: In the agricultural industry, Adjustable Lock Nut Elbow-WEE-UNF Hydraulic Fittings are used in a variety of applications, such as tractors, combines, and harvesters. The secure connection and durable construction of these fittings are essential in these demanding applications, where failures could lead to crop losses or downtime.(4) Industrial machinery: Adjustable Lock Nut Elbow-WEE-UNF Hydraulic Fittings are used in a variety of industrial machinery applications, such as machine tools, presses, and forging equipment. The secure connection and durable construction of these fittings are essential in these demanding applications, where failures could lead to product defects or downtime.(5) Mobile hydraulic equipment: Adjustable Lock Nut Elbow-WEE-UNF Hydraulic Fittings are used in a variety of mobile hydraulic equipment applications, such as aerial lifts, forklifts, and backhoes. The secure connection and durable construction of these fittings are essential in these demanding applications, where failures could lead to serious injuries or property damage.Overall, Adjustable Lock Nut Elbow-WEE-UNF Hydraulic Fittings offer a number of advantages over other types of hydraulic fittings. They are a secure, durable, and cost-effective solution for a wide range of hydraulic applications.


Address
Luotuo Industrial Area, Zhenhai District, Ningbo City, China
Tel
