


Chain Size | PPitch (inch) | Links In 10¢ | Avg. Ult. Strength | Dimensions (inches) | ||
Inside Width D | Thickness T | Width Overall W | ||||
AL67 T-Bar | 2.550 | 47 | 16,000 lbs. | 1.093 | .312 | 2.000 |
AL88 T-Bar | 2.773 | 43 | 16,000 lbs. | 1.093 | .312 | 2.000 |
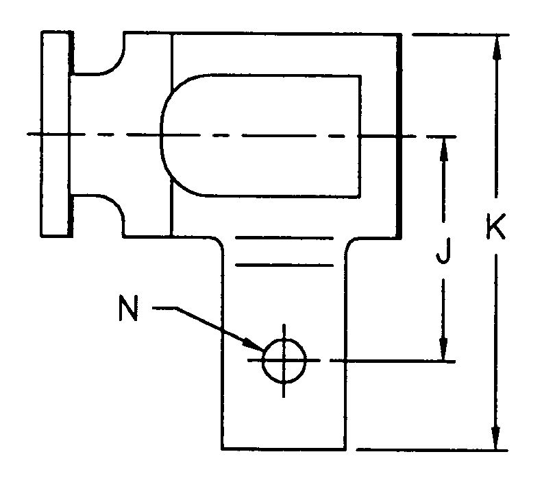
Att. No. | Chain No. | Dimensions | ||||
J | K | M | N | T | ||
AS | AL67 T-Bar | 2.031 | 3.750 | 1.125 | .328 | .312 |
A1 | AL67 T-Bar | 2.031 | 3.750 | 1.125 | .391 | .312 |
A2 | AL67 T-Bar | 2.031 | 3.750 | 1.125 | .453 | .312 |
Address
Luotuo Industrial Area, Zhenhai District, Ningbo City, China
Tel
