Anti-sidebow Chains for Pushing Window P9.525/P12.700
Anti-sidebow chains for pushing window can withstand curves and flexures. These chains come with a variety of special plates and attachments. Because they have a small bearing area, they are suitable for lower loads than comparable roller chains. Choose the right one here at Raydafon based on your requirements.

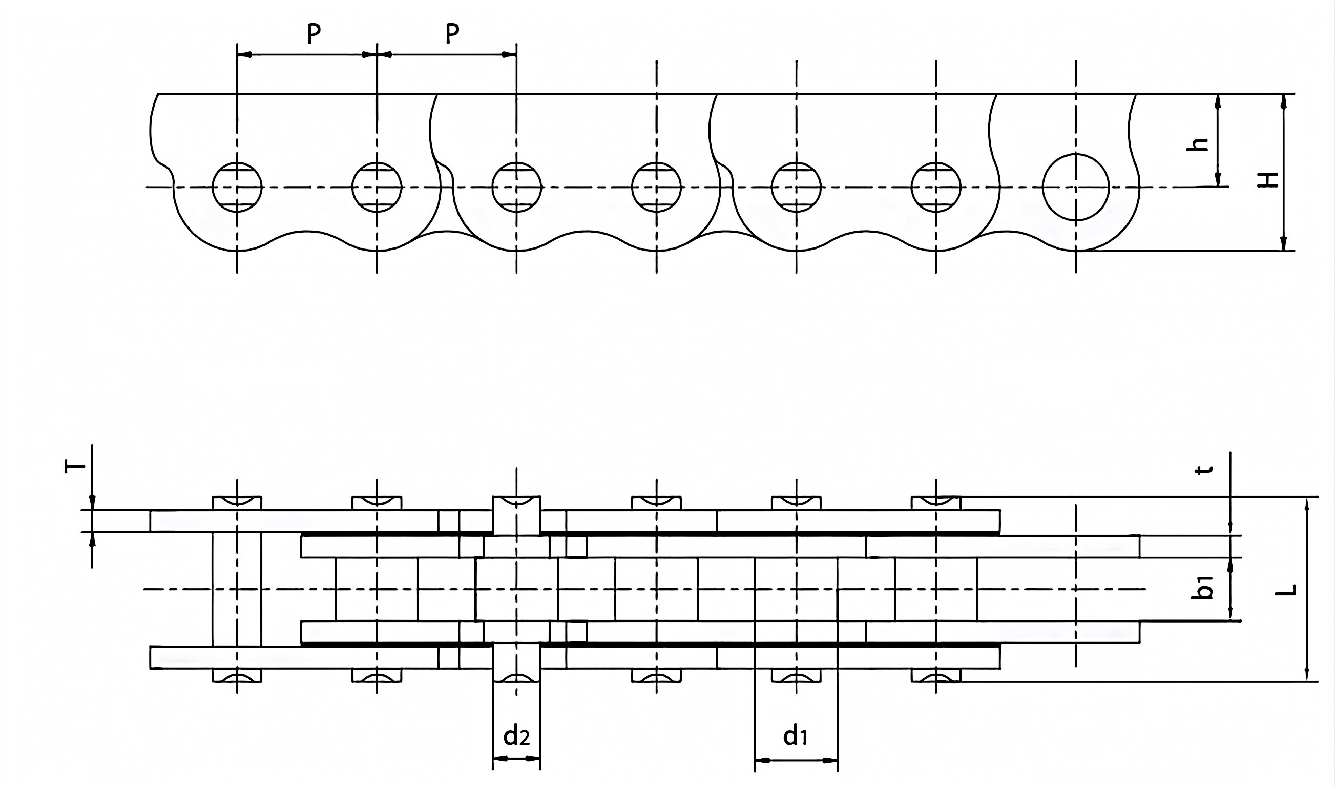
| Chain No. | Pitch | Roller diameter | Width between inner plates | Pin diameter | Pin length | Plate dimension | Ultimate tensile strength | Weight per meter | |||
| P | d1max | b1min | d2max | Lmax | Lc max | Hmax | h | t/T max | Qmin | q | |
| mm | mm | mm | mm | mm | mm | mm | mm | mm | kN | kg/m | |
| 06BF33SS | 9.525 | 6.35 | 5.72 | 3.28 | 13.15 | 14.1 | 12.38 | 7.88 | 1.30 | 6.2 | 0.63 |
| 06BF34 | 9.525 | 6.35 | 3.80 | 3.28 | 10.00 | - | 12.38 | 7.88 | 1.04 | 7.0 | 0.47 |
| *06CF22 | 9.525 | 5.08 | 4.77 | 3.58 | 11.60 | - | 12.86 | 8.38 | 1.30 | 7.9 | 0.51 |
| 08BF6 | 12.700 | 7.95 | 7.85 | 3.96 | 16.60 | 17.8 | 17.00 | 11.00 | 1.50 | 13.8 | 0.91 |
| 415BF4 | 12.700 | 7.75 | 4.88 | 4.09 | 16.40 | 17.8 | 17.00 | 11.00 | 1.3/3.1 | 12.0 | 1.07 |
| 08BSSF20 | 12.700 | 8.51 | 7.75 | 4.45 | 16.70 | 18.2 | 16.50 | 10.50 | 1.60 | 12.0 | 1.06 |
| 08BSSF74 | 12.700 | 8.51 | 7.75 | 4.45 | 18.80 | - | 15.50 | 9.70 | 1.85 | 13.0 | 1.19 |
| P12.7F4 | 12.700 | 7.50 | 5.50 | 4.45 | 15.60 | - | 14.30 | 8.50 | 2.03 | 15.0 | 0.99 |





Address
Luotuo Industrial Area, Zhenhai District, Ningbo City, China
Tel
