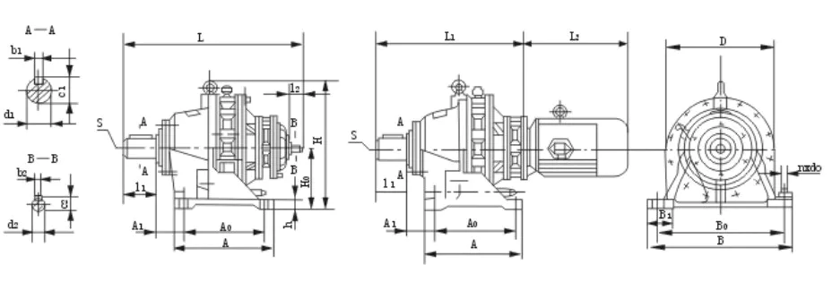
Planetary cycloid pin gear reducer is a reducer with novel structure and planetary transmission principle, which adopts cycloid pin gear meshing mechanism. It can be used in mining, chemical, textile, lifting, transportation and other equipment.




Raydafon is a manufacturer specializing in the production of various types of reducers, cycloidal pin wheel reducers, and mixing equipment. Cycloidal pin wheel reducers are complete in variety, with excellent reducer products and low prices. It abides by the contract and operates in good faith. At the same time, it undertakes the design and manufacturing of various special models of reducers, and provides supporting supply of various mixing devices and environmental protection equipment, as well as free technical guidance, installation, and debugging.Our company is a manufacturer specializing in the production of cycloidal pin gear reducer as the main body, and produces various series of specifications and models of reducer frames and electromechanical and other related products. With strong technical force, large and sophisticated production and processing equipment, using new technology and accurate testing equipment, we have successfully developed arc tooth worm gear, plane envelope, cone envelope, cylindrical gear, hard tooth surface, planetary gear, cycloidal pin gear .We are determined to forge ahead and forge ahead in the reducer industry with ten series of reducers of tens of thousands of specifications, such as screw elevators, R, S, K, F series gear reduction motors, and harmonic reducers! Create more and more perfect cycloidal pin gear reducer products, and provide them to the majority of reducer users! our Company is a professional manufacturer of cycloidal pin gear reducer and electromechanical equipment in CNingbo. The products are manufactured in strict accordance with the JB/T2982-94 ministerial standard of the national reducer industry. In 2000, the company was tested by the China Machinery Industry Reducer Product Quality Supervision and Testing Center, and the products passed the inspection were excellent.
The company is a China reducer manufacturer specializing in cycloidal pin gear reducer and a cycloidal reducer supplier. In the spirit of good faith and friendly cooperation, the company provides long-term service and technical guidance for users of cycloidal pin gear reducer all over the country. In the process of development, we always adhere to the development path of scientific and technological innovation, honesty and trustworthiness, and quality, and constantly pursue the brand effect of high-tech content, high added value, and high market capacity! Always follow our consistent quality commitment, service commitment and reputation commitment, and customer satisfaction is our eternal pursuit!We will continue to improve and improve on product innovation, technical content and quality pursuit, and create a series of cycloidal pin gear reducers with higher quality and high grade that are more satisfied by customers. We will give them back to our most sincere new and old users! Let our new and old customers share every achievement of our company in cycloidal pin gear reducer products! We are constantly exploring and pursuing in the reducer industry to present the quality cycloidal pin gear reducer to our customers all over the country! Keep forging ahead, forge ahead, innovate, be honest and trustworthy on the way forward! This is our driving force and spiritual pursuit. Let's work together to create a better tomorrow for the cycloidal pin gear reducer industry!Address
Luotuo Industrial Area, Zhenhai District, Ningbo City, China
Tel
