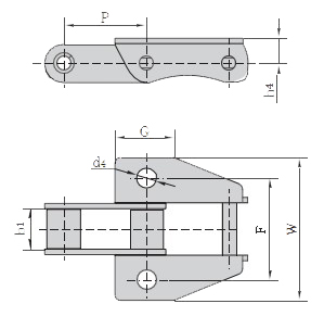
CA550 Chain With K39M Attachment[/caption]
CA550 Chain With K39M Attachment[/caption]Chain No | P | b1 | G | F | W | h4 | d4 |
mm | mm | mm | mm | mm | mm | mm | |
CA550K39M | 41.4 | 19.81 | 29.5 | 50.80 | 71.4 | 12.7 | 9.8 |
CA550K39MF3 | 41.4 | 19.81 | 29.5 | 50.80 | 71.4 | 12.7 | 10.3 |
CA550HK39M | 41.4 | 20.00 | 31.0 | 57.00 | 78.0 | 14.2 | 10.5 |
CA557K39M | 41.4 | 20.24 | 29.5 | 50.80 | 71.4 | 12.7 | 9.8 |
CA557K39MF1 | 41.4 | 20.24 | 22.0 | 57.15 | 77.6 | 14.0 | 9.9 |
CA557K39MF3 | 41.4 | 20.24 | 31.0 | 57.00 | 78.0 | 14.5 | 10.3 |
CA550F5K39M | 41.4 | 20.24 | 29.5 | 50.80 | 71.4 | 12.7 | 10.3 |
Please click on the photos below to visit their websites.

Address
Luotuo Industrial Area, Zhenhai District, Ningbo City, China
Tel
