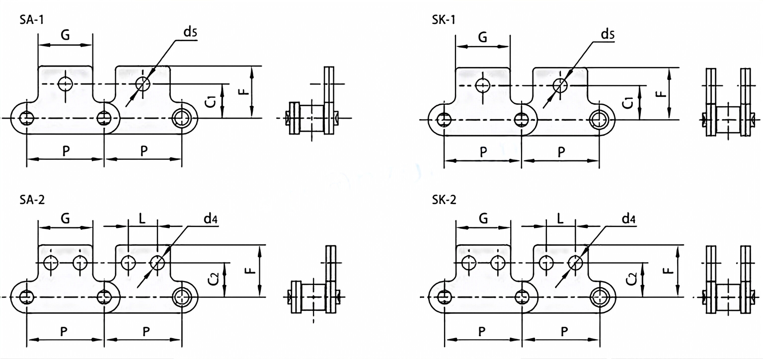
Double Pitch Conveyor Chains Attachments SA-1 SA-2 SK-1 SK-2
A variety of attachments can be combined with standard double pitch conveyor chains. Ever power manufactures double-pitch chains with different pitch levels. These chains are manufactured using the highest quality alloy steel and manufacturing processes. They can be used in various applications, including conveying biomass fuels, recycling materials and wood. Their case-hardened pins provide the best balance between strength and wear resistance.Double Pitch Conveyor Chains are an extension of the standard short-pitch conveyor chain. They have the same static strength and length, but the pitch is extended, reducing the weight of the entire chain. These chains?are available in a variety of styles and types. The C2000 series is an example of a double-pitch chain. This model has large oversized rollers that project over the lower link plates, providing smooth rolling action while minimizing friction on the supporting surface.

| Chain No. | ANSIChain No. | P | G | L | C1 | C2 | F | d4 | d5 |
| mm | mm | mm | mm | mm | mm | mm | mm | ||
| C208AC208AL | C2040C2042 | 25.40 | 19.10 | 9.50 | 11.1 | 13.50 | 20.5 | 3.4 | 5.50 |
| C208BC208BL | 25.40 | 23.20 | 12.70 | 11.1 | 13.50 | 20.5 | 4.5 | 5.50 | |
| C210AC210AL | C2050C2052 | 31.75 | 23.80 | 11.90 | 14.3 | 15.90 | 25.0 | 5.5 | 6.60 |
| C212AC212AL | C2060C2062 | 38.10 | 28.60 | 14.30 | 17.5 | 19.10 | 32.9 | 5.5 | 9.20 |
| C212AHC212AHL | C2060HC2062H | 38.10 | 28.60 | 14.30 | 17.5 | 19.10 | 32.9 | 5.5 | 9.20 |
| C216AC216AL | C2080C2082 | 50.80 | 38.10 | 19.10 | 22.2 | 25.40 | 43.5 | 6.6 | 11.00 |
| C216AHC216AHL | C2080HC2082H | 50.80 | 38.10 | 19.10 | 22.2 | 25.40 | 43.5 | 6.6 | 11.00 |
| C220AC220AL | C2100C2102 | 63.50 | 47.60 | 23.80 | 28.6 | 31.80 | 50.4 | 8.4 | 13.00 |
| C220AHC220AHL | C2100HC2102H | 63.50 | 47.60 | 23.80 | 28.6 | 31.80 | 50.4 | 8.4 | 13.00 |
| C2042HWSA2 | 25.40 | 37.30 | 9.50 | - | 13.50 | 20.5 | 3.4 | - | |
| C2050HWSA2F1 | 31.75 | 46.75 | 31.75 | - | 15.90 | 25.0 | 5.5 | - | |
| C2060SA2F1 | 38.10 | 28.60 | 14.30 | - | 19.10 | 26.1 | 5.5 | - | |
| C2062HSK2F1 | 38.10 | 28.60 | 14.30 | - | 19.10 | 23.8 | 5.2 | - | |
| C2060HSK1F1 | 38.10 | 28.60 | - | 17.3 | - | 30.0 | - | 11.80 | |
| C216AH2F | 50.80 | 38.10 | 19.10 | - | 25.40 | 43.5 | 6.5 | - | |
| C2082F58SA1-P | 50.80 | 38.50 | - | 27.0 | - | 39.5 | - | 8.10 | |
| C2080HSLRSA2F5 | 50.80 | 38.10 | 19.10 | - | 25.40 | 43.5 | 6.8 | - | |
| C2100HSA1 | 63.50 | 47.60 | - | 28.6 | - | 50.4 | - | 13.00 | |
| C224ALSK2F1 | 76.20 | 57.20 | 28.6 | - | 37.30 | 59.9 | - | 11.00 | |
| C2122HSA1F1 | 76.20 | 57.20 | - | 37.3 | - | 59.9 | - | 14.30 | |
| C224AHLSA2F1 | 76.20 | 57.20 | 28.6 | - | 37.30 | 59.9 | - | 9.53 | |
| 208BSK1F2 | 25.40 | 14.00 | - | 17.7 | - | 21.3 | - | 3.20 | |
| 208BSK1F3 | 25.40 | 13.00 | - | 14.7 | - | 26.7 | - | 3.10 | |
| 208BSK1F4 | 25.40 | 24.20 | - | 14.3 | - | 20.5 | - | 4.20 |


Address
Luotuo Industrial Area, Zhenhai District, Ningbo City, China
Tel
