Double Plus Chains
The Double Plus Chain is designed to allow the base chain to continue running while the conveyed product remains stationary at designated points in the production line. This design also simplifies production set-up because only one length of the chain is needed to operate through several processes. The Double Plus Chain is more economical than the outboard roller chains because it is able to run at lower speeds, which reduces the need for additional motor power.

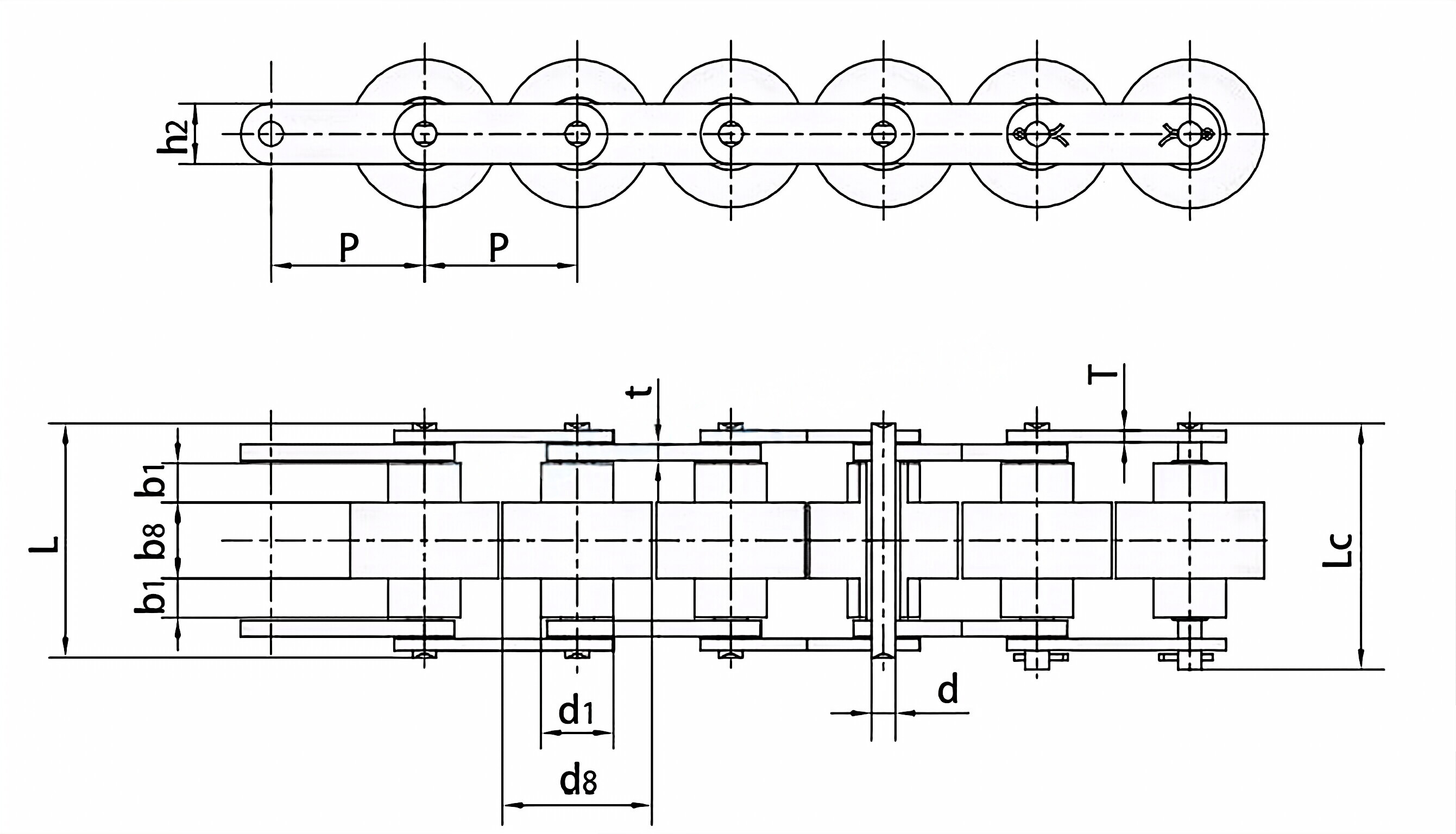
| JBChain No. | RaydafonChain No. | Pitch | Roller dimension | Pin diameter | Pin length | Plate dimension | Weight per meter | ||||||
| P | d1 max | d8 max | b1 min | b8 max | d2max | Lmax | Lc max | h2 max | Tmax | tmax | q | ||
| mm | mm | mm | mm | mm | mm | mm | mm | mm | mm | mm | kg/m | ||
| BS25-C206B | C2030W | 19.05 | 11.91 | 18.3 | 4.00 | 8.0 | 3.28 | 24.0 | 25.6 | 8.20 | 1.30 | 1.50 | 0.52 |
| BS25-C208A | C2040W | 25.40 | 15.88 | 24.6 | 5.70 | 10.3 | 3.96 | 31.0 | 32.8 | 11.70 | 1.50 | 1.50 | 0.79 |
| BS25-C210A | C2050W | 31.75 | 19.05 | 30.6 | 7.10 | 13.0 | 5.08 | 39.5 | 41.2 | 15.00 | 2.03 | 2.03 | 1.36 |
| BS25-C212A | C2060HW | 38.10 | 22.23 | 36.6 | 8.50 | 15.5 | 5.94 | 48.8 | 51.5 | 18.00 | 3.25 | 3.25 | 2.19 |
| BS25-C216A | C2080W | 50.80 | 28.58 | 49.0 | 11.00 | 21.5 | 7.92 | 66.2 | 70.0 | 24.00 | 4.00 | 5.00 | 4.06 |
| BS30-C206B | 19.05 | 9.00 | 18.3 | 4.50 | 9.1 | 3.28 | 26.3 | 29.6 | 7.28 | 1.30 | 1.50 | 0.50 | |
| BS30-C208A | 25.40 | 11.91 | 24.6 | 6.10 | 12.5 | 3.96 | 35.6 | 39.5 | 9.60 | 1.50 | 2.00 | 0.83 | |
| BS30-C210A | 31.75 | 14.80 | 30.6 | 7.50 | 15.0 | 5.08 | 43.0 | 47.1 | 12.20 | 2.00 | 2.40 | 1.27 | |
| BS30-C212A | 38.10 | 18.00 | 37.0 | 9.75 | 20.0 | 5.94 | 58.1 | 62.7 | 15.00 | 3.00 | 4.00 | 2.14 | |
| BS30-C216A | 50.80 | 22.23 | 49.0 | 12.00 | 25.2 | 7.92 | 71.9 | 77.3 | 18.60 | 4.00 | 5.00 | 3.55 | |

Raydafon is an industry-leading, reliable and outstanding roller chain supplier that aims to provide high-quality products at more competitive prices and better service.* Good quality products at competitive pricing* Wide variety of products available in various materials and sizes* Our products are manufactured in an ISO9001 certified factory* Great customer service that's here to answer all of your questions* Largest online selection of power transmission products* Easy online shopping and ordering available 24/7 - 365 days a year* High quality made to order products Address
Luotuo Industrial Area, Zhenhai District, Ningbo City, China
Tel
