DXG40/DXG40 D Series Shaft Mounted Gearbox for Mining Equipment
After becoming the best-selling mining gearbox, the DXG (ATA) series shaft-mounted gearbox is well-received by industries. It is favored because its absolute reliability and low maintenance characteristics are critical factors in the mining and ore fields. The shaft-mounted speed reducer adopts a modular design that can be modified according to customer requirements. DXG(ATA) series shaft mounted gearbox is widely applied to the mining industry, such as Crusher, Ore Mill, Crane, Screening Machine, Conveyor, etc.
| 1. Housing: Nodular Cast Iron(Ductile Iron) QT600 | 8. Input Configurations: Keyed Solid Shaft InputIEC Normalized Motor Flange |
| 2. Gears Profile: Hardened Helical Gears | 9. Output Configurations:Keyed Hollow Shaft Output |
| 3. Gears Material: 20CrMnTi | 9. Output Configurations: Keyed Hollow Shaft Output |
| 4. Gears Processing: Carburizing, Quenching, Grinding | 10. Oil Seal: TAIWAN SOG |
| 5. Gears Hardness: Surface Hardness: HRC58-62, Inner Hardness: HBS156-207 | 11. Bearings: NSK, SKF, FAG, HRB, ZWZ, LYC |
| 6. Gears Accuracy: 6 Class | 12. Spare Parts: Torque arm, Optional Backstop |
| 7. Shafts Material: 40Cr |
| Model | i | n1=1400r/min | n1=900r/min | n1=500r/min | |||||||||
| n2 | Mn2 | Pn1 | Rn1 | n2 | Mn2 | Pn1 | Rn1 | n2 | Mn2 | Pn1 | Rn1 | ||
| r/min | N/m | kW | N | r/min | N/m | kW | N | r/min | N/m | kW | N | ||
| DXG40 | 5 | 280 | 489 | 14.4 | 1000 | 180 | 550 | 10.6 | 1200 | 100 | 700 | 7.5 | 1500 |
| DXG40-D | 10 | 140 | 600 | 9.2 | 850 | 90 | 750 | 7.4 | 950 | 50 | 800 | 4.4 | 1200 |
| 12.7 | 110 | 750 | 8.1 | 850 | 71 | 780 | 5.8 | 950 | 39 | 820 | 3.4 | 1200 | |
| 15 | 93 | 780 | 7.7 | 850 | 60 | 800 | 5.3 | 950 | 33 | 850 | 3.1 | 1200 | |
| 19.7 | 71 | 780 | 6.1 | 850 | 46 | 800 | 4.0 | 950 | 25.4 | 850 | 2.4 | 1200 | |
| 25 | 56 | 800 | 4.9 | 850 | 36 | 850 | 3.4 | 950 | 20.0 | 900 | 2.0 | 1200 | |

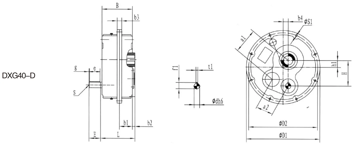
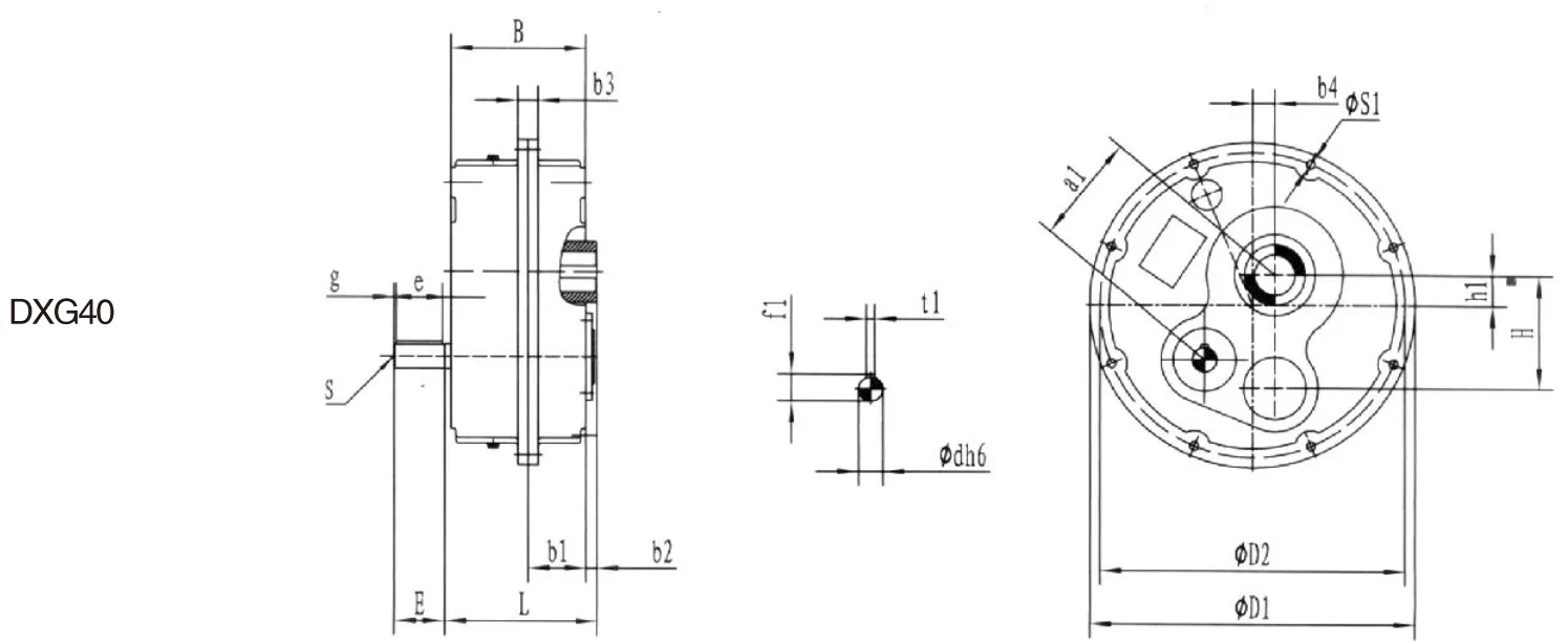
| Model | 外部尺寸 Outside dimensions | 重量Weight | |||||||||||||||||||
| a1 | a2 | H | h1 | B | b1 | b2 | b3 | b4 | D1 | D2 | d | E | e | g | f1 | t1 | S | s1 | L | (kg) | |
| DXG40 | 109 | 75 | 112 | 30 | 132 | 57 | 11 | 20.5 | 22 | 330 | 310 | 24 | 50 | 45 | 2.5 | 27 | 8 | M8 | 8.5 | 150 | 30 |
| DXG40-D | 33 | ||||||||||||||||||||

| Model | 输出空心轴的尺寸 | ||||||||||
| d1 | D4 | D5 | K0 | K1 | K2 | K3 | f2 | t2 | n | ||
| DXG40 | Φ40 | 60 | 40 | 50 | 144 | 30 | 64 | 12 | 43.4 | 12 | M12 |
| Φ45 | 45 | 50 | 48.8 | 14 | |||||||
![]() | ![]() | ![]() |
![]() | ![]() |
![]() | ![]() |
Address
Luotuo Industrial Area, Zhenhai District, Ningbo City, China
Tel
