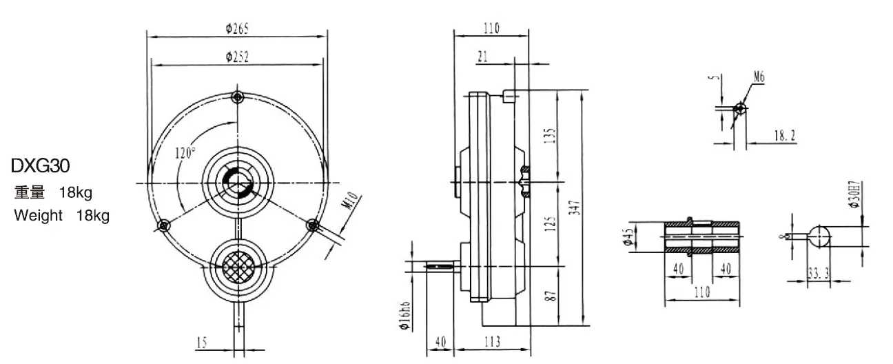
DXG30 Series Shaft Mounted Gearbox
The DXG30 series shaft mounted gearbox is well-received by industries after becoming the best-selling mining gearbox. It is favored because its absolute reliability and low maintenance characteristics are critical factors in the mining and ore fields. The shaft-mounted speed reducer adopts a modular design that can be modified according to customer requirements. It can meet the needs of all industrial productions and is especially suitable for wind power products, couplings, gears, and other spare parts.
| Housing: | Nodular Cast Iron(Ductile Iron) QT600 |
| Gears Profile: | Hardened Helical Gears |
| Gears Material: | 20CrMnTi |
| Gears Processing: | Carburizing, Quenching, Grinding |
| Gears Hardness: | Surface Hardness: HRC58-62, Inner Hardness: HBS156-207 |
| Gears Accuracy: | 6 Class |
| Shafts Material: | 40Cr |
| Input Configurations: | Keyed Solid Shaft InputIEC Normalized Motor Flange |
| Output Configurations: | Keyed Hollow Shaft Output |
| Oil Seal: | TAIWAN SOG |
| Bearings: | NSK, SKF, FAG, HRB, ZWZ, LYC |
| Spare Parts: | Torque arm, Optional Backstop |
| Model | i | n1=1400r/min | n1=900r/min | n1=500r/min | |||||||||
| n2 | Mn2 | Pn1 | Rn1 | n2 | Mn2 | Pn1 | Rn1 | n2 | Mn2 | Pn1 | Rn1 | ||
| r/min | N/m | kW | N | r/min | N/m | kW | N | r/min | N/m | kW | N | ||
| DXG30 | 7.2 | 194 | 137 | 2.9 | 350 | 125 | 150 | 2.0 | 400 | 69 | 180 | 1.3 | 500 |
| 10 | 140 | 137 | 2.1 | 350 | 90 | 150 | 1.4 | 400 | 50 | 180 | 1.0 | 500 | |
| 12.64 | 111 | 137 | 1.6 | 350 | 71 | 150 | 1.1 | 400 | 40 | 180 | 0.8 | 500 | |

![]() | ![]() |
![]() | ![]() |
![]() | ![]() |
Address
Luotuo Industrial Area, Zhenhai District, Ningbo City, China
Tel
