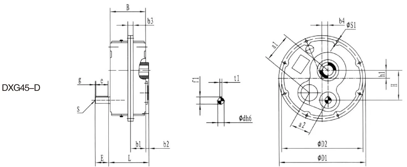
DXG45/DXG45 D Series Shaft Mounted Gearbox for Quarrying and Mining Industry
DXG(ATA) series shaft mounted gearboxes are mechanical power transmission components that are used to drive a load at a reduced fixed ratio of motor speed. They are commonly used for driving conveyor belts, rotary screens, screw conveyors, mixers, crushers, elevators, and more. The most common type of shaft mounted gearbox is the helical gear reducer, which mounts directly to the driven shaft and is available in both parallel and shaft mounting configurations. Additionally, there are several accessories available to increase the versatility of the gearbox. The most common materials used for DXG(ATA) series shaft mounted gearboxes are aluminum and cast iron, and they are available in a wide range of reduction ratios to ensure maximum efficiency in all applications.
| Model | i | n1=1400r/min | n1=900r/min | n1=500r/min | |||||||||
| n2 | Mn2 | Pn1 | Rn1 | n2 | Mn2 | Pn1 | Rn1 | n2 | Mn2 | Pn1 | Rn1 | ||
| r/min | N/m | kW | N | r/min | N/m | kW | N | r/min | N/m | kW | N | ||
| DXG45 | 5 | 280 | 850 | 26.0 | 1500 | 180 | 950 | 18.4 | 1700 | 100 | 1100 | 11.8 | 2150 |
| DXG45-D | 10 | 140 | 1000 | 15.4 | 1150 | 90 | 1200 | 11.9 | 1300 | 50 | 1300 | 7.2 | 1650 |
| 12.2 | 115 | 1100 | 13.9 | 1150 | 74 | 1200 | 9.7 | 1300 | 41 | 1300 | 5.9 | 1650 | |
| 15 | 93 | 1200 | 12.3 | 1150 | 60 | 1250 | 8.3 | 1300 | 33 | 1300 | 4.8 | 1650 | |
| 19.7 | 71 | 1250 | 9.8 | 1150 | 46 | 1300 | 6.5 | 1300 | 25.4 | 1350 | 3.8 | 1650 | |
| 25 | 56 | 1300 | 8.0 | 1150 | 36 | 1350 | 5.4 | 1300 | 20.0 | 1400 | 3.1 | 1650 | |

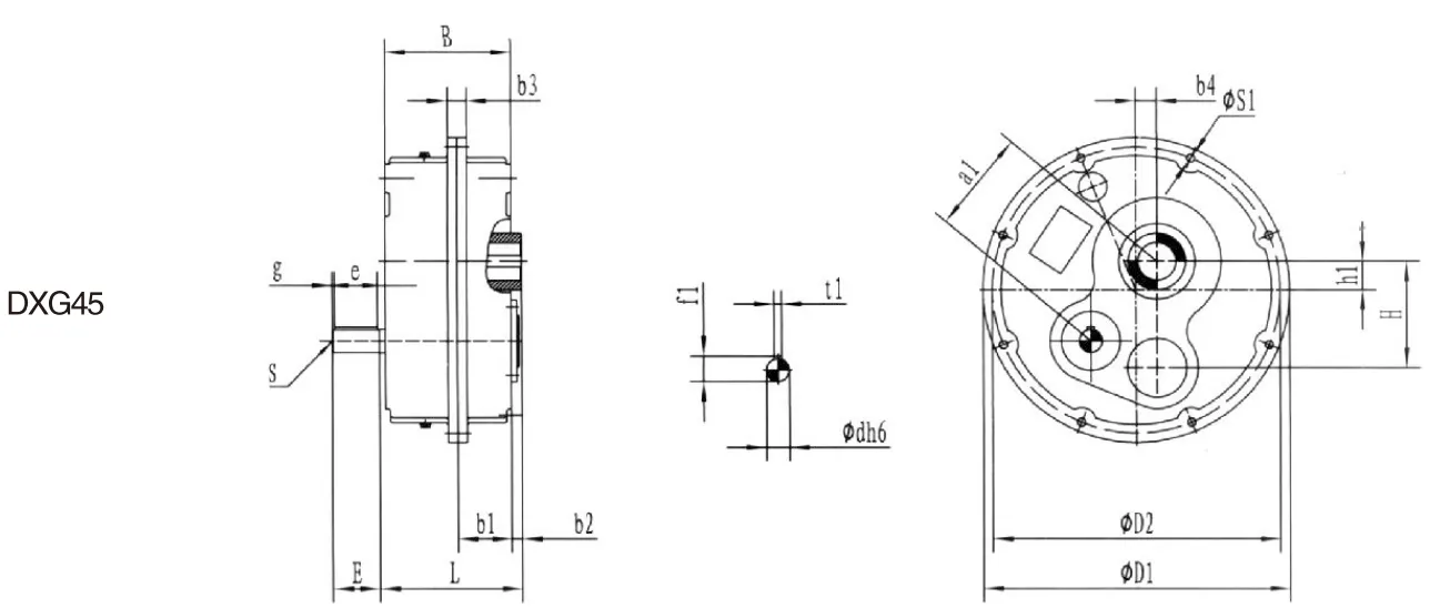
| Model | 外部尺寸 Outside dimensions | 重量Weight | |||||||||||||||||||
| a1 | a2 | H | h1 | B | b1 | b2 | b3 | b4 | D1 | D2 | d | E | e | g | f1 | t1 | S | s1 | L | (kg) | |
| DXG44 | 120 | 91 | 123 | 34 | 147 | 60 | 15 | 20.5 | 33 | 364 | 344 | 28 | 60 | 50 | 5 | 31 | 8 | M10 | 8.5 | 164 | 37 |
| DXG45-D | 41 | ||||||||||||||||||||

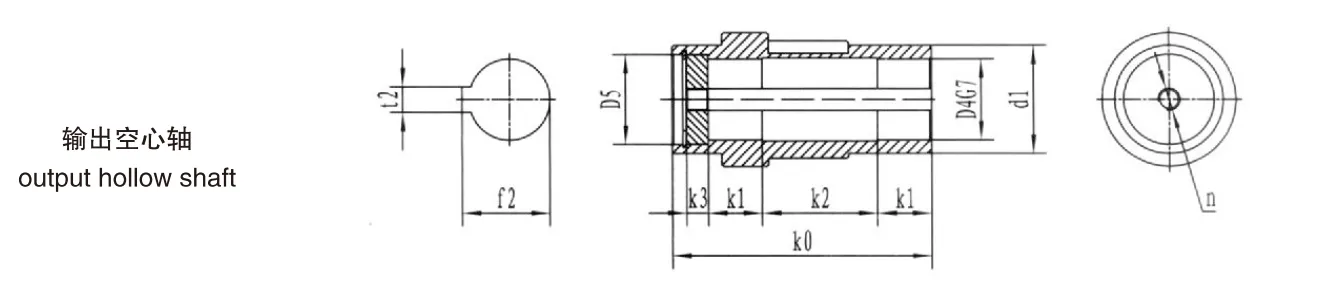
| Model | 输出空心轴的尺寸 | ||||||||||
| d1 | D4 | D5 | K0 | K1 | K2 | K3 | f2 | t2 | n | ||
| DXG45 | Φ45 | 75 | 45 | 60 | 162 | 35 | 70 | 14 | 48.8 | 14 | M16 |
| Φ50 | 50 | 60 | 53.8 | 14 | |||||||
| Φ55 | 55 | 65 | 59.3 | 16 | |||||||
![]() | ![]() |
![]() | ![]() |
![]() | ![]() |
Address
Luotuo Industrial Area, Zhenhai District, Ningbo City, China
Tel
