DXG35/DXG35 D Series Shaft Mounted Gearbox for Material Handling Industry
DXG35 series shaft mounted gearbox (reducer) adopts hard tooth surface helical gear, with high bearing capacity, smooth transmission, lightweight, and low energy consumption. The input shaft of DXG35 shaft mounted gearbox is connected with the reducer motor through the pulley; The hollow output shaft is connected by a key. Electric rollers can replace it as the power for belt conveyors and lifting equipment. DXG35 series shaft mounted gearbox can be installed with backcheck, avoid the working machine skid, pull rod installation is convenient. DXG35 series shaft mounted gearbox is widely used in mining equipment, concrete mixing plants, gravel crushers, sand production lines, and other belt conveyors and mechanical transmission fields.
| Model | i | n1=1400r/min | n1=900r/min | n1=500r/min | |||||||||
| n2 | Mn2 | Pn1 | Rn1 | n2 | Mn2 | Pn1 | Rn1 | n2 | Mn2 | Pn1 | Rn1 | ||
| r/min | N/m | kW | N | r/min | N/m | kW | N | r/min | N/m | kW | N | ||
| DXG35 | 5 | 280 | 200 | 6.0 | 700 | 180 | 250 | 4.8 | 800 | 100 | 350 | 3.8 | 1000 |
| DXG35-D | 10 | 140 | 300 | 4.6 | 500 | 90 | 350 | 3.5 | 600 | 50 | 400 | 2.2 | 750 |
| 15 | 93 | 350 | 3.6 | 500 | 60 | 400 | 2.6 | 600 | 33 | 400 | 1.5 | 750 | |
| 19.5 | 72 | 380 | 3.0 | 500 | 46 | 400 | 2.0 | 600 | 25.6 | 400 | 1.1 | 750 | |
| 25 | 56 | 400 | 2.5 | 500 | 36 | 400 | 1.6 | 600 | 20.0 | 420 | 0.92 | 750 | |

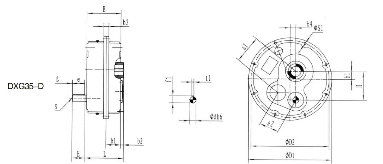
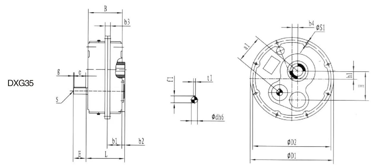
| Model | 外部尺寸 Outside dimensions | 重量Weight | ||||||||||||||||||
| a1 | a2 | H | h1 | B | b1 | b2 | b3 | b4 | D1 | D2 | d | E | e | g | f1 | t1 | S | L | (kg) | |
| DXG35 | 79 | 59 | 83 | 23 | 111 | 44 | 12 | 20.5 | 21 | 256 | 240 | 19 | 40 | 36 | 2.5 | 21.5 | M6 | 8.5 | 126 | 18 |
| DXG35-D | 20 | |||||||||||||||||||

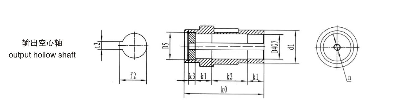
| Model | 输出空心轴的尺寸 | |||||||||
| d1 | D4 | D5 | K0 | K1 | K2 | K3 | f2 | t2 | n | |
| DXG35 | 50 | 35 | 42 | 124 | 30 | 46 | 10 | 38.3 | 10 | M10 |
![]() | ![]() |
![]() | ![]() |
![]() | ![]() |
Address
Luotuo Industrial Area, Zhenhai District, Ningbo City, China
Tel
