
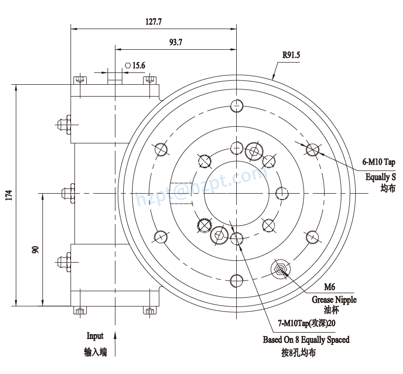
| Part | Description | Part | Description |
|---|---|---|---|
| 1 | Enclosed housing | 9 | End cap O-rings |
| 2 | Large O-ring | 10 | Outer oil seals |
| 3 | Slewing ring | 11 | Taper roller bearing |
| 4 | Top plate seal | 12 | Inner oil seals |
| 5 | Upper positioning bolts | 13 | Worm shaft |
| 6 | Top plate | 14 | Grease nipples |
| 7 | Non-drive end cover | 15 | Lower positioning bolts |
| 8 | End cap & bolts | 16 | Drive end adaptor cap |
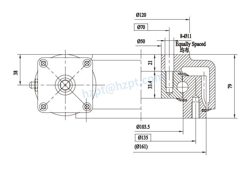
| Front View | Top View |
![]() | ![]() |

| Output torque | Tilting moment torque | Holding torque | Axial load | Radial load | Ratio | Backlash | Weight |
| 输出转矩 | 倾覆力矩 | 保持力矩 | 轴向承载力 | 径向承载力 | 速比 | 精度 | 重量 |
| 600 kN.m | 1800 kN.m | 5200 kN.m | 76 KN | 23 KN | 62:1 | <= 0.20 ° | 16Kg |
| 443 Lbf.ft | 1328 Lbf.ft | 3837 Lbf.ft | 17084 Lbf | 5170 Lbf |
![]() | ![]() | ![]() |
Attachment tools | Steering gearboxes | Boom arms |

Address
Luotuo Industrial Area, Zhenhai District, Ningbo City, China
Tel
