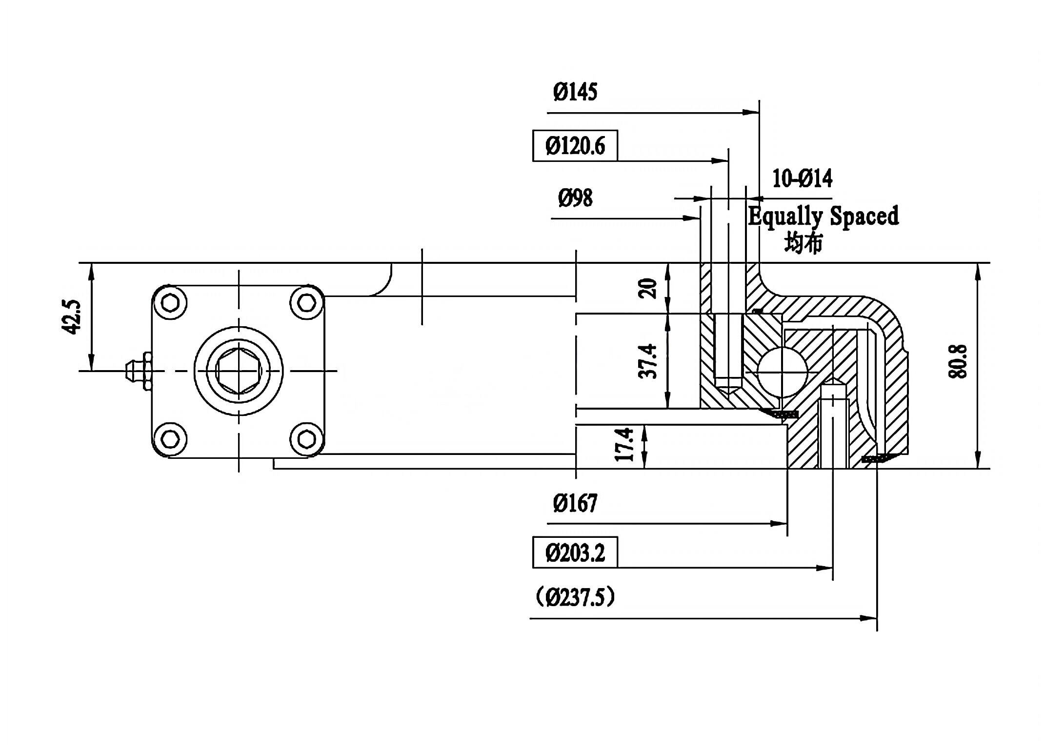
| Front View | Top View |
![]() | ![]() |

| Output torque | Tilting moment torque | Holding torque | Axial load | Radial load | Ratio | Backlash | Weight |
| 输出转矩 | 倾覆力矩 | 保持力矩 | 轴向承载力 | 径向承载力 | 速比 | 精度 | 重量 |
| 1500 kN.m | 13500 kN.m | 10600 kN.m | 135 KN | 53 KN | 73:1 | <= 0.20 ° | 24Kg |
| 1107 Lbf.ft | 9957 Lbf.ft | 7822 Lbf.ft | 30348 Lbf | 11915 Lbf |


Address
Luotuo Industrial Area, Zhenhai District, Ningbo City, China
Tel
