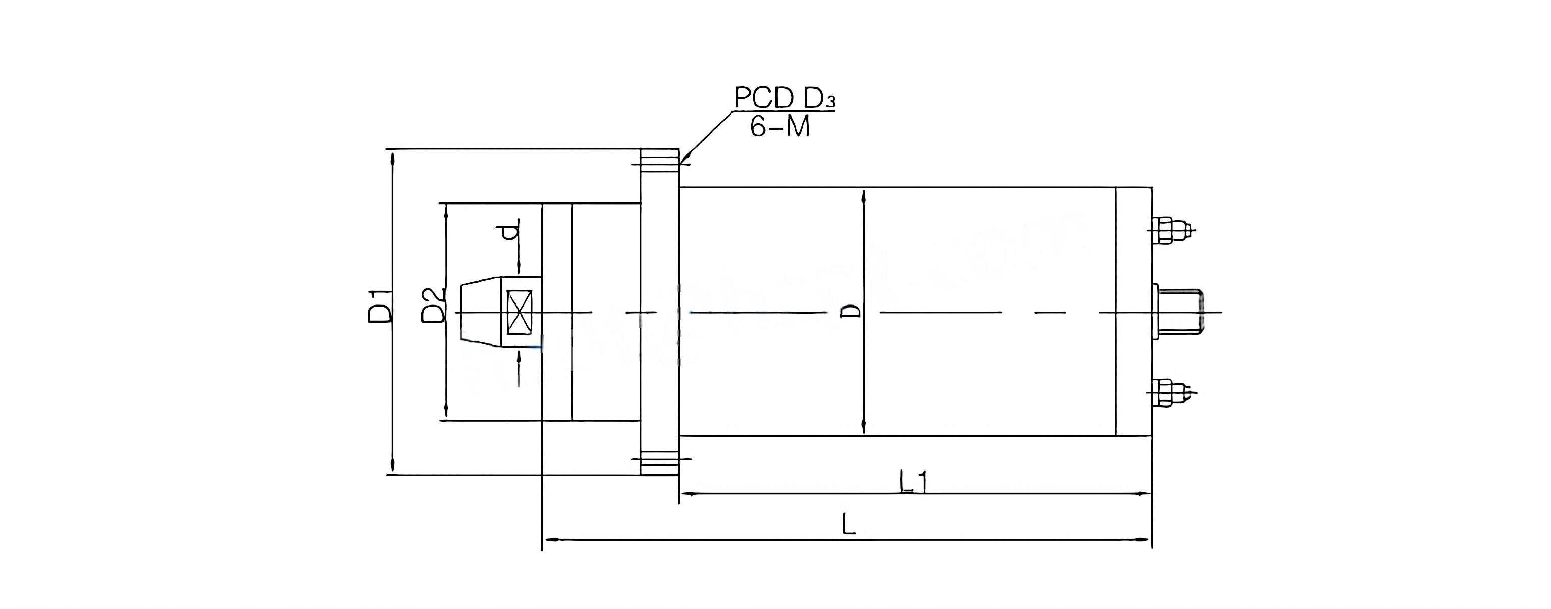
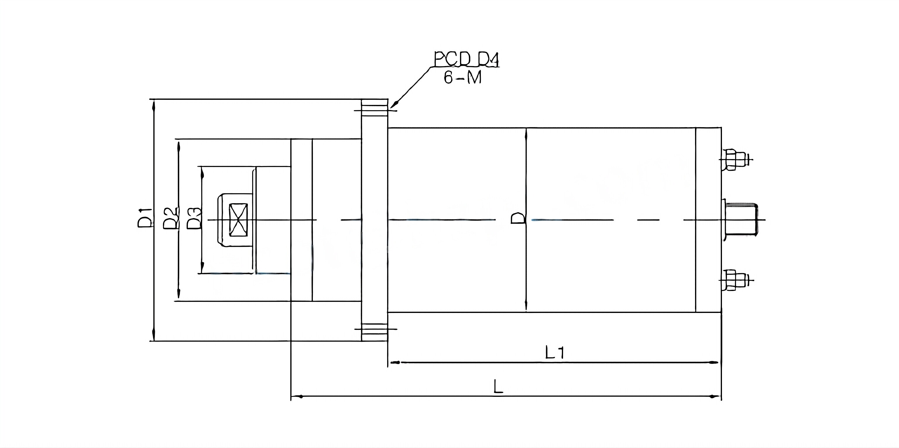
Electrical Spindle for Special Usage



Examples: JSZD120-12/15 motorized spindle is mainly used for small parts processing of non-ferrous metals. Customers own feeding mechanism, spindle hollow feeding, front elastic clamping, processing zero. lt has low roughness, good dimensional stability, and high efficiency.




Address
Luotuo Industrial Area, Zhenhai District, Ningbo City, China
Tel
