Female Connectors-NPT Flared Tube Fittings
Flared tube female connectors are designed to connect tubing or hoses to a male fitting by using a flared end on the tubing. The flare is created using a special tool that spreads the end of the tubing to form a cone shape. This flared end then fits snugly over the male end of the connection, providing a tight, leak-proof seal. Flared tube female connectors are common components used in various applications where a tight, leak-proof connection is required, especially in hydraulic and pneumatic systems.Key Components:

| T-Tube O.D | P-NPTSize | Basic OrderingNumber | Dimension, in. (mm) | |||
| In. | mm | L | E | F (Hex) | ||
| 1/8 | 3 | 1/8 | -JFC-AN2-FN2 | 1.12(28.4) | 0.06(1.6) | 0.56(14.3) |
| 3/16 | 4 | 1/8 | -JFC-AN3-FN2 | 1.13 (28.7) | 0.13(3.2) | 0.56(14.3) |
| 1/4 | 6 | 1/8 | -JFC-AN4-FN2 | 1.13 (28.7) | 0.17 (4.4) | 0.56(14.3) |
| 1/4 | 6 | 1/4 | -JFC-AN4-FN4 | 1.39 (35.3) | 0.17 (4.4) | 0.75 (19.1) |
| 5/16 | 8 | 1/8 | -JFC-AN5-FN2 | 1.17 (29.7) | 0.24 (6.0) | 0.56(14.3) |
| 5/16 | 8 | 1/4 | -JFC-AN5-FN4 | 1.39 (35.3) | 0.24 (6.0) | 0.75 (19.1) |
| 3/8 | 10 | 1/4 | -JFC-AN6-FN4 | 1.40 (35.6) | 0.30 (7.5) | 0.75 (19.1) |
| 3/8 | 10 | 3/8 | -JFC-AN6-FN6 | 1.46 (37.1) | 0.30 (7.5) | 0.87 (22.2) |
| 1/2 | 12 | 3/8 | -JFC-AN8-FN6 | 1.56 (39.6) | 0.39 (9.9) | 0.87 (22.2) |
| 1/2 | 12 | 1/2 | -JFC-AN8-FN8 | 1.80 (45.6) | 0.39 (9.9) | 1.13 (28.6) |
| 5/8 | 16 | 1/2 | -CJFC-AN10-FN8 | 1.89 (48.0) | 0.48(12.3) | 1.13 (28.6) |
| 3/4 | 18 | 1/2 | -JFC-AN12-FN8 | 2.05 (52.1) | 0.61(15.5) | 1.13 (28.6) |
| 3/4 | 18 | 3/4 | -JFC-AN12-FN12 | 2.06 (52.3) | 0.61(15.5) | 1.37 (34.9) |
| 7/8 | 22 | 3/4 | -JFC-AN14-FN12 | 2.06 (52.3) | 0.72(18.3) | 1.37 (34.9) |
| 1 | 25 | 1 | -JFC-AN16-FN16 | 2.35 (59.7) | 0.85 (21.5) | 1.63 (41.3) |
| 1 1/4 | 32 | 1 1/4 | -JFC-AN20-FN20 | 2.49 (63.2) | 1.08 (27.5) | 2.00 (50.8) |
| 1 1/2 | 38 | 1 1/2 | -JFC-AN24-FN24 | 2.62 (66.5) | 1.30 (33.0) | 2.37 (60.3) |
| 2 | 50 | 2 | -JFC-AN32-FN32 | 2.97 (75.4) | 1.77 (45.0) | 2.87 (73.0) |

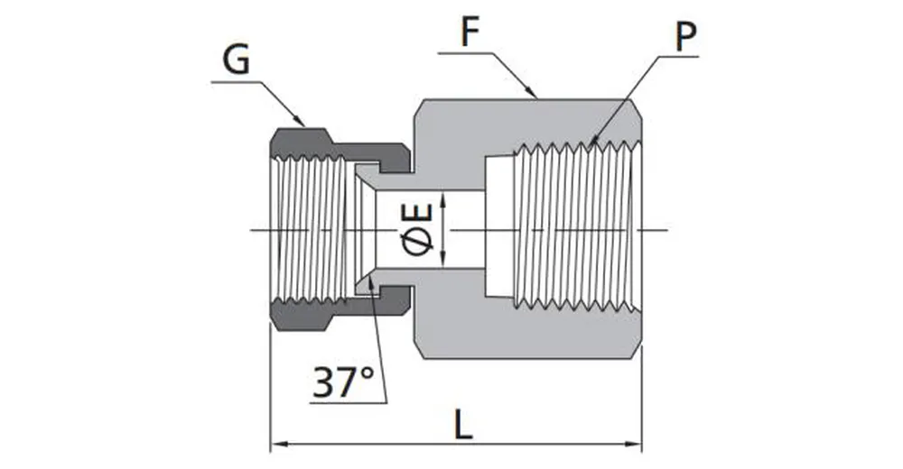
| T-Tube O.D | P-NPTSize | Basic OrderingNumber | Dimension, in. (mm) | ||||
| In | mm | L | E | G | F (Hex) | ||
| 1/8 | 3 | 1/8 | -JFC-AS2-FN2 | 1.42 (36.1) | 0.06(1.6) | 0.44(11.1) | 0.56(14.3) |
| 3/16 | 4 | 1/8 | -JFC-AS3-FN2 | 1.47 (37.3) | 0.13(3.2) | 0.50(12.7) | 0.56(14.3) |
| 1/4 | 6 | 1/8 | -JFC-AS4-FN2 | 1.56 (39.7 | 0.17 (4.4) | 0.56(14.3) | 0.56(14.3) |
| 5/16 | 8 | 1/8 | -JFC-AS5-FN4 | 1.59 (40.5) | 0.24 (6.0) | 0.63(15.9) | 0.56(14.3) |
| 3/8 | 10 | 1/4 | -JFC-AS6-FN4 | 1.80 (45.8) | 0.30 (7.5) | 0.69(17.5) | 0.75 (19.1) |
| 1/2 | 12 | 3/8 | -JFC-AS8-FN8 | 1.85 (47.0) | 0.39 (9.9) | 0.87(22.2) | 0.87 (22.2) |
| 5/8 | 16 | 1/2 | -CJFC-AS10-FN8 | 2.03 (51.6) | 0.48 (12.3) | 1.00(25.4) | 1.13 (28.6) |
| 3/4 | 18 | 3/4 | -JFC-AS12-FN12 | 2.62 (66.6) | 0.61 (15.5) | 1.25(31.8) | 1.37 (34.9) |
| 7/8 | 22 | 3/4 | -JFC-AS14-FN12 | 2.67 (67.8) | 0.71(18.0) | 1.37(34.9) | 1.37 (34.9) |
| 1 | 25 | 1 | -JFC-AS16-FN16 | 2.89 (73.5) | 0.85 (21.5) | 1.50(38.1) | 1.63 (41.3) |
| 1 1/4 | 32 | 1 1/4 | -JFC-AS20-FN20 | 3.07 (78.1) | 1.08 (27.5) | 2.00(50.8) | 2.00 (50.8) |
| 1 1/2 | 38 | 1 1/2 | -JFC-AS24-FN24 | 3.41 (86.7) | 1.30 (33.0) | 2.37(60.3) | 2.37 (60.3) |
| 2 | 50 | 2 | -JFC-AS32-FN32 | 3.52 (89.3) | 1.77 (45.0) | 2.87(73.0) | 2.87 (73.0) |


Address
Luotuo Industrial Area, Zhenhai District, Ningbo City, China
Tel
