H Class Mill Chain H60 H74 H78 H79 H82 H87 H124

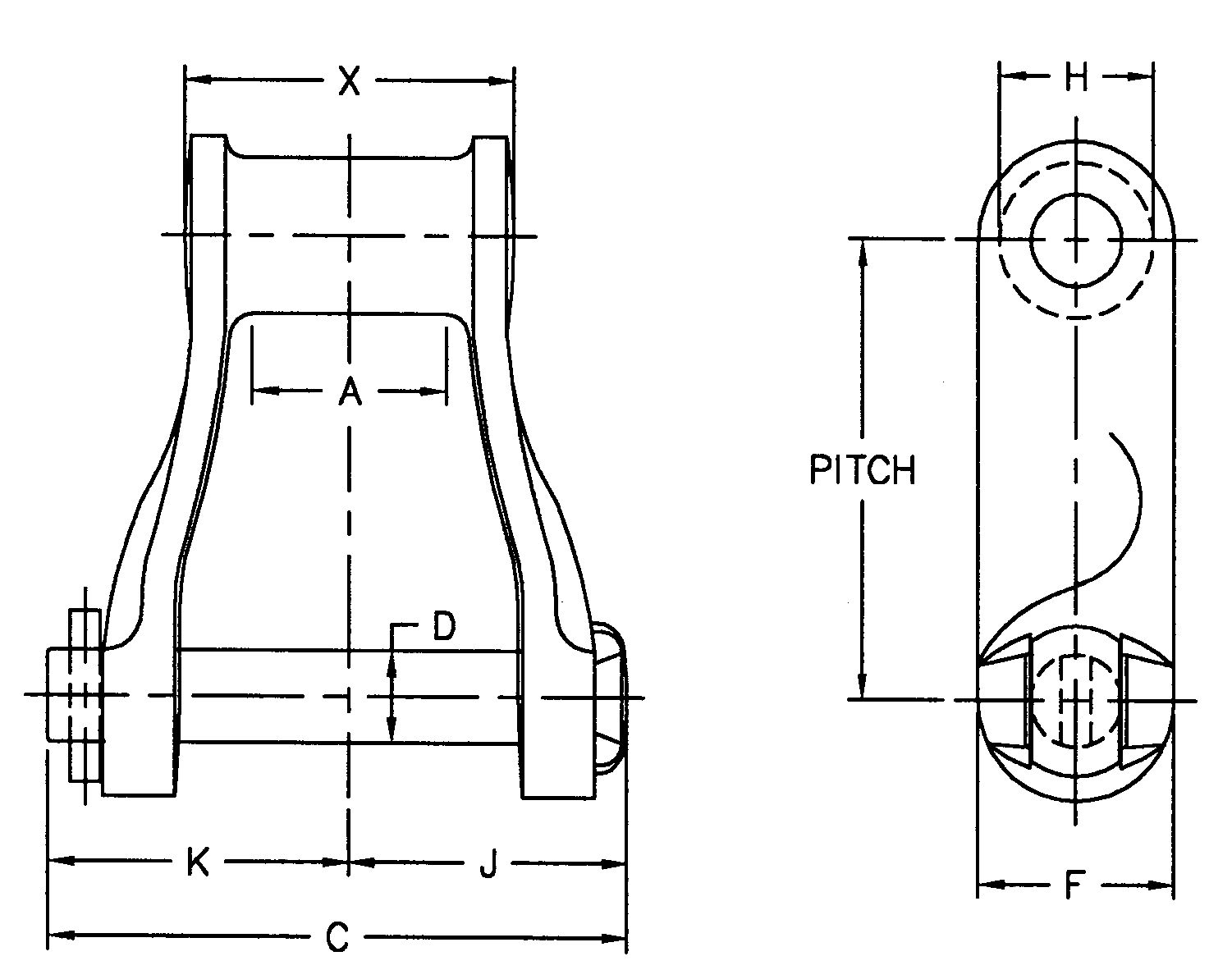
A-L CHAIN NO. | LINKS | PINS |
H 60H 74H 78H 79H 82H 87H 124 | ALL NUMBERSA-LPrimal | ALL NUMBERSCarbon Steel, Heat-Treated |


MOLINE CHAIN NO. | PITCH IN INCHES | LINKS PER10 FEET | WEIGHT PER FOOT LBS. | AVERAGE ULTIMATE STRENGTH LBS. | RECOMMENDED MAXIMUM WORKINGLOAD LBS. | CHAIN CONSTRUCTION | AVAILABLE ATTACHMENTS |
H 60 | 2.308 | 52 | 2.1 | 9,450 | 1,560 | Riveted or Cottered | H2, K1 |
H 74 | 2.609 | 46 | 3.0 | 13,500 | 1,850 | Riveted or Cottered | F4 |
H 78 | 2.609 | 46 | 4.2 | 22,200 | 2,810 | Riveted or Cottered | A1, F4, F8, G19, H1, H2, K1, K2 |
H 79 | 2.609 | 46 | 4.8 | 24,300 | 2,810 | Riveted or Cottered | None |
H 82 | 3.075 | 39 | 5.5 | 27,000 | 3,580 | Riveted or Cottered | K2 |
H 87 | 4.000 | 30 | 6.5 | 33,750 | 4,450 | Riveted or Cottered | None |
H 124 | 4.000 | 30 | 8.8 | 40,500 | 6,180 | Riveted or Cottered | K2 |
MOLINE CHAIN NO | MAXIMUM ALLOWABLE SPROCKET FACEA | OVERALL WIDTH— COTTERED C | DIAMETER OFPIN D | OVERALL WIDTH— RIVETED E | HEIGHT OF SIDEBARS F | DIAMETER OF BARRELH | HEAD OF PIN TO CENTER LINEJ |
H 60 | 0.75 | 2.62 | 0.312 | 2.62 | 0.75 | 0.75 | 1.25 |
H 74 | 1.00 | 3.12 | 0.375 | 2.88 | 1.00 | 0.88 | 1.50 |
H 78 | 1.12 | 3.31 | 0.500 | 3.19 | 1.12 | 0.88 | 1.56 |
H 79 | 1.12 | 3.31 | 0.500 | 3.19 | 1.12 | 0.88 | 1.56 |
H 82 | 1.25 | 3.88 | 0.562 | 3.88 | 1.25 | 1.22 | 1.88 |
H 87 | 1.50 | 4.38 | 0.625 | 4.19 | 1.38 | 1.38 | 2.06 |
H 124 | 1.62 | 4.88 | 0.750 | 4.75 | 1.56 | 1.44 | 2.25 |
MOLINE CHAIN NO. | END OF PIN TO CENTER LINE— COTTERED K | END OF PIN TO CENTER LINE— RIVETED L | BEARING LENGTH X |
H 60 | 1.38 | 1.38 | 1.50 |
H 74 | 1.62 | 1.62 | 1.66 |
H 78 | 1.62 | 1.62 | 1.88 |
H 79 | 1.62 | 1.62 | 1.88 |
H 82 | 2.00 | 2.00 | 2.12 |
H 87 | 2.12 | 2.12 | 2.38 |
H 124 | 2.50 | 2.50 | 2.75 |


Address
Luotuo Industrial Area, Zhenhai District, Ningbo City, China
Tel
