

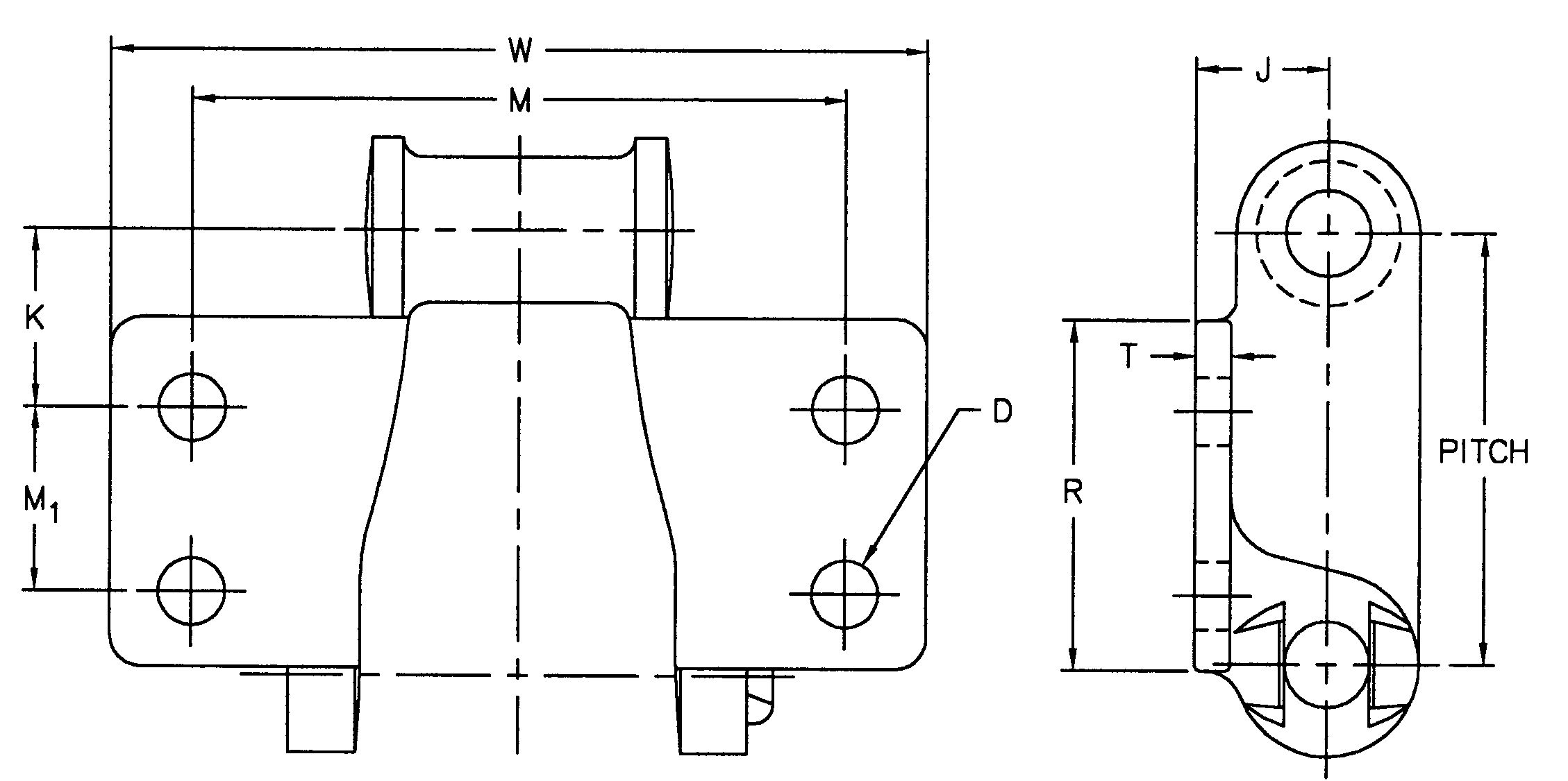
MOLINE ATTACHMENT NO | PITCH | J | K | M | M1 | R | T | W | AVERAGE WEIGHT PER FOOT LBS |
H 78-K2 | 2.609 | 0.81 | 1.08 | 4.00 | 1.12 | 2.12 | 0.25 | 5.00 | 6.0 |
H 82-K2 | 3.075 | 0.88 | 1.00 | 4.25 | 1.31 | 2.19 | 0.31 | 5.50 | 7.6 |
H 124-K2 | 4.000 | 1.19 | 1.19 | 5.25 | 1.94 | 2.88 | 0.31 | 6.38 | 11.3 |




Address
Luotuo Industrial Area, Zhenhai District, Ningbo City, China
Tel
