HB1 Steel Hubs for B Split Taper Bushings
HB1 steel hubs for split taper bushings are mechanical components used in power transmission systems to mount sprockets, pulleys, and other rotating equipment onto a shaft.The HB1 steel hubs are designed to work with split taper bushings, which are hollow, cylindrical components that fit onto a shaft and provide a tapered bore to match the tapered outside surface of the hub. The HB1 hub is then mounted onto the bushing using a set of screws or bolts that are tightened to apply pressure and create a tight, secure fit between the hub and the bushing.HB1 steel hubs for split taper bushings are typically made from high-quality steel and are heat-treated for added strength and durability. They are commonly used in a variety of industrial applications, such as conveyor systems, pumps, and generators, where reliable and efficient power transmission is essential.

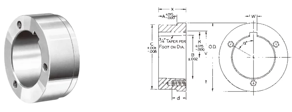
| Part No. | HB1 Steel Hubs | |
| For Bushing | B Split Taper Bushings | |
| Dimensions | O.D. | 3 7/8" |
| A | 0.292" | |
| B | 2.623" | |
| C | 3.750" | |
| K | 1 7/16" | |
| V | 3 1/8" | |
| W | 1/2" | |
| X | 1 5/16" | |
| a | 60° | |
| Tapped Holes | d | 13/16" |
| No. | 3 | |
| Size | 5/16-18 | |
| Wt. Lbs. | 2.3 | |
![]() | ![]() |
![]() | ![]() |
Address
Luotuo Industrial Area, Zhenhai District, Ningbo City, China
Tel
