HP1 Steel Hubs for P1 Split Taper Bushings
The HP1 steel hubs for split taper bushings are a type of hub that is used to mount pulleys, sprockets, gears, and sheaves. They are made of steel and have a split taper bushing that allows them to be tightly fitted to a drive shaft. The HP1 hubs have a 3-inch outer diameter, and a 1-15/16-inch hub bore diameter. They are available in three materials: sintered steel, malleable iron, and ductile iron.Split taper bushings are a type of bushing that has a tapered bore that fits tightly onto a drive shaft. This type of bushing is often used in applications where high torque is required. The split taper design allows the bushing to be easily installed and removed, and it also provides a good degree of vibration damping.The HP1 steel hubs for split taper bushings are a versatile and reliable type of hub that can be used in a variety of applications. They are well-suited for use in high-torque applications, and they are also relatively easy to install and remove.

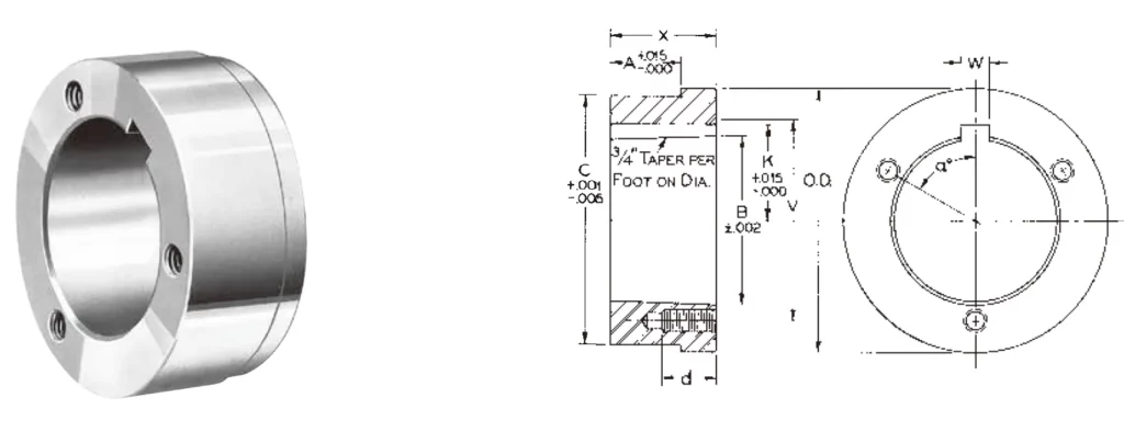
| Part No. | HP1 Steel Hubs | |
| For Bushing | P1 Split Taper Bushings | |
| Dimensions | O.D. | 3" |
| A | 0.292" | |
| B | 1.9375" | |
| C | 2.875" | |
| K | 1 3/32" | |
| V | 2 7/16" | |
| W | 3/8” | |
| X | 1 5/16" | |
| a | 60° | |
| Tapped Holes | d | 5/8" |
| No. | 3 | |
| Size | 5/16-18 | |
| Wt. Lbs. | 1.4 | |
![]() | ![]() |

![]() | ![]() |
Address
Luotuo Industrial Area, Zhenhai District, Ningbo City, China
Tel
