HP2 Steel Hubs for P2 Split Taper Bushings
HP2 steel hubs are a type of hub used with split taper bushings, which are mechanical components used to mount pulleys, sprockets, and other rotating equipment to shafts. The HP2 steel hubs are designed to be used with split taper bushings that have a 2-inch bore size.The HP2 steel hubs for split taper bushings are made from high-strength steel, which makes them durable and able to withstand high loads and stresses. They are often used in industrial applications, such as conveyor systems, pumps, and motors, where reliable and efficient power transmission is critical.To use an HP2 steel hub, the split taper bushing is first mounted onto the shaft, and then the hub is mounted onto the bushing using a set of screws. The tapered design of the bushing allows for a tight, secure fit between the hub and the shaft, which helps to prevent slipping and ensures smooth, consistent power transmission.

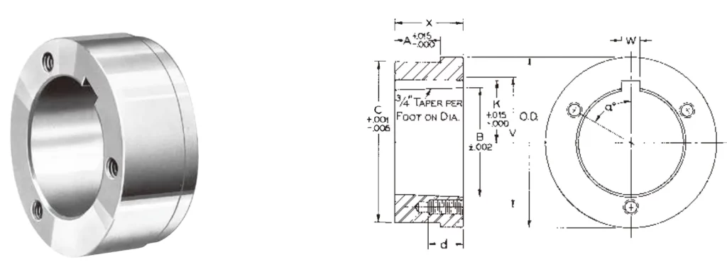
| Part No. | HP2 Steel Hubs | |
| For Bushing | P2 Split Taper Bushings | |
| Dimensions | O.D. | 3" |
| A | 1.100" | |
| B | 1.9375" | |
| C | 2.875" | |
| K | 1 3/32" | |
| V | 2 7/16" | |
| W | 3/8" | |
| X | 2 5/16" | |
| a | 60° | |
| Tapped Holes | d | 5/8" |
| No. | 3 | |
| Size | 5/16-18 | |
| Wt. Lbs. | 2.5 | |
![]() | ![]() |
![]() | ![]() |
| HP2 Steel Hubs | HP1 Steel Hubs |
![]() | ![]() |
Address
Luotuo Industrial Area, Zhenhai District, Ningbo City, China
Tel
