HCP1 Steel Hubs for P1 Split Taper Bushings
HCP1 steel hubs for split taper bushings are a type of hub used in machinery to mount components such as pulleys, sprockets, and gears. They are designed to work in combination with split taper bushings, which are used to secure the hub to a shaft.The HCP1 steel hub is made from high-strength steel and is precision machined to ensure a tight fit with the split taper bushing. The split taper design of the bushing allows for easy installation and removal of the hub without the need for special tools. The HCP1 hub is typically used in applications where high torque is required.The HCP1 steel hubs for split taper bushings are available in a range of sizes and configurations to accommodate different shaft sizes and operating conditions. They are commonly used in industrial applications such as conveyor systems, pumps, and compressors.

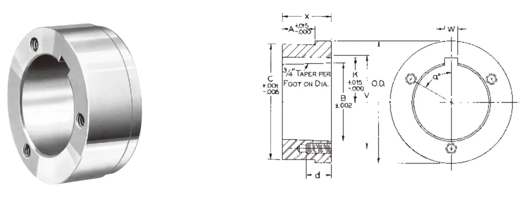
| Part No. | HCP1 Steel Hubs | |
| For Bushing | P1 Split Taper Bushings | |
| Dimensions | O.D. | 3" |
| A | 1.000" | |
| B | 1.9375" | |
| C | 2.875" | |
| K | 1 3/32" | |
| V | 2 7/16" | |
| W | 3/8" | |
| X | 1 5/16" | |
| a | 60° | |
| Tapped Holes | d | 5/8" |
| No. | 3 | |
| Size | 5/16-18 | |
| Wt. Lbs. | 1.1 | |
![]() | ![]() |

![]() | ![]() |
Address
Luotuo Industrial Area, Zhenhai District, Ningbo City, China
Tel
