HCH1 Steel Hubs for H Split Taper Bushings
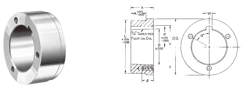
The HCH1 steel hubs for split taper bushings are a type of hub that is used to mount split taper bushings. They are made of steel and have a 1.621-inch bore that is sized to fit H-size split taper bushings. The HCH1 steel hubs have a conventional mounting type and come with four 1/4-20 threaded holes. They are also available in a variety of other sizes and materials, including sintered steel, malleable iron, and ductile iron.Split taper bushings are used as a hub for pulleys, sprockets, gears, and sheaves. They are typically made of bronze or steel and have a tapered bore that is designed to fit a matching tapered shaft. The split design of the bushing allows it to be easily installed and removed, and the tapered bore provides a secure fit that helps to prevent the shaft from rotating.The HCH1 steel hubs for split taper bushings are a versatile and durable type of hub that can be used in a variety of applications. They are a good choice for applications where secure and reliable mounting is required.

| Part No. | HCH1 Steel Hubs | |
| For Bushing | H Split Taper Bushings | |
| Dimensions | O.D. | 2 1/2" |
| A | 0.625" | |
| B | 1.621" | |
| C | 2.375" | |
| K | - | |
| V | 2" | |
| W | - | |
| X | 7/8" | |
| a | - | |
| Tapped Holes | d | 7/8" |
| No. | 2 | |
| Size | 1/4-20 | |
| Wt. Lbs. | 0.7 | |
![]() | ![]() |
![]() | ![]() |
![]() | ![]() |
Address
Luotuo Industrial Area, Zhenhai District, Ningbo City, China
Tel
