HB100 Steel Hubs for Split Taper Bushings
HB100 steel hubs are a type of mechanical component designed to be used with split taper bushings. Split taper bushings are a type of mechanical fastener that are commonly used to mount or attach rotating components, such as pulleys or sprockets, to a shaft.The HB100 steel hub is designed to be mounted onto the shaft using a split taper bushing and provides a secure attachment point for the rotating component. The hub is made from high-strength steel, which makes it durable and able to withstand the stresses and forces of rotating machinery.One of the advantages of using split taper bushings and steel hubs is that they provide a secure and tight fit between the rotating component and the shaft, reducing the risk of slippage or misalignment. This can improve the efficiency and reliability of the machinery, as well as reduce wear and tear on the components.Overall, HB100 steel hubs for split taper bushings are a key component in many types of rotating machinery, providing a secure and reliable attachment point for pulleys, sprockets, and other rotating components.

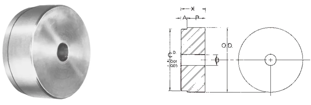
| Part No. | HB100 Steel Hubs | |
| Dimensions | O.D. | 5 1/4" |
| A | 0.688" | |
| C | 5.125" | |
| P | 2 1/16" | |
| X | 2 3/4" | |
| Bore | Stock | 1" |
| Max. | 3 1/4" | |
| Wt. Lbs. | 16.3 | |
![]() | ![]() |

![]() | ![]() |
Address
Luotuo Industrial Area, Zhenhai District, Ningbo City, China
Tel
