HB60 Steel Hubs for Split Taper Bushings
HB60 steel hubs are a type of mechanical component used in power transmission systems. They are specifically designed to work with split taper bushings, which are used to mount the hub onto a shaft.The split taper bushing is a type of locking device that enables the hub to be mounted securely onto a shaft without the need for keys or set screws. The split taper bushing consists of two parts: an inner sleeve that fits onto the shaft and an outer tapered collar that fits into the hub's bore. As the collar is tightened onto the sleeve, it creates a strong, frictional force that locks the hub onto the shaft.HB60 steel hubs are commonly used in a variety of power transmission applications, including conveyor systems, pumps, and compressors. They are known for their strength and durability, which makes them an ideal choice for heavy-duty applications that require high torque and reliable performance.

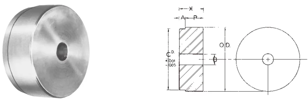
| Part No. | HB60 Steel Hubs | |
| Dimensions | O.D. | 4" |
| A | 0.469" | |
| C | 3.875" | |
| P | 1 1/32" | |
| X | 1 1/2" | |
| Bore | Stock | 5/8" |
| Max. | 2 3/8" | |
| Wt. Lbs. | 5.0 | |
![]() | ![]() |
Keyway Size: If your application requires a keyway, make sure that the HB60 steel hub you choose has a keyway that is compatible with the key you will be using.Mounting Type: HB60 steel hubs can be mounted using a variety of methods, including set screws, clamping collars, and bolts. Choose the mounting type that is most suitable for your application.Environmental Factors: Consider the operating environment of your application. If it is exposed to harsh conditions, such as high temperatures or corrosive substances, choose an HB60 steel hub that is designed to withstand those conditions.![]() | ![]() |
Address
Luotuo Industrial Area, Zhenhai District, Ningbo City, China
Tel
