HB40 Steel Hubs for Split Taper Bushings
HB40 steel hubs are a type of hub that is made of solid steel. They are often used in applications where strength and durability are important, such as in conveyor belts, compressors, and other industrial machinery. HB40 hubs are typically welded onto pulleys, sheaves, and sprockets to provide a tapered bore to match the tapered outer surface of the bushing. This allows for a secure and reliable connection between the hub and the rotating component.

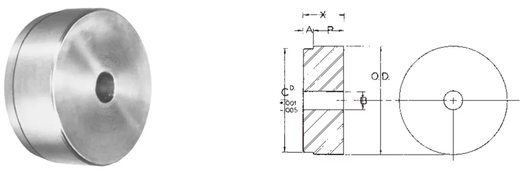
| Part No. | HB40 Steel Hubs | |
| Dimensions | O.D. | 3" |
| A | 0.281" | |
| C | 2.875" | |
| P | 27/32" | |
| X | 1 1/8" | |
| Bore | Stock | 1/2" |
| Max. | 1 7/8" | |
| Wt. Lbs. | 2.3 | |
![]() | ![]() |
![]() | ![]() |
![]() | ![]() |
Address
Luotuo Industrial Area, Zhenhai District, Ningbo City, China
Tel
