HB50 Steel Hubs for Split Taper Bushings
HB50 steel hubs are a type of hub used in power transmission systems. They are designed to work with split taper bushings, which are used to mount the hub onto a shaft. The HB50 hub is made from steel and is typically used in heavy-duty applications.The split taper bushing design allows for easy installation and removal of the hub without the need for tools or a press. The bushing is split along its length and has a tapered inner surface that matches the taper of the hub's bore. When the bushing is tightened onto the shaft, it expands slightly and creates a tight, secure fit.The HB50 hub is designed to be used with bushings that have a 1.5-inch bore diameter. It has a keyway and set screw to provide additional shaft-hub locking. The HB50 hub's outer diameter is typically larger than the diameter of the bushing, which provides additional surface area for the transmission of torque.

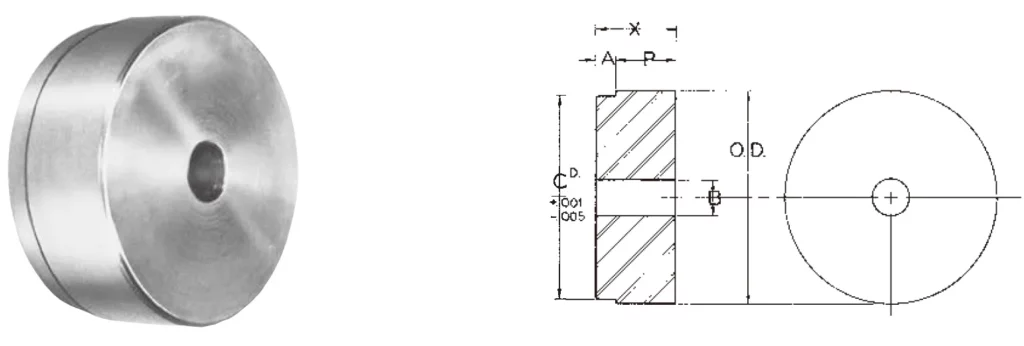
| Part No. | HB50 Steel Hubs | |
| Dimensions | O.D. | 3 1/4" |
| A | 0.344" | |
| C | 3.125" | |
| P | 1 1/32" | |
| X | 1 3/8" | |
| Bore | Stock | 5/8" |
| Max. | 2 1/4" | |
| Wt. Lbs. | 3.0 | |
![]() | ![]() |
| Feature | Type "B" weld-on hub | QD-type weld-on hub |
|---|---|---|
| Bore shape | Cylindrical with tapered inside | Cylindrical with QD bushing |
| Welding method | Welded to shaft | Secured with set screw |
| Applications | Shafts that are exposed | Shafts that are not exposed |
![]() | ![]() |
| Type "B" Weld-On Hub | QD-Type Weld-On Hubs |
![]() | ![]() |
Address
Luotuo Industrial Area, Zhenhai District, Ningbo City, China
Tel
