HB80 Steel Hubs for Split Taper Bushings
HB80 steel hubs are a type of mechanical component used in power transmission systems. They are designed to work with split taper bushings, which are commonly used to mount pulleys, sprockets, and other rotating components onto shafts.The HB80 steel hubs are made of high-quality steel and are designed to provide a secure, reliable connection between the split taper bushing and the shaft. The HB80 hub is typically machined with a keyway that matches the shaft's key, allowing for positive torque transmission and preventing slippage.Split taper bushings are designed to fit snugly into the hub's bore and are secured in place by tightening a set of screws that apply pressure to the bushing's inner taper. This creates a tight, frictional fit that allows the bushing and hub to act as a single unit, transmitting torque from the shaft to the mounted component.Overall, the HB80 steel hubs for split taper bushings are a durable and reliable component that can be used in a wide range of power transmission applications.

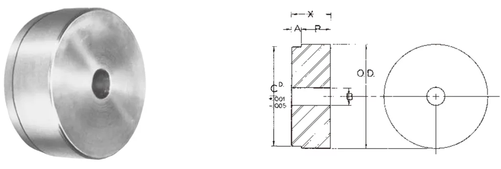
| Part No. | HB80 Steel Hubs | |
| Dimensions | O.D. | 5" |
| A | 0.563" | |
| C | 4.875" | |
| P | 1 1/2" | |
| X | 2 1/16" | |
| Bore | Stock | 3/4" |
| Max. | 3" | |
| Wt. Lbs. | 11.1 | |
![]() | ![]() |
![]() | ![]() |
![]() | ![]() |
Address
Luotuo Industrial Area, Zhenhai District, Ningbo City, China
Tel
