HCQ1 Steel Hubs for Q1 Split Taper Bushings
HCQ1 steel hubs for split taper bushings are a type of mechanical component used in power transmission systems. Specifically, they are designed to be used with split taper bushings, which are used to mount components such as pulleys, sprockets, and gears onto shafts.The HCQ1 steel hubs for split taper bushings are typically made from high-quality steel and are designed to be durable and long-lasting. They are also designed with a specific shape that allows them to be easily mounted onto split taper bushings and securely fastened in place. This helps to ensure that the components mounted onto the hubs remain firmly attached to the shaft and can transmit power effectively and efficiently.Overall, HCQ1 steel hubs for split taper bushings are an important component in many power transmission systems, particularly those that use split taper bushings to mount components onto shafts. They are designed to be strong, durable, and reliable, and are an important part of ensuring that power is transmitted efficiently and effectively in a wide range of industrial applications.

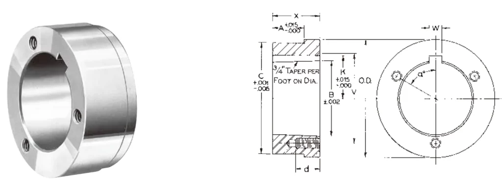
| Part No. | HCQ1 Steel Hubs | |
| For Bushing | Q1 Split Taper Bushings | |
| Dimensions | O.D. | 4 1/2" |
| A | 1.250" | |
| B | 2.875" | |
| C | 4.375" | |
| K | 1 9/16" | |
| V | 3 3/8" | |
| W | 1/2" | |
| X | 1 3/4" | |
| a | 60° | |
| Tapped Holes | d | 7/8" |
| No. | 3 | |
| Size | 3/8-16 | |
| Wt. Lbs. | 4.4 | |
![]() | ![]() |
![]() | ![]() |
![]() | ![]() |
Address
Luotuo Industrial Area, Zhenhai District, Ningbo City, China
Tel
