Heavy Duty Cranked-link Transmission Chains
Heavy duty cranked-link transmission chains are renowned for their high precision, wear resistance, and fatigue strength. They are ideal for transmission under heavy loads and adverse working conditions. Moreover, they are easy to repair and lengthen, making them suitable for a variety of industrial applications. They are commonly used in mining and metallurgical industries. These chains also feature a crank link design for ease of maintenance and repair.

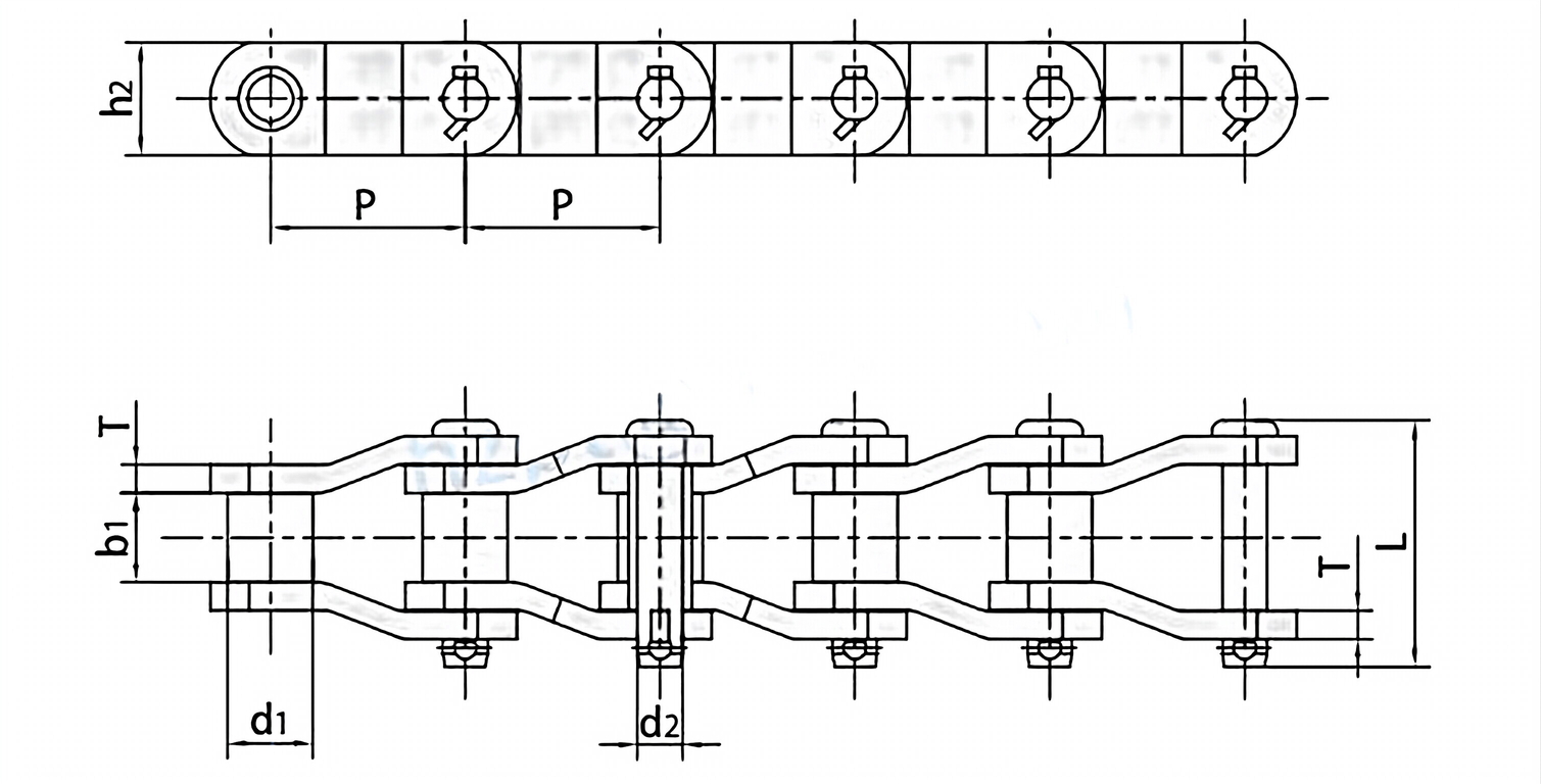
| Chain No. | Pitch | Roller diameter | Width between inner plates | Pin diameter | Pin length | Plate depth | Plate thickness | Ultimate tensile strength | Average tensile strength | Weight per meter |
| P | d1max | b1min | d2max | Lmax | h2 | T | Qmin | Q0 | q | |
| mm | mm | mm | mm | mm | mm | mm | kN/lbf | kN | kg/m | |
| MXS432 | 42.01 | 22.23 | 25.40 | 11.10 | 57.9 | 28.50 | 4.8 | 80.80/18363 | 88.0 | 5.65 |
| R3112 | 50.80 | 28.70 | 31.00 | 14.20 | 73.9 | 41.40 | 6.4 | 168.90/38385 | 185.0 | 10.70 |
| R3112F1 | 50.80 | 28.70 | 31.00 | 15.06 | 79.5 | 41.40 | 7.9 | 195.60/18363 | 225.0 | 12.23 |
| SS2065 | 50.80 | 28.58 | 32.50 | 15.05 | 79.5 | 38.00 | 7.9 | 220.00/49998 | 242.0 | 12.14 |
| 2010 | 63.50 | 31.75 | 38.10 | 15.90 | 89.0 | 47.80 | 7.9 | 250.00/56818 | 275.0 | 13.53 |
| 2010H | 63.50 | 31.75 | 31.75 | 15.88 | 97.0 | 41.50 | 9.5 | 250.00/56818 | 275.0 | 11.91 |
| 2010SH | 63.50 | 31.75 | 38.10 | 15.88 | 97.0 | 41.50 | 9.5 | 300.00/68181 | 330.0 | 12.00 |
| *SS588F4 | 66.27 | 22.23 | 30.40 | 11.11 | 60.0 | 32.00 | 4.8 | 90.00/20454 | 103.0 | 5.05 |
| MXS882 | 66.27 | 22.23 | 28.58 | 11.10 | 68.5 | 28.50 | 6.4 | 115.60/26272 | 124.8 | 5.30 |
| SS588 | 66.27 | 22.23 | 28.60 | 11.11 | 63.7 | 28.60 | 6.4 | 130.00/29545 | 144.0 | 5.46 |
| SS588F1 | 66.27 | 22.23 | 27.00 | 11.11 | 62.0 | 28.60 | 6.4 | 88.90/20205 | 97.8 | 5.39 |
| SS588F2 | 66.27 | 22.23 | 27.00 | 9.53 | 59.0 | 25.40 | 5.6 | 84.46/19195 | 91.2 | 4.26 |
| *MX603 | 76.20 | 22.50 | 38.00 | 14.00 | 88.0 | 40.00 | 8.0 | 147.00/33408 | 161.0 | 9.20 |
| *MXS3011F1 | 77.90 | 31.75 | 39.60 | 19.05 | 100.0 | 57.00 | 9.7 | 407.50/18363 | 468.0 | 17.68 |
| 2512(MXS3011) | 77.90 | 41.28 | 39.60 | 19.05 | 100.0 | 57.00 | 9.7 | 340.00/77272 | 367.2 | 18.40 |
| 2512F2 | 77.90 | 41.28 | 38.50 | 19.05 | 103.4 | 60.00 | 10.0 | 400.00/90909 | 420.0 | 20.28 |
| 2512F3 | 77.90 | 41.28 | 40.00 | 18.60 | 104.2 | 46.70 | 11.0 | 340.00/77271 | 391.0 | 18.15 |
| 2512F4 | 77.90 | 41.28 | 39.60 | 19.05 | 110.0 | 60.00 | 12.0 | 407.50/92612 | 468.0 | 23.60 |
| SS568H | 77.90 | 41.30 | 39.70 | 19.05 | 97.6 | 57.00 | 9.5 | 340.00/77272 | 367.2 | 19.80 |
| SS568HF2 | 77.90 | 31.75 | 39.70 | 19.05 | 98.5 | 57.00 | 9.5 | 447.00/101588 | 491.0 | 16.90 |
| Chain No. | Pitch | Roller diameter | Width between inner plates | Pin diameter | Pin length | Plate depth | Plate thickness | Ultimate tensile strength | Average tensile strength | Weight per meter |
| P | d1max | b1min | d2max | Lmax | h2 | T | Qmin | Q0 | q | |
| mm | mm | mm | mm | mm | mm | mm | kN/lbf | kN | kg/m | |
| SS568HF3 | 77.90 | 41.30 |
Address
Luotuo Industrial Area, Zhenhai District, Ningbo City, China
Tel
