High Pressure Banjo Elbow-WH-R Hydraulic Fittings
High Pressure Banjo Elbow-WH-R Hydraulic Fittings are a type of hydraulic fitting that is used to connect two hydraulic lines at a 90-degree angle. They are typically made of brass or stainless steel and are designed to withstand high pressures and temperatures. High Pressure Banjo Elbow-WH-R Hydraulic Fittings are a type of flareless fitting that uses a progressive ring (ferrule) to bite into the outer diameter of the tube, creating a leak-proof seal. This type of fitting is quick and easy to install and does not require any special tools.


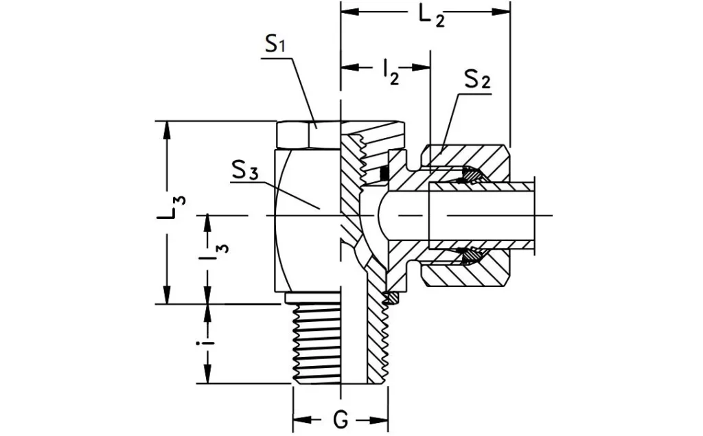
| WH-RPart NO. | Series Working Pressure (bar/psi) | Tube O.D. | Gmale thread | i | l2 | l3 | L2 | L3 | S1 | S2 | S3 |
| WH06LR | L light 250 bar3625 psi | 6 | G 1/8 A | 8 | 12 | 10.5 | 27 | 24 | 17 | 14 | 17 |
| WH08LR | 8 | G 1/4 A | 12 | 14.5 | 14 | 29 | 30 | 19 | 17 | 22 | |
| WH10LR | 10 | G 1/4 A | 12 | 15.5 | 14 | 30 | 30 | 19 | 19 | 22 | |
| WH12LR | 12 | G 3/8 A | 12 | 18 | 16.5 | 33 | 36 | 24 | 22 | 27 | |
| WH15LR | 15 | G 1/2 A | 14 | 21.5 | 21.5 | 37 | 45 | 30 | 27 | 32 | |
| WH18LR | 18 | G 1/2 A | 14 | 21 | 21.5 | 37 | 45 | 30 | 32 | 32 | |
| WH22LR | 160 bar2320 psi | 22 | G 3/4 A | 16 | 27.5 | 24 | 44 | 53 | 36 | 36 | 41 |
| WH28LR | 28 | G 1A | 18 | 32 | 30.5 | 49 | 66 | 46 | 41 | 50 | |
| WH35LR | 35 | G 1/4 A | 20 | 36 | 35.5 | 58 | 76 | 55 | 50 | 60 | |
| WH42LR | 42 | G 11/2 A | 22 | 40.5 | 40.5 | 63 | 87 | 60 | 60 | 70 | |
| WH06SR | S heavy 315 bar4560 psi | 6 | G 1/4 A | 12 | 16.5 | 14 | 31 | 30 | 19 | 17 | 22 |
| WH08SR | 8 | G1/4 A | 12 | 16.5 | 14 | 31 | 30 | 19 | 19 | 22 | |
| WH10SR | 10 | G 3/8 A | 12 | 18.5 | 16.5 | 35 | 36 | 24 | 22 | 27 | |
| WH12SR | 12 | G 3/8 A | 12 | 18.5 | 16.5 | 35 | 36 | 24 | 24 | 27 | |
| WH14SR | 14 | G 1/2 A | 14 | 22.5 | 21.5 | 40 | 45 | 30 | 27 | 32 | |
| WH16SR | 16 | G 1/2 A | 14 | 22 | 21.5 | 40 | 45 | 30 | 30 | 32 | |
| WH20SR | 160 bar 2320psi | 20 | G 3/4 A | 16 | 26.5 | 24 | 48 | 53 | 36 | 36 | 41 |
| WH25SR | 25 | G 1A | 18 | 31.5 | 30.5 | 56 | 66 | 46 | 46 | 50 | |
| WH30SR | 30 | G 11/4 A | 20 | 37 | 34.5 | 64 | 76 | 55 | 50 | 60 | |
| WH38SR | 38 | G 11/2 A | 22 | 41.5 | 40.5 | 72 | 87 | 60 | 60 | 70 |
![]() | ![]() |

Address
Luotuo Industrial Area, Zhenhai District, Ningbo City, China
Tel
