HR2 Steel Hubs for R2 Split Taper Bushings
HR2 steel hubs are components used in power transmission systems that are designed to work with split taper bushings. Split taper bushings are mechanical components that are used to mount pulleys, sprockets, and other components onto a shaft. The HR2 steel hubs are typically made to precise dimensions and tolerances to ensure proper fit and secure attachment to the shaft.The split taper bushing is inserted into a bore in the center of the HR2 steel hub and tightened with screws to create a secure, non-slip connection between the hub and the shaft. The HR2 steel hub and the split taper bushing work together to transmit torque and rotational force from the shaft to the mounted component. HR2 steel hubs are widely used in industrial applications, such as conveyor systems, pumps, and fans, where reliable and efficient power transmission is critical.

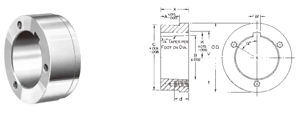
| Part No. | HR2 Steel Hubs | |
| For Bushing | R2 Split Taper Bushings | |
| Dimensions | O.D. | 5 3/4" |
| A | 1.606" | |
| B | 4.000" | |
| C | 5.625" | |
| K | 2 3/16" | |
| V | 4 5/8" | |
| W | 3/4" | |
| X | 4" | |
| a | 60° | |
| Tapped Holes | d | 1 1/8" |
| No. | 3 | |
| Size | 3/8-16 | |
| Wt. Lbs. | 15.4 | |
![]() | ![]() |
![]() | ![]() |
| Split Taper Bushed Weld-On Hub | Taper Bushed Weld-On Hub |
![]() | ![]() |
Address
Luotuo Industrial Area, Zhenhai District, Ningbo City, China
Tel
