Male Elbow-WE-NPT Hydraulic Fittings
Male Elbow-WE-NPT hydraulic fittings are a type of pipe fitting that is used to connect two hydraulic lines at a 90-degree angle. They have a male NPT (National Pipe Tapered) thread on both ends, which allows them to be screwed into female NPT threads on other hydraulic fittings or components. Male Elbow-WE-NPT hydraulic fittings are typically made of steel, brass, or stainless steel, and they are available in a variety of sizes and pressure ratings.
Male Elbow-WE-NPT hydraulic fittings are commonly used in a variety of hydraulic applications, including:
Male Elbow-WE-NPT hydraulic fittings are a reliable and durable way to connect hydraulic lines, and they can be used in a variety of demanding applications.


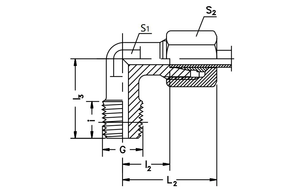
| WE-NPTPart no. | SeriesWorkingPressure(bar/psi) | Tubeo.d. | G | i | I2 | I4 | L2 | S1 | S2 |
| -WE04LL1/8NPT | LLvery light100 bar1450 psi | 4 | 1/8-27 NPT | 10 | 11 | 17 | 21 | 11 | 10 |
| -WE06LL1/8NPT | 6 | 1/8-27 NPT | 10 | 9.5 | 17 | 21 | 11 | 12 | |
| -WE08LL1/8NPT | 8 | 1/8-27 NPT | 10 | 11.5 | 20 | 23 | 12 | 14 | |
| -WE06L1/8NPT | L light315 bar4560 psi | 6 | 1/8-27 NPT | 10 | 12 | 20 | 27 | 12 | 14 |
| -WE08L1/4NPT | 8 | 1/4-18 NPT | 15 | 14 | 26 | 29 | 14 | 17 | |
| -WE10L1/4NPT | 10 | 1/4-18 NPT | 15 | 15 | 27 | 30 | 17 | 19 | |
| -WE12L3/8NPT | 12 | 3/8-18 NPT | 15.3 | 17 | 28 | 32 | 19 | 22 | |
| -WE15L1/2NPT | 15 | 1/2-14 NPT | 20 | 21 | 34 | 36 | 19 | 27 | |
| -WE18L1/2NPT | 18 | 1/2-14 NPT | 20 | 23.5 | 36 | 40 | 24 | 32 | |
| -WE22L3/4NPT | 160 bar2320 psi | 22 | 3/4-14 NPT | 20 | 27.5 | 42 | 44 | 27 | 36 |
| -WE28L1NPT | 28 | 1-11.5 NPT | 25 | 30.5 | 48 | 47 | 36 | 41 | |
| -WE35L11/4NPT | 35 | 1 1/4-11.5 NPT | 25.5 | 34.5 | 54 | 56 | 41 | 50 | |
| -WE42L11/2NPT | 42 | 1 1/2-11.5 NPT | 26 | 40 | 61 | 63 | 50 | 60 | |
| -WE06S1/4NPT | S Heavy630 bar9130 psi | 6 | 1/4-18 NPT | 15 | 16 | 26 | 31 | 14 | 17 |
| -WE08S1/4NPT | 8 | 1/4-18 NPT | 15 | 17 | 27 | 32 | 17 | 19 | |
| -WE10S3/8NPT | 10 | 3/8-18 NPT | 15.3 | 17.5 | 28 | 34 | 19 | 22 | |
| -WE12S3/8NPT | 12 | 3/8-18 NPT | 15.3 | 17 | 28 | 38 | 22 | 24 | |
| -WE14S1/2NPT | 14 | 1/2-14 NPT | 20 | 22 | 34 | 40 | 19 | 27 | |
| -WE16S1/2NPT | 400 bar5800 psi | 16 | 1/2-14 NPT | 20 | 24.5 | 36 | 43 | 24 | 30 |
| -WE20S3/4NPT | 20 | 3/4-14 NPT | 20 | 26.5 | 42 | 48 | 27 | 36 | |
| -WE25S1NPT | 25 | 1-11.5 NPT | 25 | 30 | 48 | 54 | 36 | 46 | |
| -WE30S11/4NPT | 30 | 1 1/4-11.5 NPT | 25.5 | 35.5 | 54 | 62 | 41 | 50 | |
| -WE38S11/2NPT | 315 bar4560 psi | 38 | 1 1/2-11.5 NPT | 26 | 41 | 61 | 72 | 50 | 60 |
Male elbow-WE-NPT hydraulic fittings offer a number of advantages over other types of hydraulic fittings, including:
1. Versatility: Male elbow-WE-NPT fittings can be used in a wide range of hydraulic applications, including construction, agriculture, manufacturing, and transportation. They are compatible with a variety of hydraulic hoses and tubing and can be used to connect hoses to pumps, valves, cylinders, and other hydraulic components.2. Durability: Male elbow-WE-NPT hydraulic fittings are made from high-strength materials, such as brass, steel, and stainless steel, making them resistant to corrosion, wear, and tear. They can withstand high pressures and temperatures and are designed to last for many years.3. Leakproofness: Male elbow-WE-NPT fittings feature a tapered thread design that creates a tight seal between the fitting and the hose or tubing. This helps to prevent leaks, even under high pressure.4. Ease of installation: Male elbow-WE-NPT hydraulic fittings are relatively easy to install, even in tight spaces. They can be tightened and loosened with a wrench or socket, and do not require any special tools.In addition to these advantages, male elbow-WE-NPT hydraulic fittings are also relatively affordable and easy to find. They are available from a variety of hydraulic suppliers and distributors.



Address
Luotuo Industrial Area, Zhenhai District, Ningbo City, China
Tel
