Raydafon electric stainless steel / flush motor adopts enclosed fan cooling (Tens) or enclosed non-ventilated (ten) enclosure with protection grade of IP56, which can provide waterproof protection. These flushing motors are ideal for conveyor, pump, and material handling applications in the food, beverage, pharmaceutical, and poultry industries.Features include double lip seals at the drive and non-drive end, different shaft lifting rings, O-rings and through bolts on the end cover, 304 stainless steel frame, stainless steel shaft, and waterproof wire connector/junction box. These waterproof motors have a rated power of 1/2 to 2 and a rated service factor of 1.15 (1.0 SF for AC drives).Their versatility makes stainless steel / flush motors and other fractional HP motors well suited for limited inventory space. Orders for 25 or more 56 motors are eligible for advance shipment.
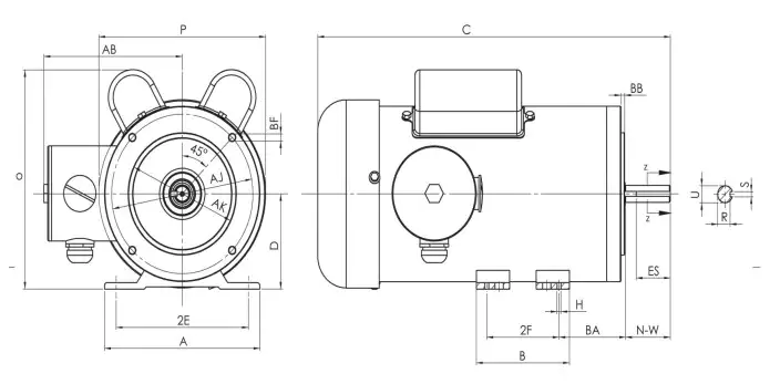
| Frame | A | BB | BA | N-W | U | R | S | ES | E | 2F | B | H | BF | AJ | AK | P | AB | D | O |
| 56C | 6.5 | 0.16 | 2.75 | 1.88 | 0.625 | 0.517 | 0.188 | 1.41 | 2.44 | 3 | 3.87 | 0.34 | 3/8-16 | 5.875 | 4.5 | 6.93 | 5.79 | 3.504 | 8.07 |
| 143TC | 6.5 | 0.16 | 2.75 | 2.25 | 0.771 | 0.771 | 0.188 | 1.41 | 2.75 | 4 | 4.87 | 4.87 | 3/8-16 | 5.875 | 4.5 | 6.93 | 5.79 | 3.504 | 8.07 |
| 145TC | 6.5 | 0.16 | 2.75 | 2.25 | 0.771 | 0.771 | 0.188 | 1.41 | 2.75 | 5 | 5.87 | 5.87 | 3/8-16 | 5.875 | 4.5 | 6.93 | 5.79 | 3.504 | 8.07 |
We have five large motor factories in China that develop and manufacture for global customers. All factories have passed ISO9001 certification, and some products have passed TUV, CE, CSA, GS, and other certifications. Our annual production capacity reaches more than 10 million units, so we can meet the great demand of world-renowned international companies and have many OEM capabilities.Our primary customers include Daikin, carrier, Haier, Siemens, Rheem, imperial Beloit, GEA, Delong, and other international brands.Raydafon also provides one-stop procurement/factory audit/quality control/logistics services to meet customers' diversified production needs. The products we have purchased for our customers include various types of small household appliances, electric vehicles, stamping parts, die castings, magnets, protectors, plastic parts, commutators, molds, switches, relays, timers, buzzers, pumps, HVACR parts, PCBs, gearboxes and other products related to motors and electrical appliances.![]() | ![]() | ![]() | ![]() |
| Stainless steel permanent magnet motor | Water-cooled stainless steel motor | Food industry electric motor | Stainless steel motor |
![]() | ![]() | ![]() | ![]() |
| IEC emulsified food machinery AC motor | NEMA 56C asynchronous motor | IEC stainless steel AC motor | IEC all stainless steel high-efficiency motor |
![]() | ![]() | ![]() | |
| Chicken and duck depilation equipment motor | NEMA food-grade stainless steel motor | Food-grade IEC stainless steel motor |
Address
Luotuo Industrial Area, Zhenhai District, Ningbo City, China
Tel
